Здравствуйте, гость ( Вход | Регистрация )

2 страниц V   1 2 >  
Ответить в данную темуНачать новую тему
Опять же про зеркала вопрос, сложить разложить
Surgut88
сообщение 11.10.2009, 11:06
Сообщение #1


Вставить ник

Суправод
******

Группа: Активные пользователи
Сообщений: 2 390
Регистрация: 4.2.2008
Из: Surgut
Пользователь №: 1 467
Авто:Supra Targa 2JZ-GTE M/T



Тут недавно столкнулся с такой ситуацией что не могли разъехаться во дворе!смотрю зеркало мешает,надо сложить руку тяну к кнопке а там ОПА... Нету кнопки...

вот и возник вопрос вчём различие ?! обе машины дорестайленговые 95-го года (предыдущая моя и теперешняя)... а зеркала не складываются
эта от чего зависит вообще и что зеркала разные чтоли ставили ?! и в чём их различие?!

и как бы можно было сделать электро складывание?! менять их чтоли?!

Сообщение отредактировал Surgut88 - 11.10.2009, 11:07


--------------------

"У действительно хороших водителей мухи расплющены об боковые стёкла". Walter Röhrl
Слезы радости от ускорения должны стекать... ...горизонтально по щекам назад. (с) Walter Röhrl
------------------------
Surgut drifter
Перейти в начало страницы
 
+Цитировать сообщение
drool
сообщение 11.10.2009, 11:25
Сообщение #2


Вставить ник

Суправод
******

Группа: Активные пользователи
Сообщений: 7 797
Регистрация: 20.7.2006
Из: Москва, САО
Пользователь №: 1 137
Авто:JZA80 `94/02 TT 6MT



Есть складывающиеся электро (без подогрева),а есть с подогревом, но складываются вручную. Чтобы было всё надо сначала найти зеркала который складываются с кнопки, а потом или купить эл-нт подогрева или зеркала новые заказать


--------------------
Мой телефон: 8-926-246-91-96
The BEST Supra - JZA80 TT 6MT
Перейти в начало страницы
 
+Цитировать сообщение
Surgut88
сообщение 12.10.2009, 4:25
Сообщение #3


Вставить ник

Суправод
******

Группа: Активные пользователи
Сообщений: 2 390
Регистрация: 4.2.2008
Из: Surgut
Пользователь №: 1 467
Авто:Supra Targa 2JZ-GTE M/T



а подогрев от чего работает ?! есть ли где то кнопка какаято или автоматом ?! интересно может у меня и есть подогрев?! как это выяснить ?!


--------------------

"У действительно хороших водителей мухи расплющены об боковые стёкла". Walter Röhrl
Слезы радости от ускорения должны стекать... ...горизонтально по щекам назад. (с) Walter Röhrl
------------------------
Surgut drifter
Перейти в начало страницы
 
+Цитировать сообщение
VoronVRS
сообщение 12.10.2009, 7:30
Сообщение #4


Вставить ник

Суправод
****

Группа: Пользователи
Сообщений: 529
Регистрация: 21.11.2007
Из: Москва ВАО
Пользователь №: 1 428
Авто:Nissan Teana 2.5



Подогрев зеркал должен работать от одной кнопки с подогревом заднего стекла.
Перейти в начало страницы
 
+Цитировать сообщение
Surgut88
сообщение 12.10.2009, 7:37
Сообщение #5


Вставить ник

Суправод
******

Группа: Активные пользователи
Сообщений: 2 390
Регистрация: 4.2.2008
Из: Surgut
Пользователь №: 1 467
Авто:Supra Targa 2JZ-GTE M/T



хм... завтра с утра испробуем... у нас ночью уже -1 -2 градуса .... утром вся машина во льду! так что будем пробовать... подругому ведь никак не определишь есть подогрев или нет, надо чтоб замёршее было?!?!


--------------------

"У действительно хороших водителей мухи расплющены об боковые стёкла". Walter Röhrl
Слезы радости от ускорения должны стекать... ...горизонтально по щекам назад. (с) Walter Röhrl
------------------------
Surgut drifter
Перейти в начало страницы
 
+Цитировать сообщение
Surgut88
сообщение 12.10.2009, 8:13
Сообщение #6


Вставить ник

Суправод
******

Группа: Активные пользователи
Сообщений: 2 390
Регистрация: 4.2.2008
Из: Surgut
Пользователь №: 1 467
Авто:Supra Targa 2JZ-GTE M/T



вот хрень...
у нас никогда ничего не бывает по человечески ...
еду я значит с работы домой на обед, думаю нука проверю обогрев. включил обогрев заднего стекла... через 5 минут смотрю водительское правое стекло сухое! я открыл окошко потрогал егоа оно горячее УРАА! жаль не складываются зато подогрев есть ... ну думаю ништяк всё! АГА не тут то было, смотрю на левое зеркало а там...опа... а оно в каплях, потрогал, холодное... придётся разбирать и правую дверь и левую! изначально знаю что вроде левую сторону спереди били так может и зеркло левое меняли, надо разбирать и смотреть какие провода идут от левого и какие от правого зеркала... может само зеркало такое а может где то провода неподсоеденили или оборваный... короче опять головняк unsure.gif

а как можно переделать зеркало чтоб и обогрев был (как у меня) и чтоб складывалось
а у меня может вообще так что правое с обогревом но не складывается а левое складывается но без подогрева ... короче будем разбирать и смотреть...
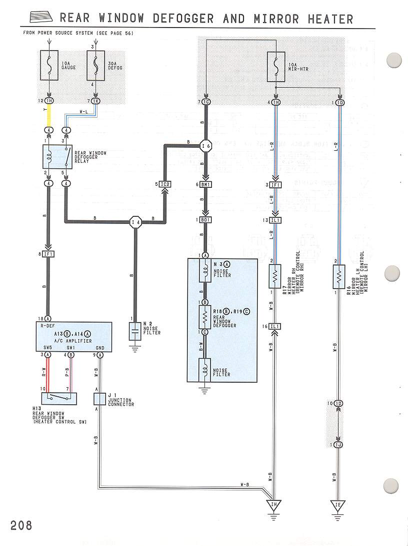
кстати никто не вкурсе какие провода от чего и куда идут с зеркала?! в Факе чёто не нашёл...

Сообщение отредактировал Surgut88 - 12.10.2009, 8:17


--------------------

"У действительно хороших водителей мухи расплющены об боковые стёкла". Walter Röhrl
Слезы радости от ускорения должны стекать... ...горизонтально по щекам назад. (с) Walter Röhrl
------------------------
Surgut drifter
Перейти в начало страницы
 
+Цитировать сообщение
VoronVRS
сообщение 12.10.2009, 9:09
Сообщение #7


Вставить ник

Суправод
****

Группа: Пользователи
Сообщений: 529
Регистрация: 21.11.2007
Из: Москва ВАО
Пользователь №: 1 428
Авто:Nissan Teana 2.5



Надо зеркальце вскрывать и смотреть механизм складывания. Если слева есть - значиццо зеркала разные =) Тогда либо покупать правое и колхозить подогрев на оба, либо на левое колхозить обогрев, а на правое - механизм складывания. У меня электроскладывающиеся без подогрева - ЖОПА. Буду что нибудь мутить, ездить невозможно!
Перейти в начало страницы
 
+Цитировать сообщение
Surgut88
сообщение 12.10.2009, 9:42
Сообщение #8


Вставить ник

Суправод
******

Группа: Активные пользователи
Сообщений: 2 390
Регистрация: 4.2.2008
Из: Surgut
Пользователь №: 1 467
Авто:Supra Targa 2JZ-GTE M/T



как вскрыть его ?! сёдня может быть поеду после работы копаться с этими зеркалами... надо изначально определить где какое зеркало стоит! на экзисте все зеркала одинаковые(вроде) !


--------------------

"У действительно хороших водителей мухи расплющены об боковые стёкла". Walter Röhrl
Слезы радости от ускорения должны стекать... ...горизонтально по щекам назад. (с) Walter Röhrl
------------------------
Surgut drifter
Перейти в начало страницы
 
+Цитировать сообщение
beast_drc
сообщение 12.10.2009, 11:43
Сообщение #9


Вставить ник

Cуправод
******

Группа: Модераторы
Сообщений: 6 059
Регистрация: 26.5.2007
Из: Россия Москва ЮАО-ЮВАО
Пользователь №: 1 333
Авто:'99 ('92/'96) JZA80 RZ-S AT LHD



Surgut88 самое простое - снять зеркальный элемент

Снимается он так:

1) аккуратно подлезаешь пальцами между корпусом и зеркальным элементом (я не помню, сверху или снизу)

2) потянуть зеркальный элемент на себя, он отщелкнится

Соответственно вынуть его и посмотреть, что за зеркальный элемент там.. на тот, что с подогревом, соответственно есть 2 провода


--------------------
"Проще продать атмо старую Супру и купить турбо новую Супру" - Да, проще. Интереснее? - Однозначно НЕТ
SZ AT > RZ-S AT > RZ-S AT LHD
Перейти в начало страницы
 
+Цитировать сообщение
Surgut88
сообщение 12.10.2009, 11:46
Сообщение #10


Вставить ник

Суправод
******

Группа: Активные пользователи
Сообщений: 2 390
Регистрация: 4.2.2008
Из: Surgut
Пользователь №: 1 467
Авто:Supra Targa 2JZ-GTE M/T



страшно блин ..вдруг сломается.... а что делать ... поду ломать smile.gif:))


--------------------

"У действительно хороших водителей мухи расплющены об боковые стёкла". Walter Röhrl
Слезы радости от ускорения должны стекать... ...горизонтально по щекам назад. (с) Walter Röhrl
------------------------
Surgut drifter
Перейти в начало страницы
 
+Цитировать сообщение
VoronVRS
сообщение 12.10.2009, 12:32
Сообщение #11


Вставить ник

Суправод
****

Группа: Пользователи
Сообщений: 529
Регистрация: 21.11.2007
Из: Москва ВАО
Пользователь №: 1 428
Авто:Nissan Teana 2.5



Удачи! Отпишись потом как снял зеркальный элемент! Тоже собираюсь взламывать и мутить подогрев!
Перейти в начало страницы
 
+Цитировать сообщение
beast_drc
сообщение 12.10.2009, 13:12
Сообщение #12


Вставить ник

Cуправод
******

Группа: Модераторы
Сообщений: 6 059
Регистрация: 26.5.2007
Из: Россия Москва ЮАО-ЮВАО
Пользователь №: 1 333
Авто:'99 ('92/'96) JZA80 RZ-S AT LHD



VoronVRS давай кооперироваться по поводу подогрева :)) есть теплый гараж ?smile.gif:)


--------------------
"Проще продать атмо старую Супру и купить турбо новую Супру" - Да, проще. Интереснее? - Однозначно НЕТ
SZ AT > RZ-S AT > RZ-S AT LHD
Перейти в начало страницы
 
+Цитировать сообщение
IQ200
сообщение 12.10.2009, 13:18
Сообщение #13


Вставить ник

Суправод
****

Группа: Пользователи
Сообщений: 827
Регистрация: 28.1.2009
Из: Алматы (KZ)
Пользователь №: 3 323
Авто:Dodge Durango Shelby SP360



на сарае снизу отщелкивается зеркало.
элемент подогрева просто вставить в стекло, тоже думаю озадачиться


--------------------
Errare humanum est,
Qui tacet – consentire videtur!
Перейти в начало страницы
 
+Цитировать сообщение
beast_drc
сообщение 12.10.2009, 13:48
Сообщение #14


Вставить ник

Cуправод
******

Группа: Модераторы
Сообщений: 6 059
Регистрация: 26.5.2007
Из: Россия Москва ЮАО-ЮВАО
Пользователь №: 1 333
Авто:'99 ('92/'96) JZA80 RZ-S AT LHD



IQ200 КАК ПРОТЯГИВАТЬ ПРОВОДА, когда зеркало складывается электро?

Народ, снимите зеркало, и вы сразу поймете мои вопросы..


--------------------
"Проще продать атмо старую Супру и купить турбо новую Супру" - Да, проще. Интереснее? - Однозначно НЕТ
SZ AT > RZ-S AT > RZ-S AT LHD
Перейти в начало страницы
 
+Цитировать сообщение
VoronVRS
сообщение 12.10.2009, 13:56
Сообщение #15


Вставить ник

Суправод
****

Группа: Пользователи
Сообщений: 529
Регистрация: 21.11.2007
Из: Москва ВАО
Пользователь №: 1 428
Авто:Nissan Teana 2.5



Цитата(beast_drc @ 12.10.2009, 15:16) *
VoronVRS давай кооперироваться по поводу подогрева smile.gif) есть теплый гараж ?smile.gifsmile.gif


Пока что его нет ВООБЩЕ =) Поэтому тема для меня МЕГАактуальна :))

Цитата(beast_drc @ 12.10.2009, 15:52) *
IQ200 КАК ПРОТЯГИВАТЬ ПРОВОДА, когда зеркало складывается электро?

Народ, снимите зеркало, и вы сразу поймете мои вопросы..


Ты кстати зеркало уже снимал? Как оно снимается?
Перейти в начало страницы
 
+Цитировать сообщение
drool
сообщение 12.10.2009, 19:31
Сообщение #16


Вставить ник

Суправод
******

Группа: Активные пользователи
Сообщений: 7 797
Регистрация: 20.7.2006
Из: Москва, САО
Пользователь №: 1 137
Авто:JZA80 `94/02 TT 6MT



Зеркало изнутри двумя гайками на 10 держится


--------------------
Мой телефон: 8-926-246-91-96
The BEST Supra - JZA80 TT 6MT
Перейти в начало страницы
 
+Цитировать сообщение
beast_drc
сообщение 12.10.2009, 20:06
Сообщение #17


Вставить ник

Cуправод
******

Группа: Модераторы
Сообщений: 6 059
Регистрация: 26.5.2007
Из: Россия Москва ЮАО-ЮВАО
Пользователь №: 1 333
Авто:'99 ('92/'96) JZA80 RZ-S AT LHD



Дополню тока. что крутить его надо чем-то мощным, или я сломал 2 маленьких трещетки wink.gif)


--------------------
"Проще продать атмо старую Супру и купить турбо новую Супру" - Да, проще. Интереснее? - Однозначно НЕТ
SZ AT > RZ-S AT > RZ-S AT LHD
Перейти в начало страницы
 
+Цитировать сообщение
Surgut88
сообщение 13.10.2009, 5:26
Сообщение #18


Вставить ник

Суправод
******

Группа: Активные пользователи
Сообщений: 2 390
Регистрация: 4.2.2008
Из: Surgut
Пользователь №: 1 467
Авто:Supra Targa 2JZ-GTE M/T



вчера пробовал снимать зеркальный элемент так и не получилось, боялся поломать! но отогнув в крайнее положение увидел что элемент как слева так и справа с подогревом!к нему два проводочка идут! на счёт электро привода незнаю... там внутри корпуса не видно! буду левую дверь разбирать и смотреть может где провод оборван !(левое зеркало так и не греет) возможно сам подогрев сгорел (хотя вряд ли)...


--------------------

"У действительно хороших водителей мухи расплющены об боковые стёкла". Walter Röhrl
Слезы радости от ускорения должны стекать... ...горизонтально по щекам назад. (с) Walter Röhrl
------------------------
Surgut drifter
Перейти в начало страницы
 
+Цитировать сообщение
Supreme
сообщение 13.10.2009, 5:48
Сообщение #19


Вставить ник

Потенциальный суправод
***

Группа: Пользователи
Сообщений: 469
Регистрация: 30.11.2008
Пользователь №: 3 249
Авто:Метро



Цитата(Surgut88 @ 12.10.2009, 10:17) *
кстати никто не вкурсе какие провода от чего и куда идут с зеркала?! в Факе чёто не нашёл...

подогрев
Прикрепленное изображение

привод

Прикрепленное изображение


Сообщение отредактировал Supreme - 13.10.2009, 5:51


--------------------
Перейти в начало страницы
 
+Цитировать сообщение
VoronVRS
сообщение 13.10.2009, 7:34
Сообщение #20


Вставить ник

Суправод
****

Группа: Пользователи
Сообщений: 529
Регистрация: 21.11.2007
Из: Москва ВАО
Пользователь №: 1 428
Авто:Nissan Teana 2.5



Значит чтобы снять зеркало нужно разбирать дверь?
Перейти в начало страницы
 
+Цитировать сообщение
Surgut88
сообщение 13.10.2009, 8:22
Сообщение #21


Вставить ник

Суправод
******

Группа: Активные пользователи
Сообщений: 2 390
Регистрация: 4.2.2008
Из: Surgut
Пользователь №: 1 467
Авто:Supra Targa 2JZ-GTE M/T



полюбому


--------------------

"У действительно хороших водителей мухи расплющены об боковые стёкла". Walter Röhrl
Слезы радости от ускорения должны стекать... ...горизонтально по щекам назад. (с) Walter Röhrl
------------------------
Surgut drifter
Перейти в начало страницы
 
+Цитировать сообщение
jdi
сообщение 13.10.2009, 9:58
Сообщение #22


Вставить ник


*****

Группа: Активные пользователи
Сообщений: 1 279
Регистрация: 2.12.2008
Из: г.Астрахань
Пользователь №: 3 251
Авто:Supra JZA80 синяя сучка на ручке



снимешь обшивку , снимается легко, не забудь открутить болт который внутри ручки за которую ты закрываешь дверь он под колпачком пластиковым может быть:)) ну а как открутить зеркало увидишь, там все просто 2 гайки делов:)) к


--------------------
Нету лучше велика, чем Тойота Celica. Нету лучше самолета, чем любимая Тойота.... Supra
JZA80 SZ-R,2JZ-GE, рестайл, Getrag, LSD, Впуск APEXI, выпуск JASMA, ну вообщем красивая падла:-)
+ ГАЗ 3102 Белий:)
Перейти в начало страницы
 
+Цитировать сообщение
beast_drc
сообщение 13.10.2009, 10:02
Сообщение #23


Вставить ник

Cуправод
******

Группа: Модераторы
Сообщений: 6 059
Регистрация: 26.5.2007
Из: Россия Москва ЮАО-ЮВАО
Пользователь №: 1 333
Авто:'99 ('92/'96) JZA80 RZ-S AT LHD



jdi Ты забыл сказать, что короб штатной акустики снять надо :)


--------------------
"Проще продать атмо старую Супру и купить турбо новую Супру" - Да, проще. Интереснее? - Однозначно НЕТ
SZ AT > RZ-S AT > RZ-S AT LHD
Перейти в начало страницы
 
+Цитировать сообщение
VoronVRS
сообщение 13.10.2009, 10:09
Сообщение #24


Вставить ник

Суправод
****

Группа: Пользователи
Сообщений: 529
Регистрация: 21.11.2007
Из: Москва ВАО
Пользователь №: 1 428
Авто:Nissan Teana 2.5



Спрашиваю потому что Супра - не ВАЗ, сломанную детальку в ближайшем сервисе не купишь =)
Перейти в начало страницы
 
+Цитировать сообщение
drool
сообщение 13.10.2009, 19:45
Сообщение #25


Вставить ник

Суправод
******

Группа: Активные пользователи
Сообщений: 7 797
Регистрация: 20.7.2006
Из: Москва, САО
Пользователь №: 1 137
Авто:JZA80 `94/02 TT 6MT



С обшивкой аккуратней) Внутри дверного кармана один под колпачком. Так же когда открутишь болт за ручкой, снимешь эту плассмасску и внутри еще один болт (под головку и под крестовую отвертку) smile.gif. Короч мануал кури smile.gif там ВСЁ есть.


--------------------
Мой телефон: 8-926-246-91-96
The BEST Supra - JZA80 TT 6MT
Перейти в начало страницы
 
+Цитировать сообщение
Surgut88
сообщение 18.10.2009, 17:11
Сообщение #26


Вставить ник

Суправод
******

Группа: Активные пользователи
Сообщений: 2 390
Регистрация: 4.2.2008
Из: Surgut
Пользователь №: 1 467
Авто:Supra Targa 2JZ-GTE M/T



завтра отпишусь как всё было... появились и дополнительные вопросы!
левое зеркало сделал... теперь обогрев зеркал работает и слева и справа!

ВНИМАНИЕ:ЗЕРКАЛО ОТЩЁЛКИВАЕТСЯ СНАЧАЛО СНИЗУ А ЗАТЕМ ВЕРХНЯЯ ЧАСТЬ ОТОДВИГАЕТСЯ! завтра выложу фото и покажу что да как...

P.S. Будьте внимательны не поломайте!обратно уже не склеешь!

Сообщение отредактировал Surgut88 - 18.10.2009, 17:14


--------------------

"У действительно хороших водителей мухи расплющены об боковые стёкла". Walter Röhrl
Слезы радости от ускорения должны стекать... ...горизонтально по щекам назад. (с) Walter Röhrl
------------------------
Surgut drifter
Перейти в начало страницы
 
+Цитировать сообщение
Surgut88
сообщение 19.10.2009, 6:06
Сообщение #27


Вставить ник

Суправод
******

Группа: Активные пользователи
Сообщений: 2 390
Регистрация: 4.2.2008
Из: Surgut
Пользователь №: 1 467
Авто:Supra Targa 2JZ-GTE M/T



Снял я зеркальце! Поддеваешь пальцами снизу зеркало и тянешь его на себя и немного вверх (я изначально просто угадал, повезло что не сломал)
видим такую картину




у меня зеркало вроде как я понял без привода складывания!Просто с обогревом и Электро регулятором для настройки
выглядит оно вот так !


Просьба сфоткайте кто нибудь зеркало укого есть электро складывание, охото посмотреть как это выглядит! может можно переделать?!?!

низнаю почему но получилось на моей машине вот так по проводке с левой стороны
вот фишка выходящая из двери(Прозвонил и определил какие провода идут на обогрев !на рисунке красным обведено два выхода это серый и оранжевый провод)


а вот фишка с проводки на машине.. как видно то обогрев не планировался huh.gif


в итоге определив какие провода идут с правой стороны определил откуда берётся питание на обогрев!
вот отсюда!
красносиний и белочёрный провод шёл на правую дверь


пришлось подцепляться и тянуть новую проводку на левую сторону...

сейчас всё работает! у всех может быть по разному так что смотрите сами...
а щас хочу заморочиться с электроприводами на складывание
сфотайте кто нибудь своё зеркало, наглядно посмотреть чтоб не на схемах...


--------------------

"У действительно хороших водителей мухи расплющены об боковые стёкла". Walter Röhrl
Слезы радости от ускорения должны стекать... ...горизонтально по щекам назад. (с) Walter Röhrl
------------------------
Surgut drifter
Перейти в начало страницы
 
+Цитировать сообщение
Блек
сообщение 19.10.2009, 7:17
Сообщение #28


Вставить ник

Суправод
******

Группа: Активные пользователи
Сообщений: 2 492
Регистрация: 4.1.2007
Из: Москва
Пользователь №: 1 208
Авто:Lexus is 200, Supra 2002 2JZ-GTE vvt-i Getrag v160



Статейка для фака )


--------------------
Рожденный ползать, уйди со взлетной полосы!
Первый дрифт,это как первый раз с женщиной. И хочешь,и не умеешь!
"А безопасный дрифт - как безопасный секс. Тупо и скучно." © Bakki™

Цитата(John_Travolta @ 19.12.2011, 18:49) *
но когда у тебя будет около стоковая турбо машина без каких либо изысков, просто в хорошем состоянии и с ценой более миллиона, ты точно подумаешь "надо было сразу купить..."

"AlexXXL82, запомни на будущее, сейчас нормальную бабу найти гораздо легче, чем нормальную Супру. Поэтому выбирать из них двоих надо всегда Супру." rom@888 ©
Перейти в начало страницы
 
+Цитировать сообщение
Surgut88
сообщение 19.10.2009, 7:27
Сообщение #29


Вставить ник

Суправод
******

Группа: Активные пользователи
Сообщений: 2 390
Регистрация: 4.2.2008
Из: Surgut
Пользователь №: 1 467
Авто:Supra Targa 2JZ-GTE M/T



хочу про складывания электро узнать...
экзист мне на это ответил ФакЮ dry.gif


--------------------

"У действительно хороших водителей мухи расплющены об боковые стёкла". Walter Röhrl
Слезы радости от ускорения должны стекать... ...горизонтально по щекам назад. (с) Walter Röhrl
------------------------
Surgut drifter
Перейти в начало страницы
 
+Цитировать сообщение
VoronVRS
сообщение 19.10.2009, 7:44
Сообщение #30


Вставить ник

Суправод
****

Группа: Пользователи
Сообщений: 529
Регистрация: 21.11.2007
Из: Москва ВАО
Пользователь №: 1 428
Авто:Nissan Teana 2.5



У меня с электроскладыванием, но без подогрева. В ближайшее время буду заморачиваться с установкой подогревов, разберу зеркало и сфоткаю! Тема реально для фака =)
Перейти в начало страницы
 
+Цитировать сообщение
Surgut88
сообщение 19.10.2009, 7:47
Сообщение #31


Вставить ник

Суправод
******

Группа: Активные пользователи
Сообщений: 2 390
Регистрация: 4.2.2008
Из: Surgut
Пользователь №: 1 467
Авто:Supra Targa 2JZ-GTE M/T



сфоткайте прям на улице ... его снимать 15 секунд и ставить 10... итересна схема как оно там наглядно выглядит ... может у меня и с электроприводом просто не видно...


--------------------

"У действительно хороших водителей мухи расплющены об боковые стёкла". Walter Röhrl
Слезы радости от ускорения должны стекать... ...горизонтально по щекам назад. (с) Walter Röhrl
------------------------
Surgut drifter
Перейти в начало страницы
 
+Цитировать сообщение
beast_drc
сообщение 19.10.2009, 11:53
Сообщение #32


Вставить ник

Cуправод
******

Группа: Модераторы
Сообщений: 6 059
Регистрация: 26.5.2007
Из: Россия Москва ЮАО-ЮВАО
Пользователь №: 1 333
Авто:'99 ('92/'96) JZA80 RZ-S AT LHD



Сегодня сфотографирую. Я ща с телефона, посмотреть фото не могу. Комментарии по фото вечером.


--------------------
"Проще продать атмо старую Супру и купить турбо новую Супру" - Да, проще. Интереснее? - Однозначно НЕТ
SZ AT > RZ-S AT > RZ-S AT LHD
Перейти в начало страницы
 
+Цитировать сообщение
YAGODKIN
сообщение 31.10.2009, 15:49
Сообщение #33


Вставить ник

Суправод
****

Группа: Активные пользователи
Сообщений: 507
Регистрация: 28.5.2008
Из: Москва
Пользователь №: 1 541
Авто:C63 AMG



А как мне сделать обогрев? у меня складываются, но не греются. Я был как то раз в автозапчастях и видел в продаже так называемый подогрев заркал. это такая тонкая пластинка размером как раз с зеркало, от неё выходят два провода. я вот думаю может это применить.
Вот сюда провода проводить?
Прикрепленное изображение


--------------------

Каждый сам кузнец своего счастья...
Перейти в начало страницы
 
+Цитировать сообщение
beast_drc
сообщение 31.10.2009, 15:53
Сообщение #34


Вставить ник

Cуправод
******

Группа: Модераторы
Сообщений: 6 059
Регистрация: 26.5.2007
Из: Россия Москва ЮАО-ЮВАО
Пользователь №: 1 333
Авто:'99 ('92/'96) JZA80 RZ-S AT LHD



YGODKIN Ты форум ваще читаешь? http://www.Supra-club.ru/board/index.php?showtopic=3656 все подробно, но еще до конца не дописано


--------------------
"Проще продать атмо старую Супру и купить турбо новую Супру" - Да, проще. Интереснее? - Однозначно НЕТ
SZ AT > RZ-S AT > RZ-S AT LHD
Перейти в начало страницы
 
+Цитировать сообщение
уху280
сообщение 7.11.2009, 1:43
Сообщение #35


Вставить ник

Суправод
**

Группа: Пользователи
Сообщений: 180
Регистрация: 25.7.2009
Из: Красноярск
Пользователь №: 3 694
Авто:Supra JZA80 ALMSF 2JZ GE



У тебя механические это точно ! Через часов так 20 выложу фото складывающихся !


--------------------
Продам Очень красивые колеса!
Перейти в начало страницы
 
+Цитировать сообщение

2 страниц V   1 2 >
Ответить в данную темуНачать новую тему
1 чел. читают эту тему (гостей: 1, скрытых пользователей: 0)
Пользователей: 0

 



RSS Текстовая версия Сейчас: 3.2.2026, 0:31