Здравствуйте, гость ( Вход | Регистрация )

Замок зажигания 80 кузов, при повороте ключа не всегда завдится - молчит стартер
михаил82
сообщение 7.10.2011, 12:01
Сообщение #1


Вставить ник


***

Группа: Пользователи
Сообщений: 430
Регистрация: 16.8.2011
Из: минеральные воды-саратов
Пользователь №: 6 237
Авто:Супра 80 5мт чёрний



Периодически стал проявляться вышеуказанный трабл, при повороте ключа до конца либо щёлкнет, либо молчит, когда ключ утопишь или надавишь в замке заводится, такая работа зажигания конечно не устраивает. Нужна помощь в плане консультации:
1. Что нужно менять? личинку или весь замок зажигания?
2. Курил поиск - не нашёл чтобы кто то уже ковырялся в замке, чтобы посмотреть как снимается/меняется. Прошу либо советом либо ссылкой.


--------------------
Перейти в начало страницы
 
+Цитировать сообщение
 
Начать новую тему
Ответов (1 - 14)
Zleid
сообщение 7.10.2011, 13:17
Сообщение #2


Вставить ник


*

Группа: Пользователи
Сообщений: 32
Регистрация: 25.2.2010
Из: Дубна
Пользователь №: 4 414
Авто:JZA80 RZ type



Подсказываю, как вытащить личину:
Эскизы прикрепленных изображений
Прикрепленное изображение


Прикрепленное изображение

 
Перейти в начало страницы
 
+Цитировать сообщение
Sub
сообщение 7.10.2011, 14:32
Сообщение #3


Вставить ник

Single wingless
******

Группа: Главные администраторы
Сообщений: 7 201
Регистрация: 16.2.2006
Из: Москва
Пользователь №: 5
Авто:10/96 JZA80 T67DBB 6MT, 09/00 UZS161 EUR



Подсказываю где взять эту картинку


--------------------
Новые запчасти в наличии и на заказ. Оригинал, неоригинал, масла, спецжидкости.


10/1996 || TT: Acre, AEM, Aeromotive, A'PEXi, ARP, ATP Turbo, BFGoodrich, Blitz, Brian Crower, Boost Logic, Carbonetic, Cusco, Eibach, GReddy, HKS, Innovate, K & N, Koyorad,
KYB, Michelin, Mickey Thompson, Precision, Recaro, Soara, Sound Performance, SSR, Summit, Synapse, Thermo Tec, Titan, Titek, Toyota, TRD, Trust, Walbro, Yokohama
+ Custom


Спорить с админом - всё равно, что биться с драконом. Вроде и пинка ему уже отвесил, и мечом потыкал, и кажется, что горло пристроился пилить, но тут ему надоело и он выдохнул...
Перейти в начало страницы
 
+Цитировать сообщение
михаил82
сообщение 7.10.2011, 17:05
Сообщение #4


Вставить ник


***

Группа: Пользователи
Сообщений: 430
Регистрация: 16.8.2011
Из: минеральные воды-саратов
Пользователь №: 6 237
Авто:Супра 80 5мт чёрний



Спасибо.
От оно чё.......а я в системе зажигания искал............оказывается в рулевом механизме надо было,
Вопрос ещё остался мне менять личинку или всю эту систему что на рисунке.

Сообщение отредактировал михаил82 - 7.10.2011, 17:08


--------------------
Перейти в начало страницы
 
+Цитировать сообщение
Ro_Ja
сообщение 14.12.2014, 0:39
Сообщение #5


Вставить ник


******

Группа: Активные пользователи
Сообщений: 2 596
Регистрация: 10.11.2011
Из: Санкт-Петербург
Пользователь №: 6 493
Авто:SZ aero top '94



Парни, подскажите номер клипсы, с помощью которой крепится прозрачная пластмасска с подсветкой к замку зажигания. Сломал эту клипсу, а на схеме найти не могу.


--------------------
Роха / @Tuzhikov_Dima
Перейти в начало страницы
 
+Цитировать сообщение
Ro_Ja
сообщение 14.12.2014, 22:57
Сообщение #6


Вставить ник


******

Группа: Активные пользователи
Сообщений: 2 596
Регистрация: 10.11.2011
Из: Санкт-Петербург
Пользователь №: 6 493
Авто:SZ aero top '94



Сделал фото для наглядности.
По фото видно какую клипсу на замке зажигания я сломал.

Ребята, помогайте пожалуйста, нужен номер или ссылка на страницу на схеме.
Эскизы прикрепленных изображений
Прикрепленное изображение

 


--------------------
Роха / @Tuzhikov_Dima
Перейти в начало страницы
 
+Цитировать сообщение
Ro_Ja
сообщение 17.12.2014, 21:44
Сообщение #7


Вставить ник


******

Группа: Активные пользователи
Сообщений: 2 596
Регистрация: 10.11.2011
Из: Санкт-Петербург
Пользователь №: 6 493
Авто:SZ aero top '94



Кроме меня, что никто не ломал эту клипсу?


--------------------
Роха / @Tuzhikov_Dima
Перейти в начало страницы
 
+Цитировать сообщение
Alex_GT
сообщение 17.12.2014, 22:30
Сообщение #8


Вставить ник


**

Группа: Пользователи
Сообщений: 178
Регистрация: 27.1.2011
Из: Санкт-Петербург
Пользователь №: 5 635
Авто:Supra JZA80



Как выглядит клипса?
Перейти в начало страницы
 
+Цитировать сообщение
Ro_Ja
сообщение 17.12.2014, 23:01
Сообщение #9


Вставить ник


******

Группа: Активные пользователи
Сообщений: 2 596
Регистрация: 10.11.2011
Из: Санкт-Петербург
Пользователь №: 6 493
Авто:SZ aero top '94



Alex_GT, примерно так:
(только что это даст...)


Прикрепленные изображения
Прикрепленное изображение
 


--------------------
Роха / @Tuzhikov_Dima
Перейти в начало страницы
 
+Цитировать сообщение
Ro_Ja
сообщение 17.12.2014, 23:07
Сообщение #10


Вставить ник


******

Группа: Активные пользователи
Сообщений: 2 596
Регистрация: 10.11.2011
Из: Санкт-Петербург
Пользователь №: 6 493
Авто:SZ aero top '94



Нашел, ура smile.gif

Эскизы прикрепленных изображений
Прикрепленное изображение

 


--------------------
Роха / @Tuzhikov_Dima
Перейти в начало страницы
 
+Цитировать сообщение
Alex_GT
сообщение 17.12.2014, 23:08
Сообщение #11


Вставить ник


**

Группа: Пользователи
Сообщений: 178
Регистрация: 27.1.2011
Из: Санкт-Петербург
Пользователь №: 5 635
Авто:Supra JZA80



Ну просто подобрать похожую).
Перейти в начало страницы
 
+Цитировать сообщение
master
сообщение 18.6.2015, 5:58
Сообщение #12


Вставить ник


****

Группа: Активные пользователи
Сообщений: 920
Регистрация: 31.3.2010
Из: Иркутск
Пользователь №: 4 538
Авто:Toyota Supra 1997г., 2JZ-GTE VVT-I, Getrag, белая (40)



Решил я убрать тупую кнопку запуска двигателя и переделать на ключ.
Фишка которая втыкается в замок зажигания была заботливо отрезана при установке кнопки запуска.
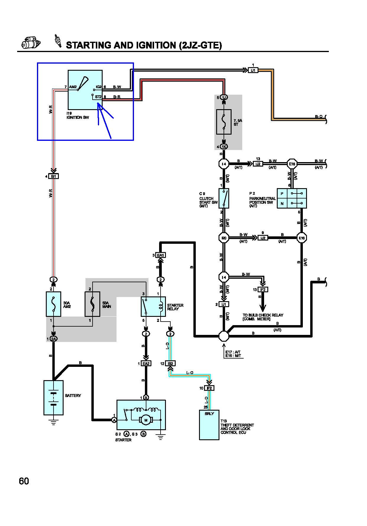
Замок зажигания приобрел, хотя нужна была только личинка, так вот на фишке замка зажигания каждый пин помечен ST1, ST2, AM1 и т.д., всего их СЕМЬ штук.
Полез в схемы дабы разобраться чего и куда подключать, ну и либо я туплю, либо в схемах опечатка. На первой схеме power source указано что на фишке I19 (которая вставляется в замок зажигания и у меня была отрезана) выводу ST1 соответствует 8 пин, я гляжу на подписи на замке зажигания, сопоставляю как фишка должна воткнуться в замок зажигания, ну и получается что ST1 должен быть на 1 пине, а не на 8.
Прикрепленное изображение


Далее смотрю схемы, буквально на следующей схеме, уже на восьмом пине фишки I19 указывается вывод ST2. что соответствует тому как фишка вставляется в замок зажигания. Далее по мануалу везде где на схемах попадается замок зажигания указывается ST2.

Прикрепленное изображение


Ну я так понял что это "очепятка" и вывод замка зажигания ST1 вообще не задействован, так ли это?
Перейти в начало страницы
 
+Цитировать сообщение
Sub
сообщение 18.6.2015, 13:09
Сообщение #13


Вставить ник

Single wingless
******

Группа: Главные администраторы
Сообщений: 7 201
Регистрация: 16.2.2006
Из: Москва
Пользователь №: 5
Авто:10/96 JZA80 T67DBB 6MT, 09/00 UZS161 EUR



Недавно копался там же.
В проводке используется 6 пинов (## 2, 3, 4, 6, 7, 8) и еще один не задействован (#1).

ACC замкнуты белый(2)+зеленый(3)
ON замкнуты белый(2)+зеленый(3)+черно-желтый(4), черно-белый(6)+бело-красный(7)
START замкнуты белый(2)+черно-желтый(4)+пустой слева от белого (1), черно-белый(6)+бело-красный(7)+черно-краный(8)


--------------------
Новые запчасти в наличии и на заказ. Оригинал, неоригинал, масла, спецжидкости.


10/1996 || TT: Acre, AEM, Aeromotive, A'PEXi, ARP, ATP Turbo, BFGoodrich, Blitz, Brian Crower, Boost Logic, Carbonetic, Cusco, Eibach, GReddy, HKS, Innovate, K & N, Koyorad,
KYB, Michelin, Mickey Thompson, Precision, Recaro, Soara, Sound Performance, SSR, Summit, Synapse, Thermo Tec, Titan, Titek, Toyota, TRD, Trust, Walbro, Yokohama
+ Custom


Спорить с админом - всё равно, что биться с драконом. Вроде и пинка ему уже отвесил, и мечом потыкал, и кажется, что горло пристроился пилить, но тут ему надоело и он выдохнул...
Перейти в начало страницы
 
+Цитировать сообщение
master
сообщение 29.6.2015, 4:12
Сообщение #14


Вставить ник


****

Группа: Активные пользователи
Сообщений: 920
Регистрация: 31.3.2010
Из: Иркутск
Пользователь №: 4 538
Авто:Toyota Supra 1997г., 2JZ-GTE VVT-I, Getrag, белая (40)



Замок зажигания подключил, все работает.
Но новая проблема возникла, сам замок зажигания у меня стоял, не было личинки, после того как все собрал/подключил малеха удивился, почему он так криво стоит относительно отверстия в пластике, этот так и есть или у меня замок зажигания пытались выломать да не смогли ? smile.gif
Номерок пластиковой черной вставки вокруг замка кто-нибудь знает? Никак не могу найти.
Прикрепленное изображение

Прикрепленное изображение

Сообщение отредактировал master - 29.6.2015, 4:17
Перейти в начало страницы
 
+Цитировать сообщение
drool
сообщение 29.6.2015, 10:24
Сообщение #15


Вставить ник

Суправод
******

Группа: Активные пользователи
Сообщений: 7 797
Регистрация: 20.7.2006
Из: Москва, САО
Пользователь №: 1 137
Авто:JZA80 `94/02 TT 6MT



Это нормально, кольцо встанет - оно натянет как надо )


--------------------
Мой телефон: 8-926-246-91-96
The BEST Supra - JZA80 TT 6MT
Перейти в начало страницы
 
+Цитировать сообщение

Ответить в данную темуНачать новую тему
1 чел. читают эту тему (гостей: 1, скрытых пользователей: 0)
Пользователей: 0

 



RSS Текстовая версия Сейчас: 26.11.2025, 5:23