Здравствуйте, гость ( Вход | Регистрация )

Свап 2JZ-GTE в Supra MA70
Artxayc
сообщение 3.4.2016, 5:10
Сообщение #1


Вставить ник


**

Группа: Пользователи
Сообщений: 131
Регистрация: 26.5.2014
Из: Курск
Пользователь №: 9 404
Авто:Toyota Supra mkIII 2jz-gte r154 aerotop LHD



Всем привет. Установлен 2 JZ-GTE с Аристо 147 на m/t R154 MA70. Тарга левый руль.
Добавлю несколько фото для привлечения к моей теме побольше внимания со стороны бывалых форумчан :-)
Прикрепленное изображение

Прикрепленное изображение


Проблем несколько:
1. Не подключена фишка с коробки (дает сигнал на фонари заднего хода). Причина: отсутствует часть провода от салонной фишки к фишке с коробки. Ищу фишку в салоне, нужно фото или инфа по цвету/количеству пинов на ней.
2. Не подключен точно так же краник печки (открывает подачу антифриза на печку), который под капотом и в него заходит шланг из гбц двс. Просто висит с него 2х пиновая +/- фишка. Причина: отсутствует часть провода от салонной фишки к фишке с краника. Ищу фишку в салоне, нужно фото или инфа по цвету/количеству пинов на ней.
3. На приборке не работает датчик буста, давление масла, температура воды.
4. Перегрев (основная проблема). Большой кастомный радиатор. Гидровентилятор большой с Аристо. Помпа с маслонасосом. С помпы вроди не льется. Вентилятор крутится, хотя цепляется немного о кожух (механик, которого просил подогнать так и не справился) Тянет воздух в подкапотное. Термостат исправен, проверен - заменен на другой. Трубки снимал, силиконил, переобтягивал новыми хомутами и заливал антифриз по новой, с новым термостатом - снова перегрев. Установлен маслокулер, проставка с термостатом и выносом фильтра. Хоть вода и вскипела при перегреве - маслокулер остался холодным на ощупь, шланги из блока до проставки с фильтром очень горячие, а шланги от проставки к кулеру теплые только в той части, что ближе к проставке. Мысли: возможно дело все-таки в: а) помпе, думаю снять и обследовать на люфты и т.д. (не особо шарю) б) волшебно-въедливая воздушная пробка в моторе(может остатки тосола в печке от старого владельца и 7м) в) пробка 0,9 на радиаторе пропускает (маловероятно, пробка как и радик новые) г) ослабший маслонасос гидровентилятора(?) д) топливная смесь(?) е) ктулху (?)
Хелп ребята! Мучаюсь долго.

Сообщение отредактировал Artxayc - 6.4.2016, 0:40


--------------------
Перейти в начало страницы
 
+Цитировать сообщение
4 страниц V   1 2 3 > »   
Начать новую тему
Ответов (1 - 65)
Denis
сообщение 3.4.2016, 5:21
Сообщение #2


Вставить ник


**

Группа: Пользователи
Сообщений: 118
Регистрация: 11.8.2012
Из: Красноярск
Пользователь №: 7 361
Авто:Toyota Supra JZA80 2JZ-GTE RZ-S 6M



может тряпка где или чем затыкали патрубки когда мотор снят был


--------------------
Огородник может решать, что хорошо для моркови, но никто не может решать за другого, что есть благо.
Перейти в начало страницы
 
+Цитировать сообщение
lexa752004
сообщение 3.4.2016, 15:47
Сообщение #3


Вставить ник


*

Группа: Пользователи
Сообщений: 58
Регистрация: 20.4.2011
Из: Краснодар
Пользователь №: 5 888
Авто:Toyota Supra JZA70 A/T тарга



У меня на сток радиаторе не греется. стоит электро вентиль. гидронасос закольцова
Датчик буста и не будет работать, на него нужен МАП.
По давлению масла. На приборке лампочка?
напиши в личку номер ватсап, подскажу и покажу по проводам


--------------------
Перейти в начало страницы
 
+Цитировать сообщение
Artxayc
сообщение 3.4.2016, 23:14
Сообщение #4


Вставить ник


**

Группа: Пользователи
Сообщений: 131
Регистрация: 26.5.2014
Из: Курск
Пользователь №: 9 404
Авто:Toyota Supra mkIII 2jz-gte r154 aerotop LHD



По перегреву: термостат - норм, помпа рукой прокручивалась - звук булькающей воды, лишних шумов нет. Останавливался гидровентилятор о кожух - исправлено. Остается вопрос с воздушной пробкой. Завтра буду мучать двигло и печку. Есть еще вопрос по гидровентилятору. Какое лучше по вязкости масло? Заливали горе-механики, вязкозть не помню, сказали что то же что для гура. Видел мельком черную 2х литровую баклажку с красным канадским кленовым листом. Цвет масла - красный. Вязкость, так думаю, на скорость и мощьность вентилятора может влиять.
По фишкам краника печки и фонарей заднего хода - вопрос открыт...


--------------------
Перейти в начало страницы
 
+Цитировать сообщение
Andrey_22
сообщение 4.4.2016, 5:57
Сообщение #5


Вставить ник


******

Группа: Пользователи
Сообщений: 2 507
Регистрация: 3.6.2011
Из: г.Барнаул
Пользователь №: 6 015
Авто:Supra JZA80 2JZ-GTE VVT-i AT 01г.



Artxayc, http://www.supra-club.ru/board/index.php?s...75&hl=муфта
Перейти в начало страницы
 
+Цитировать сообщение
Artxayc
сообщение 4.4.2016, 12:06
Сообщение #6


Вставить ник


**

Группа: Пользователи
Сообщений: 131
Регистрация: 26.5.2014
Из: Курск
Пользователь №: 9 404
Авто:Toyota Supra mkIII 2jz-gte r154 aerotop LHD



Andrey_22, я так понял этот гайд на тот случай если вентилятор рукой сложно прокрутить раз изношено масло в муфте. Но у меня крутится рукой спокойно на холодную. Гайд полезный, спасибо. Интересно какое масло лить в бачок для вентилятора. Заливалась жидкость для АКПП Petro-Canada Декстрон 3

Сообщение отредактировал Artxayc - 4.4.2016, 12:14


--------------------
Перейти в начало страницы
 
+Цитировать сообщение
Artxayc
сообщение 6.4.2016, 0:20
Сообщение #7


Вставить ник


**

Группа: Пользователи
Сообщений: 131
Регистрация: 26.5.2014
Из: Курск
Пользователь №: 9 404
Авто:Toyota Supra mkIII 2jz-gte r154 aerotop LHD



Сегодня все собрал и залил жидкости. Воздух получилось выгнать, печка чудесным образом заработала и дует горячим воздухом (краник печки пришлось открыть вручную, подняв колено актуатора и зафиксировать хомутом). От соленоида краника к актуатору краника подсоединен шланг, а от соленоида к вакууму отсутствует (на фото). Вопрос: на каком контуре взять вакуум с джея (не избыточное давление, а постоянный вакуум!) фишку от соленоида все так же не нашел куда зацепить (фото ниже) Сделал так же фото свободных фишек заодно в зоне бардачка (серая и белая) Так же фото 2 фишек за магнитолой. Белая и сборная желтая. Есть еще одна белая свободная в зоне коробки. И одна под седушкой на косе регулировки поддержек боковых и поясничной. Возможно подогрев или хз. Недостающие фото добавлю. Гидровентилятор, кстати, на холодную и на прогретом двигателе, по ощущениям прокручивается рукой одинакого. Возможно действительно стоит разобрать муфту и залить 10к силиконовое масло. Тут тоже возникает вопрос по маслонасосу вентилятора: сколько режимов работы есть у него. Возможно компьютер напряжение может менять как в бензонасосе 9 и 12 вольт? На его фишке всего 2 пина, я так понимаю + и - . Просто предположение*
Прикрепленное изображение




Прикрепленное изображение



Прикрепленное изображение


Эта в зоне ручки кпп.

Прикрепленное изображение


Сообщение отредактировал Artxayc - 6.4.2016, 0:49
Эскизы прикрепленных изображений

Прикрепленное изображение

 


--------------------
Перейти в начало страницы
 
+Цитировать сообщение
Artxayc
сообщение 6.4.2016, 0:30
Сообщение #8


Вставить ник


**

Группа: Пользователи
Сообщений: 131
Регистрация: 26.5.2014
Из: Курск
Пользователь №: 9 404
Авто:Toyota Supra mkIII 2jz-gte r154 aerotop LHD



Большая серая над кондеем. Белую гребенку скину позже.
Эти два за магнитолой.
Прикрепленное изображение


Сообщение отредактировал Artxayc - 6.4.2016, 0:54


--------------------
Перейти в начало страницы
 
+Цитировать сообщение
ipmshik
сообщение 6.4.2016, 9:05
Сообщение #9


Вставить ник


*

Группа: Пользователи
Сообщений: 57
Регистрация: 27.10.2011
Из: Москва
Пользователь №: 6 455
Авто:GA70 + 1JZ-GTE TT + A341E



вдруг будет полезно
http://supramania.ru/forum/index.php?showtopic=9540
Перейти в начало страницы
 
+Цитировать сообщение
Artxayc
сообщение 6.4.2016, 17:25
Сообщение #10


Вставить ник


**

Группа: Пользователи
Сообщений: 131
Регистрация: 26.5.2014
Из: Курск
Пользователь №: 9 404
Авто:Toyota Supra mkIII 2jz-gte r154 aerotop LHD



ipmshik, голову сломать можно) но спасибо. Может пригодится.
Вот еще обещанные фотки.
Это те 2 свободные фишки над кондеем - папа/мама и цвет проводов соответственно.
Прикрепленное изображение


Вторая фишка от косы водительской сидушки. Первая фишка подключена и уходит в спинку(регулирует поддержку боковую и поясничную)

Прикрепленное изображение


Цвета проводов на нее

Прикрепленное изображение


Эта заходит в спинку сиденья с той же косы

Прикрепленное изображение


Сообщение отредактировал Artxayc - 6.4.2016, 17:27


--------------------
Перейти в начало страницы
 
+Цитировать сообщение
Sub
сообщение 6.4.2016, 17:40
Сообщение #11


Вставить ник

Single wingless
******

Группа: Главные администраторы
Сообщений: 7 201
Регистрация: 16.2.2006
Из: Москва
Пользователь №: 5
Авто:10/96 JZA80 T67DBB 6MT, 09/00 UZS161 EUR



Цитата(Artxayc @ 4.4.2016, 13:11) *
Andrey_22, я так понял этот гайд на тот случай если вентилятор рукой сложно прокрутить раз изношено масло в муфте. Но у меня крутится рукой спокойно на холодную. Гайд полезный, спасибо. Интересно какое масло лить в бачок для вентилятора. Заливалась жидкость для АКПП Petro-Canada Декстрон 3

Нет. Когда вискомуфта стареет, то она начинает проскальзывать больше положенного на горячую. Ее становится легко остановить рукой. Поэтому ухудшается обдув радиатора и появляются проблемы с перегревом.
На холодную она и должна легко проскальзывать. В этот момент и не нужен сильный обдув. При нагреве срабатывает термопружинка, открывает канал и масло перетекает куда нужно, чтобы увеличить сопротивление проскальзыванию.


--------------------
Новые запчасти в наличии и на заказ. Оригинал, неоригинал, масла, спецжидкости.


10/1996 || TT: Acre, AEM, Aeromotive, A'PEXi, ARP, ATP Turbo, BFGoodrich, Blitz, Brian Crower, Boost Logic, Carbonetic, Cusco, Eibach, GReddy, HKS, Innovate, K & N, Koyorad,
KYB, Michelin, Mickey Thompson, Precision, Recaro, Soara, Sound Performance, SSR, Summit, Synapse, Thermo Tec, Titan, Titek, Toyota, TRD, Trust, Walbro, Yokohama
+ Custom


Спорить с админом - всё равно, что биться с драконом. Вроде и пинка ему уже отвесил, и мечом потыкал, и кажется, что горло пристроился пилить, но тут ему надоело и он выдохнул...
Перейти в начало страницы
 
+Цитировать сообщение
Artxayc
сообщение 6.4.2016, 17:46
Сообщение #12


Вставить ник


**

Группа: Пользователи
Сообщений: 131
Регистрация: 26.5.2014
Из: Курск
Пользователь №: 9 404
Авто:Toyota Supra mkIII 2jz-gte r154 aerotop LHD



Обнаружена еще одна неопознанная фишка xD заходит из косы с улицы в ногах пассажира из отверстия рядос предами.
Прикрепленное изображение



Прикрепленное изображение


Sub, чтож...попробую разобрать и заменить масло. Благо воздуха уже в системе нет и пробку 0.9 заменил на 1.1. Еще остается вопрос по крану печки: нужен вакуум для оттягивания колена в актуаторе. А на соленоид сигналы в салоне найти xD

Сообщение отредактировал Artxayc - 8.4.2016, 1:42


--------------------
Перейти в начало страницы
 
+Цитировать сообщение
Sub
сообщение 6.4.2016, 17:53
Сообщение #13


Вставить ник

Single wingless
******

Группа: Главные администраторы
Сообщений: 7 201
Регистрация: 16.2.2006
Из: Москва
Пользователь №: 5
Авто:10/96 JZA80 T67DBB 6MT, 09/00 UZS161 EUR



MA70 была изначально атмо или турбо?
Если печки на них различаются (что вряд ли, ибо странно), тогда наверно надо менять печку на от турбо.
Если одинаковые, то надо подключить туда же, где она и на турбо подключена. Если в коллектор, значит туда. Если в системе присутствует вакуумный бачок как на JZA80, то может подключаться после него. Поднимай вакуумные диаграммы.


--------------------
Новые запчасти в наличии и на заказ. Оригинал, неоригинал, масла, спецжидкости.


10/1996 || TT: Acre, AEM, Aeromotive, A'PEXi, ARP, ATP Turbo, BFGoodrich, Blitz, Brian Crower, Boost Logic, Carbonetic, Cusco, Eibach, GReddy, HKS, Innovate, K & N, Koyorad,
KYB, Michelin, Mickey Thompson, Precision, Recaro, Soara, Sound Performance, SSR, Summit, Synapse, Thermo Tec, Titan, Titek, Toyota, TRD, Trust, Walbro, Yokohama
+ Custom


Спорить с админом - всё равно, что биться с драконом. Вроде и пинка ему уже отвесил, и мечом потыкал, и кажется, что горло пристроился пилить, но тут ему надоело и он выдохнул...
Перейти в начало страницы
 
+Цитировать сообщение
Artxayc
сообщение 6.4.2016, 19:20
Сообщение #14


Вставить ник


**

Группа: Пользователи
Сообщений: 131
Регистрация: 26.5.2014
Из: Курск
Пользователь №: 9 404
Авто:Toyota Supra mkIII 2jz-gte r154 aerotop LHD



Sub, 7M-GTE в ней стоял. В том и проблема, что машина без двигателя досталась. Куда раньше он подключался хз. В любом случае это вакуум с двигателя. Теперь его нужно взять с 2JZ-GTE. Неплохо если кто-нибудь ткнул пальцем - я туда через тройник это дело зацепил.


--------------------
Перейти в начало страницы
 
+Цитировать сообщение
Sub
сообщение 6.4.2016, 20:31
Сообщение #15


Вставить ник

Single wingless
******

Группа: Главные администраторы
Сообщений: 7 201
Регистрация: 16.2.2006
Из: Москва
Пользователь №: 5
Авто:10/96 JZA80 T67DBB 6MT, 09/00 UZS161 EUR



Ну прям вот вакуум ты не найдешь. Такой, чтоб постоянно был. Во впускном коллекторе он там только при закрытом дросселе.
Но вакуумный усилитель тормозов ведь работает. Просто на входе стоит клапан, который не пускает туда буст. Здесь то же самое прокатит. А вообще, ты уверен, что для работы этого актюатора нужен именно вакуум, а не давление?


--------------------
Новые запчасти в наличии и на заказ. Оригинал, неоригинал, масла, спецжидкости.


10/1996 || TT: Acre, AEM, Aeromotive, A'PEXi, ARP, ATP Turbo, BFGoodrich, Blitz, Brian Crower, Boost Logic, Carbonetic, Cusco, Eibach, GReddy, HKS, Innovate, K & N, Koyorad,
KYB, Michelin, Mickey Thompson, Precision, Recaro, Soara, Sound Performance, SSR, Summit, Synapse, Thermo Tec, Titan, Titek, Toyota, TRD, Trust, Walbro, Yokohama
+ Custom


Спорить с админом - всё равно, что биться с драконом. Вроде и пинка ему уже отвесил, и мечом потыкал, и кажется, что горло пристроился пилить, но тут ему надоело и он выдохнул...
Перейти в начало страницы
 
+Цитировать сообщение
саша.
сообщение 6.4.2016, 20:52
Сообщение #16


Вставить ник


*

Группа: Пользователи
Сообщений: 82
Регистрация: 27.1.2013
Из: minsk
Пользователь №: 7 764
Авто:Supra MA70 2JZ-GTE VVTI&mtR154, nissan300zx z32 vg30dett&at



нужен вакуум вакуумная трубка идет по заводу на этот клапан и на сенсор наддува (на левом стакане ближе к салону) вакуум можно подключить просто от коллектора, кстати этот клапан можно выкинуть вообще... печка и заслонками при горячем радиаторе регулируется... чек подсоединил??? не горит на моторе???


--------------------
Если кажется, что все в порядке, - значит, вы что-то просмотрели
Перейти в начало страницы
 
+Цитировать сообщение
Sub
сообщение 6.4.2016, 20:55
Сообщение #17


Вставить ник

Single wingless
******

Группа: Главные администраторы
Сообщений: 7 201
Регистрация: 16.2.2006
Из: Москва
Пользователь №: 5
Авто:10/96 JZA80 T67DBB 6MT, 09/00 UZS161 EUR



Ну вот "просто от коллектора" - это не вакуум, а "вакуум". На бусте там будет давление, при закрытом дросселе - вакуум.


--------------------
Новые запчасти в наличии и на заказ. Оригинал, неоригинал, масла, спецжидкости.


10/1996 || TT: Acre, AEM, Aeromotive, A'PEXi, ARP, ATP Turbo, BFGoodrich, Blitz, Brian Crower, Boost Logic, Carbonetic, Cusco, Eibach, GReddy, HKS, Innovate, K & N, Koyorad,
KYB, Michelin, Mickey Thompson, Precision, Recaro, Soara, Sound Performance, SSR, Summit, Synapse, Thermo Tec, Titan, Titek, Toyota, TRD, Trust, Walbro, Yokohama
+ Custom


Спорить с админом - всё равно, что биться с драконом. Вроде и пинка ему уже отвесил, и мечом потыкал, и кажется, что горло пристроился пилить, но тут ему надоело и он выдохнул...
Перейти в начало страницы
 
+Цитировать сообщение
Artxayc
сообщение 6.4.2016, 21:15
Сообщение #18


Вставить ник


**

Группа: Пользователи
Сообщений: 131
Регистрация: 26.5.2014
Из: Курск
Пользователь №: 9 404
Авто:Toyota Supra mkIII 2jz-gte r154 aerotop LHD



саша., чек горит периодически, пока не понял из-за чего возникает. Возможно из-за свечек подтраивает как прогреется и обороты опустятся. Угол опережения зажигания не настраивал, так понимаю дпдз регулировать надо. Как свечи ставил - нормально. Сейчас подзасрались. Ставил иридиевые денсо ик20., хочу попробовать 8 или 9 нгк...как разбогатею. За левым стаканом...имеешь ввиду с водительской на леворучке? Там бачки тормозухи и сцепы. Где там вакуум не совсем понимаю. Но есть 2 трубки металлических выходящих из салона гдето снизу ближе к рулевой. Гнутые, идут над двигателем вдоль стенки и приходят на правую сторону. Они как раз пустые (давно ломаю голову зачем они) под ними идут такие же трубки на абс.
Sub, теоретически, если взять от коллектора ветку к актуатору нужно не дать давлению проходить к актуатору однонаправленным клапаном. У меня есть такой. С двух сторон носики для шлангов, а в центре мембрана. Воздух проходит только в одном направлении. Вот если его установить пропускной стороной к коллектору сработает? На самом деле хочу найти для начала заводской вакуум.


--------------------
Перейти в начало страницы
 
+Цитировать сообщение
Sub
сообщение 7.4.2016, 13:55
Сообщение #19


Вставить ник

Single wingless
******

Группа: Главные администраторы
Сообщений: 7 201
Регистрация: 16.2.2006
Из: Москва
Пользователь №: 5
Авто:10/96 JZA80 T67DBB 6MT, 09/00 UZS161 EUR



Artxayc, ты понимаешь, что играешь в угадайку? А всего-то надо найти или другую 70-ку, или просто вакуумную диаграмму и посмотреть, как должно быть подключено. Ну и в каталог запчастей заглянуть, там тоже можно что-нибудь разглядеть.

УОЗ мозг сам выставит, ты его не сможешь отрегулировать. ДПДЗ к нему не имеет прямого отношения, но настроить по мануалу все равно нужно.
На время поиска и исправления косяков поставь BKR6E или BKR7E. Незачем на дорогих свечах экспериментировать. На нормально работающем моторе платиновые у меня проходили 80 тыс. км и все еще были в норме.


--------------------
Новые запчасти в наличии и на заказ. Оригинал, неоригинал, масла, спецжидкости.


10/1996 || TT: Acre, AEM, Aeromotive, A'PEXi, ARP, ATP Turbo, BFGoodrich, Blitz, Brian Crower, Boost Logic, Carbonetic, Cusco, Eibach, GReddy, HKS, Innovate, K & N, Koyorad,
KYB, Michelin, Mickey Thompson, Precision, Recaro, Soara, Sound Performance, SSR, Summit, Synapse, Thermo Tec, Titan, Titek, Toyota, TRD, Trust, Walbro, Yokohama
+ Custom


Спорить с админом - всё равно, что биться с драконом. Вроде и пинка ему уже отвесил, и мечом потыкал, и кажется, что горло пристроился пилить, но тут ему надоело и он выдохнул...
Перейти в начало страницы
 
+Цитировать сообщение
Artxayc
сообщение 7.4.2016, 15:57
Сообщение #20


Вставить ник


**

Группа: Пользователи
Сообщений: 131
Регистрация: 26.5.2014
Из: Курск
Пользователь №: 9 404
Авто:Toyota Supra mkIII 2jz-gte r154 aerotop LHD



Sub, к сожалению в нашем селе нет больше 70ток) трубка неопознанная из салона никаких признаков жизни не дает. Воздух не циркулирует. Фото самой ирубки ниже. Подозреваю что она имеет отношение к круиз контролю от 70.
Прикрепленное изображение


--------------------
Перейти в начало страницы
 
+Цитировать сообщение
Artxayc
сообщение 7.4.2016, 16:18
Сообщение #21


Вставить ник


**

Группа: Пользователи
Сообщений: 131
Регистрация: 26.5.2014
Из: Курск
Пользователь №: 9 404
Авто:Toyota Supra mkIII 2jz-gte r154 aerotop LHD



По вопросу с муфтой. Немогу найти силиконовое масло. Вэтой теме лили 10000Cst
http://www.supra-club.ru/board/index.php?s...%EC%F3%F4%F2%E0
Так же указано масло 08816-10001 в магазине сообщили что единственное цифровое обозначение у него 1000. Объем тюбика не указан, аналоги найти не могут, цена 870 рэ. Ждать 2 недели. Помогите с силиконовым маслом для муфты! Название, номер или др. и какой объем нужен. А то 870 рублей за объем в 10 мл. при, скажем, необходимых 50-60 мягко говоря не выгодно.



Сообщение отредактировал Artxayc - 7.4.2016, 16:30


--------------------
Перейти в начало страницы
 
+Цитировать сообщение
саша.
сообщение 7.4.2016, 22:18
Сообщение #22


Вставить ник


*

Группа: Пользователи
Сообщений: 82
Регистрация: 27.1.2013
Из: minsk
Пользователь №: 7 764
Авто:Supra MA70 2JZ-GTE VVTI&mtR154, nissan300zx z32 vg30dett&at



у меня подсоединено от коллектора и все работает...
чек загорается если мозг автоматный, его нужно присобачить к датчику спидометра, или еще какому нить, мозг не видит движения, от этого и чек загорается... я это уже проходил...

Сообщение отредактировал саша. - 7.4.2016, 22:20


--------------------
Если кажется, что все в порядке, - значит, вы что-то просмотрели
Перейти в начало страницы
 
+Цитировать сообщение
Artxayc
сообщение 8.4.2016, 1:11
Сообщение #23


Вставить ник


**

Группа: Пользователи
Сообщений: 131
Регистрация: 26.5.2014
Из: Курск
Пользователь №: 9 404
Авто:Toyota Supra mkIII 2jz-gte r154 aerotop LHD



По поводу вакуума для краника.
На ма над двигателем проходила рейка из которой шел вакуум на краник. Сейчас отсутствует. С нее снят шланг с односторонним клапаном и по аналогии взят вакуум с 2JZ. В данный момент ваккуум подключен напрямую к кранику от коллектора. В результате, при заводе двигателя, открывается краник печки и все работает. Давление исключается клапаном. Фото ниже.

Прикрепленное изображение

Так все должно быть подключено при запитанном соленоиде. Накинул для примера.(фишка с сигналами на него в салоне все еще не найдена)
Прикрепленное изображение

Найдено, по случаю, изображение в сети с подобным подключением.

Прикрепленное изображение

Свободная трубка, о которой говорил, по всей видимости со снятого угольного бачка xD название забыл. На последнем фото он из-за угла выглядывает. Выполняет роль фильтра, я так понимаю. В данный момент отсутствует. Потому глушу трубку, чтобы не попадала пыль или вода.

Прикрепленное изображение


Прикрепленное изображение






--------------------
Перейти в начало страницы
 
+Цитировать сообщение
Artxayc
сообщение 8.4.2016, 1:33
Сообщение #24


Вставить ник


**

Группа: Пользователи
Сообщений: 131
Регистрация: 26.5.2014
Из: Курск
Пользователь №: 9 404
Авто:Toyota Supra mkIII 2jz-gte r154 aerotop LHD



саша., я еще не трогаюсь и чек горит. Этого небыло пару недель назад - после завода двигателя, как и лампочка аккумулятора гасла. Спидометр работает от тросика, не представляю как и зачем подключать чек. Ко всему-прочему проблема с показаниями приборов: масла, температуры воды и давления буста. Родной датчик буста подключен к коллектору и запитан от родной трехпиновой фишки, в стартовом положении ключа поднимартся с -2 на ноль, но после завода опускается и более не реагирует. Стрелка давления масла также опускается после завода. Температура воды при прогреве плавно уходит в максимальное положение. lexa752004 подсказал что нужно подключить фишку с 2мя коричневыми проводами, иначе может зашкаливать. Говорит это масса. Вот только я не понял что это за фишка. Заметил реальную проблему при заводе (так как бустконтроллер подключен к питанию с мозга) перезапускается дисплей контроллера с явными помехами на экране и слышен повторяющийся звук его соленоида под капотом. Машина частенько при такой проблеме подолгу не заводится. Так подозреваю пропадает питание с эбу. И наоборот, после остановки двигателя продолжает работать насос, дисплей контроллера и шлз (питание с эбу не пропадает) потом слышу щелчок реле под панелью у пассажира и все отключается. Но бывает и нет. Тогда приходится скидывать минусовую клему. Эта проблема возникает и пропадает периодически.

Сообщение отредактировал Artxayc - 8.4.2016, 1:36


--------------------
Перейти в начало страницы
 
+Цитировать сообщение
саша.
сообщение 8.4.2016, 8:46
Сообщение #25


Вставить ник


*

Группа: Пользователи
Сообщений: 82
Регистрация: 27.1.2013
Из: minsk
Пользователь №: 7 764
Авто:Supra MA70 2JZ-GTE VVTI&mtR154, nissan300zx z32 vg30dett&at



для работы приборов делается все достаточно просто... покупаются сенсоры давления масла и температуры воды и вкручиваются в 2JZ... c давлением масла проблем нет выкрутил один, вкрутил второй, а вот с температурой воды у меня на VVT-i пришлось сверлить отверстие, нарезать резьбу, родной датчик от 7m однопроводной подключил и все... родной датчик буста выкинуть можно... он все равно у меня всегда зашкаливает, как вариант туда с атмосферки поставить датчик напряжения...


--------------------
Если кажется, что все в порядке, - значит, вы что-то просмотрели
Перейти в начало страницы
 
+Цитировать сообщение
Sub
сообщение 8.4.2016, 13:56
Сообщение #26


Вставить ник

Single wingless
******

Группа: Главные администраторы
Сообщений: 7 201
Регистрация: 16.2.2006
Из: Москва
Пользователь №: 5
Авто:10/96 JZA80 T67DBB 6MT, 09/00 UZS161 EUR



Artxayc, чтобы работала твоя приборка, датчики давления масла, давления воздуха и температуры антифриза должны стоять от 70-ки, а не от 2JZ.

То, что насос сразу не отключается - так и должно быть, реле срабатывает секунды через 2-3 после остановки двигателя. Но раз залипает и не отключается вообще, то надо искать причину.


--------------------
Новые запчасти в наличии и на заказ. Оригинал, неоригинал, масла, спецжидкости.


10/1996 || TT: Acre, AEM, Aeromotive, A'PEXi, ARP, ATP Turbo, BFGoodrich, Blitz, Brian Crower, Boost Logic, Carbonetic, Cusco, Eibach, GReddy, HKS, Innovate, K & N, Koyorad,
KYB, Michelin, Mickey Thompson, Precision, Recaro, Soara, Sound Performance, SSR, Summit, Synapse, Thermo Tec, Titan, Titek, Toyota, TRD, Trust, Walbro, Yokohama
+ Custom


Спорить с админом - всё равно, что биться с драконом. Вроде и пинка ему уже отвесил, и мечом потыкал, и кажется, что горло пристроился пилить, но тут ему надоело и он выдохнул...
Перейти в начало страницы
 
+Цитировать сообщение
ipmshik
сообщение 8.4.2016, 15:30
Сообщение #27


Вставить ник


*

Группа: Пользователи
Сообщений: 57
Регистрация: 27.10.2011
Из: Москва
Пользователь №: 6 455
Авто:GA70 + 1JZ-GTE TT + A341E



"датчики давления масла, давления воздуха и температуры антифриза должны стоять от 70-ки, а не от 2JZ."
не обязательно
Перейти в начало страницы
 
+Цитировать сообщение
Sub
сообщение 8.4.2016, 16:24
Сообщение #28


Вставить ник

Single wingless
******

Группа: Главные администраторы
Сообщений: 7 201
Регистрация: 16.2.2006
Из: Москва
Пользователь №: 5
Авто:10/96 JZA80 T67DBB 6MT, 09/00 UZS161 EUR



Конечно. Могут быть любые. Лишь бы характеристика была правильная. Просто проще взять от 70-ки, чем искать какие-то другие


--------------------
Новые запчасти в наличии и на заказ. Оригинал, неоригинал, масла, спецжидкости.


10/1996 || TT: Acre, AEM, Aeromotive, A'PEXi, ARP, ATP Turbo, BFGoodrich, Blitz, Brian Crower, Boost Logic, Carbonetic, Cusco, Eibach, GReddy, HKS, Innovate, K & N, Koyorad,
KYB, Michelin, Mickey Thompson, Precision, Recaro, Soara, Sound Performance, SSR, Summit, Synapse, Thermo Tec, Titan, Titek, Toyota, TRD, Trust, Walbro, Yokohama
+ Custom


Спорить с админом - всё равно, что биться с драконом. Вроде и пинка ему уже отвесил, и мечом потыкал, и кажется, что горло пристроился пилить, но тут ему надоело и он выдохнул...
Перейти в начало страницы
 
+Цитировать сообщение
Artxayc
сообщение 8.4.2016, 16:52
Сообщение #29


Вставить ник


**

Группа: Пользователи
Сообщений: 131
Регистрация: 26.5.2014
Из: Курск
Пользователь №: 9 404
Авто:Toyota Supra mkIII 2jz-gte r154 aerotop LHD



Sub, да, что-то замыкает или реле залипает. Датчик давления воздуха от 70ки стоит.
Вопрос по силиконовому маслу для муфты открыт. Хелп!


--------------------
Перейти в начало страницы
 
+Цитировать сообщение
ipmshik
сообщение 8.4.2016, 17:23
Сообщение #30


Вставить ник


*

Группа: Пользователи
Сообщений: 57
Регистрация: 27.10.2011
Из: Москва
Пользователь №: 6 455
Авто:GA70 + 1JZ-GTE TT + A341E



про силикон ответили подробнее некуда в профильной теме
Перейти в начало страницы
 
+Цитировать сообщение
Artxayc
сообщение 8.4.2016, 21:17
Сообщение #31


Вставить ник


**

Группа: Пользователи
Сообщений: 131
Регистрация: 26.5.2014
Из: Курск
Пользователь №: 9 404
Авто:Toyota Supra mkIII 2jz-gte r154 aerotop LHD



Нашел датчики, а вот фишек от них нет...на датчик воды я клемку найду какую-нибудь, а вот с баклушей датчика дм незнаю как быть. Так понимаю оба одноконтактные, нужно только плюс цеплять, а масса на корпусе.
Прикрепленное изображение



--------------------
Перейти в начало страницы
 
+Цитировать сообщение
Artxayc
сообщение 8.4.2016, 21:23
Сообщение #32


Вставить ник


**

Группа: Пользователи
Сообщений: 131
Регистрация: 26.5.2014
Из: Курск
Пользователь №: 9 404
Авто:Toyota Supra mkIII 2jz-gte r154 aerotop LHD



Вот такая беда под задним бампером. Остатки крепежа рейки бампера к заднему усилителю. Думаю высверлить. Рейка есть. Вопрос только в том есть ли там резьба на усилителе или эти шпильки/остатки болтиков приварены к проходящей внутри усилителя рейке.
Прикрепленное изображение


Прикрепленное изображение



--------------------
Перейти в начало страницы
 
+Цитировать сообщение
Artxayc
сообщение 14.4.2016, 22:25
Сообщение #33


Вставить ник


**

Группа: Пользователи
Сообщений: 131
Регистрация: 26.5.2014
Из: Курск
Пользователь №: 9 404
Авто:Toyota Supra mkIII 2jz-gte r154 aerotop LHD



Сегодня закончил с установкой накладок. Высверлил все гнилые болты по заднице и даже использовал для кастомного крепежа. Решил переставить, но акум от долгой стоянки умер.
Прикрепленное изображение


Прикрепленное изображение


Прикрепленное изображение


Прикрепленное изображение


Прикрепленное изображение

В ожидании силиконового масла для муфты...заказал тойотовское 3000 один флакон. И болтик гура. На перекуре зачистил датчики. Мелочь, но приятная) Буду разбирать перед для того что бы вытащить муфту - заодно поменяю датчик дм. Для датчика воды метчик не найден. Резьбу думаю нарезать в стандартном месте. Ужасно неудобное для работы...

Прикрепленное изображение


Прикрепленное изображение



--------------------
Перейти в начало страницы
 
+Цитировать сообщение
Artxayc
сообщение 16.4.2016, 23:23
Сообщение #34


Вставить ник


**

Группа: Пользователи
Сообщений: 131
Регистрация: 26.5.2014
Из: Курск
Пользователь №: 9 404
Авто:Toyota Supra mkIII 2jz-gte r154 aerotop LHD



Масло пришло, но видимо не понадобится. Вискомуфты в гидровентиляторе нет. Простейшая и надежная механика. Разобрал, посмотрел - состояние "ок". Теперь думаю как заставить крутиться быстрее. Сниму напряжение с фишки на масляный насос (гонит масло в привод вентилятора, стоит на помпе воды, подача +/-). Надеюсь обнаружить 9 вольт, тобишь один из возможных режимов. Если обнаружится 12 вольт, то проблема в насосе или в самой жидкости. Залит petro canada dextron 3 как и в гур. Возможно дело в вязкости и нужно что-то другое.
Прикрепленное изображение


Прикрепленное изображение


Прикрепленное изображение


Прикрепленное изображение

Прикрепленное изображение


--------------------
Перейти в начало страницы
 
+Цитировать сообщение
саша.
сообщение 16.4.2016, 23:26
Сообщение #35


Вставить ник


*

Группа: Пользователи
Сообщений: 82
Регистрация: 27.1.2013
Из: minsk
Пользователь №: 7 764
Авто:Supra MA70 2JZ-GTE VVTI&mtR154, nissan300zx z32 vg30dett&at



выкинь, поставь два 80 ватных карлсона от Аристы и забудь проблемы...


--------------------
Если кажется, что все в порядке, - значит, вы что-то просмотрели
Перейти в начало страницы
 
+Цитировать сообщение
Artxayc
сообщение 16.4.2016, 23:35
Сообщение #36


Вставить ник


**

Группа: Пользователи
Сообщений: 131
Регистрация: 26.5.2014
Из: Курск
Пользователь №: 9 404
Авто:Toyota Supra mkIII 2jz-gte r154 aerotop LHD



Думаю может dextron VI или что то совсем другое.

саша., этот тоже от Аристы) сначала хочу разобраться в чем дело. Электровентилятор дело хорошее...но опять деньги и гемор с подключением и режимами.


--------------------
Перейти в начало страницы
 
+Цитировать сообщение
Artxayc
сообщение 17.4.2016, 22:06
Сообщение #37


Вставить ник


**

Группа: Пользователи
Сообщений: 131
Регистрация: 26.5.2014
Из: Курск
Пользователь №: 9 404
Авто:Toyota Supra mkIII 2jz-gte r154 aerotop LHD



Датчик дв нашел свое место. В блок не вкрутить эту баклушу, родной намного меньше, а места там свободного нет - мешают ребра блока и крепление блока кондея.
Прикрепленное изображение

По датчику температуры на приборку...думаю купить проставку с резьбой для датчика или изготовить и установить в шланг на радиатор. Минус с корпуса если нужен - возму проводом с корпуса/медной прокладки родного датчика на медную прокладку датчика 7м. Припаял клемку и удлиннил.

Прикрепленное изображение


--------------------
Перейти в начало страницы
 
+Цитировать сообщение
AquaGen
сообщение 18.4.2016, 6:52
Сообщение #38


Вставить ник


*****

Группа: Неактивированные
Сообщений: 1 124
Регистрация: 15.12.2012
Из: Сургут
Пользователь №: 7 668
Авто:Supra JZA80 MT 2JZ-GTE VVT-i, R154



Artxayc, а не легче в этом же гусе который у тебя на фото, открутить болт-заглушку и поставить датчик?


--------------------
Перейти в начало страницы
 
+Цитировать сообщение
Artxayc
сообщение 18.4.2016, 8:45
Сообщение #39


Вставить ник


**

Группа: Пользователи
Сообщений: 131
Регистрация: 26.5.2014
Из: Курск
Пользователь №: 9 404
Авто:Toyota Supra mkIII 2jz-gte r154 aerotop LHD



AquaGen, я бы с удовольствием...да к сожалению нет болтов-заглушек. Только 2 родных датчика воды 2JZ на комп и на приборку и никакого намека на резьбу для датчика от 7m.


--------------------
Перейти в начало страницы
 
+Цитировать сообщение
AquaGen
сообщение 18.4.2016, 12:13
Сообщение #40


Вставить ник


*****

Группа: Неактивированные
Сообщений: 1 124
Регистрация: 15.12.2012
Из: Сургут
Пользователь №: 7 668
Авто:Supra JZA80 MT 2JZ-GTE VVT-i, R154



Artxayc, как нету? Я думал что в Супра моторе там ставится однопроводный конусный датчик для приборки, а в Аристо моторе просто стоит заглушка. Я себе туда его вкрутил для приборки.


--------------------
Перейти в начало страницы
 
+Цитировать сообщение
Artxayc
сообщение 18.4.2016, 12:42
Сообщение #41


Вставить ник


**

Группа: Пользователи
Сообщений: 131
Регистрация: 26.5.2014
Из: Курск
Пользователь №: 9 404
Авто:Toyota Supra mkIII 2jz-gte r154 aerotop LHD



AquaGen, присутствуют оба датчика. Просто от 7м болеше. Резьба 16. Взял метчики, буду нарезать.


--------------------
Перейти в начало страницы
 
+Цитировать сообщение
AquaGen
сообщение 18.4.2016, 13:26
Сообщение #42


Вставить ник


*****

Группа: Неактивированные
Сообщений: 1 124
Регистрация: 15.12.2012
Из: Сургут
Пользователь №: 7 668
Авто:Supra JZA80 MT 2JZ-GTE VVT-i, R154



Artxayc, а ты не пробывал подобрать датчик? Например по каталогам от Facet. Там все хорошо расписано и в картинках. Наверняка есть датчик с похожими характеристиками для любого исполнения.


--------------------
Перейти в начало страницы
 
+Цитировать сообщение
Artxayc
сообщение 19.4.2016, 14:20
Сообщение #43


Вставить ник


**

Группа: Пользователи
Сообщений: 131
Регистрация: 26.5.2014
Из: Курск
Пользователь №: 9 404
Авто:Toyota Supra mkIII 2jz-gte r154 aerotop LHD



AquaGen, под диаметр датчика 2JZ GTE я уверен что нет такого же от 7m.

Датчик температуры нашел свое место. 14е сверло, метчики 16. Использовал вот такой боекомплект.

Прикрепленное изображение

Датчик тот что выше.
Прикрепленное изображение





--------------------
Перейти в начало страницы
 
+Цитировать сообщение
Artxayc
сообщение 25.4.2016, 13:10
Сообщение #44


Вставить ник


**

Группа: Пользователи
Сообщений: 131
Регистрация: 26.5.2014
Из: Курск
Пользователь №: 9 404
Авто:Toyota Supra mkIII 2jz-gte r154 aerotop LHD



После замены датчиков приборку все так же шкалит. Температура воды уходит в максимум, стрелка давления масла реагирут только при постукивании по приборке, затем возвращается в начальную позицию. Стрелка буста при повороте ключа уходит вверх, и не реагирует. Видимо трабла в приборке.

По поводу гидровентилятора: найдены 2провода + и - на соленоид электронасоса на помпе. Запитал и получил ураган под капотом 0_о. Все бы ничего...но эбу гидровентилятора в салоне не обнаружено. На фото гребенка с массой проводов, куда их подключать головоломка, гребенки в салоне явно нет. Ранее стоял 7m GTE c вентилятором на вискомуфте. + и - я найду куда зацепить, а вот остальное хз. Параллельно ищу ecu гидровентилятора и думаю на что можно зацепить без ecu. Скажем - на корпус (как и тестировал) + на лампочку температуры воды, или еще какие варинты. Правда у меня стрелка на воде, но на эбу поищу провод лампочки. Минус в том, если такой способ использовать, что вкнтилятор будет переключаться с минимального на максимальный режим сразу. Компьютер, так подозреваю посылает импульсно сигнал на соленоид насоса раскручивая вентилятор в широком диапазоне. Могу и ошибаться.

Toyota Supra MK3 1986.5-92 Cooling Fan Relay (или Cooling Fan ECU) 89257-14010 RHD
Судя по парт номеру, ставился на мк3, мк4, Аристо 147 и другие.
Возможно даже на 161. Подходит для 1JZ, 2JZ, судя по указанным годам и на другие двигатели.

Прикрепленное изображение


Прикрепленное изображение


Прикрепленное изображение

Прикрепленное изображение



--------------------
Перейти в начало страницы
 
+Цитировать сообщение
AquaGen
сообщение 26.4.2016, 5:56
Сообщение #45


Вставить ник


*****

Группа: Неактивированные
Сообщений: 1 124
Регистрация: 15.12.2012
Из: Сургут
Пользователь №: 7 668
Авто:Supra JZA80 MT 2JZ-GTE VVT-i, R154



У меня тож шкалила ож, вся причина была в том что не подцепил провод массы где то от приборной проводки, или салонной косы.


--------------------
Перейти в начало страницы
 
+Цитировать сообщение
Artxayc
сообщение 30.4.2016, 19:48
Сообщение #46


Вставить ник


**

Группа: Пользователи
Сообщений: 131
Регистрация: 26.5.2014
Из: Курск
Пользователь №: 9 404
Авто:Toyota Supra mkIII 2jz-gte r154 aerotop LHD



AquaGen, действительно был очередной косяк электрика, на салонной фишке земля приборки не спаяна. Взял тач граунд с косы Аристы, именно с этого пина. Стрелка ож теперь не поднимается как и стрелка масла. Стрелка турбины все так же шкалит вверх. Подозреваю что-то с сигналом на приборку, напутан или где-то замыкает. По ощущениям для стрелок ож и масла не хватает питания, а на давлении турбы перебор.

Вот еще вопрос назрел. К двум ли проводам от зажигания цеплять этот пин. Или одно и то же / или неважно к какому проводу цеплять IGSW ? Сам подозреваю что припаивать нужно оба, ON (Предстартовое положение ключа) для запуска пина M-REL (главное реле открывающее цепь на активацию ЭБУ машины, насос, топлива, датчик дроссельной заслонки, датчик кислорода и в моем случае бустконтроллер с шлз - дисплеи в этом положении активируются) То-есть Пин +B1. Второй провод из положения Ignition дает большее напряжение и припаивается к IGSW затем, что бы на приборы и катушки с датчиками заслонки компенсировать потерю мощности из-за активирующегося стартера, ведь все напряжение идет в него из блока зажигания по этому же проводу(?). Изображения прикладываю.
Прикрепленное изображение


Прикрепленное изображение


Прикрепленное изображение


И еще для уточнения...Main EFI Relay на мк3 нет. Есть реле главного круга и реле топливного насоса отдельно. Какой из них имеется ввиду в комментарии к пину M-REL ?

Сообщение отредактировал Artxayc - 30.4.2016, 19:50


--------------------
Перейти в начало страницы
 
+Цитировать сообщение
Artxayc
сообщение 30.4.2016, 20:11
Сообщение #47


Вставить ник


**

Группа: Пользователи
Сообщений: 131
Регистрация: 26.5.2014
Из: Курск
Пользователь №: 9 404
Авто:Toyota Supra mkIII 2jz-gte r154 aerotop LHD



Через пин ЕLS я так понимаю компьютер отслеживает скачки напряжения и програмно регулирует в пределах нормы для +B1 и зацепить его можно к проводу идущему на BATT (постоянное питание ЭБУ от аккумулятора)

Прикрепленное изображение


--------------------
Перейти в начало страницы
 
+Цитировать сообщение
Artxayc
сообщение 3.5.2016, 21:35
Сообщение #48


Вставить ник


**

Группа: Пользователи
Сообщений: 131
Регистрация: 26.5.2014
Из: Курск
Пользователь №: 9 404
Авто:Toyota Supra mkIII 2jz-gte r154 aerotop LHD



Приборка ожила. Отходил провод на 3х пиновой фишке. Стрелка температуры "из под палки" показывает, есть подозрения, что не актуальны показания. Стрелка масла еле двигается и не далеко, стрелка буста вроди работает, но пока не заметил в какой момент срабатывает (бывает что давления не достаточно и остается на месте) Вобщем разбираюсь дальше.


--------------------
Перейти в начало страницы
 
+Цитировать сообщение
Artxayc
сообщение 3.5.2016, 22:06
Сообщение #49


Вставить ник


**

Группа: Пользователи
Сообщений: 131
Регистрация: 26.5.2014
Из: Курск
Пользователь №: 9 404
Авто:Toyota Supra mkIII 2jz-gte r154 aerotop LHD



Вобщем припаял ELS к провод у идущему на BATT. Особых изменений не замечено. На пин IGSW к которому припаян провод зажигания из положения ключа "ON" дал питание от провода идущего на пин "STA" , который и получает питание из положения "CRANK". Собственно мы получили и "ON" и "CRANK" на пине igsw... Изменения существенны. Бензин подается в больших колличествах, как и надувает контроллер. Появилась отсечка где то на 3000 при резком тапке в пол и "стрельба из выхлопа". Надувает к этому моменту контроллер около 0,7-1 кило - смотрел по дисплею контроллера, отдельного будильника нет. При плавном поднятии оборотов дальше 3000 пускает. Собственно плавнее - дальше. Не уверен в работоспособности датчика дк. Вроди как при накидывании клемы эбу в пределах нормы настраивает. При последущем заводе 20 к 1. Возможно с ССO нужно что то делать и может дело в автоматных мозгах (по поводу отсечки)

Прикрепленное изображение


Прикрепленное изображение




Вот еще не могу понять сколько нужно времени для окончания настройки эбу.

Сообщение отредактировал Artxayc - 3.5.2016, 22:34


--------------------
Перейти в начало страницы
 
+Цитировать сообщение
Artxayc
сообщение 3.5.2016, 22:19
Сообщение #50


Вставить ник


**

Группа: Пользователи
Сообщений: 131
Регистрация: 26.5.2014
Из: Курск
Пользователь №: 9 404
Авто:Toyota Supra mkIII 2jz-gte r154 aerotop LHD



Что с этим пином делать пока непонятно.
Прикрепленное изображение


Пин отвечающий за получение информации о положении нейтрали и паркинга от автоматной коробки (коса и мозг автомат, коробка м/т)

Прикрепленное изображение



--------------------
Перейти в начало страницы
 
+Цитировать сообщение
Artxayc
сообщение 3.5.2016, 22:45
Сообщение #51


Вставить ник


**

Группа: Пользователи
Сообщений: 131
Регистрация: 26.5.2014
Из: Курск
Пользователь №: 9 404
Авто:Toyota Supra mkIII 2jz-gte r154 aerotop LHD



Нашел такую темку.
http://forums.drom.ru/gt-forum/t1151385375.html
Собственно что-то вроди того но не на 5500. Буду проверять SP1 SP2 и на передув. Есть еще блицевский комп, попробую его и понастраиваю контроллер.

С другой стороны (это все о стрельбе) уж скорее перелив..


--------------------
Перейти в начало страницы
 
+Цитировать сообщение
Artxayc
сообщение 6.5.2016, 15:50
Сообщение #52


Вставить ник


**

Группа: Пользователи
Сообщений: 131
Регистрация: 26.5.2014
Из: Курск
Пользователь №: 9 404
Авто:Toyota Supra mkIII 2jz-gte r154 aerotop LHD



Вобщем ситуация понемногу проясняется. Судя по показаниям с бустконтроллера он не видит положение заслонки. Вольтаж от дпдз поступающий на компьютер не меняется и собственно показания уровня открытия в процентном соотношении так же не меняется. Собираюсь проверить: 1) место припайки серого провода от бк к проводу на ecu (должен быть пин vta1 на ecu), 2) прозвонить этот провод (vta1 сигнал поступающий в ecu с изменяющимся вольтажем в зависимости от поворота крыльчатки на самом датчике) сняв фишку с датчика положения дроссельной заслонки и фишку с компьютера таким же образом и провод от ecu pin vcc подающий постоянное питание +5v на дпдз (он же питает и датчик map) . В крайнем случае (если провода спаяны верно) поменяю датчки местами от тракшн заслонки и стандартной. Не исключаю что мог кто то их поменять до меня. Находил тему по обслуживанию и настройке дпдз, там указали на то, что в самих датчиках отличие только по расположению пинов и если поменять местами - увеличивается подрыв до 2500 оборотах а на 3000 отсечка. Собственно у меня именно такая проблема.
Прикрепленное изображение


Прикрепленное изображение


--------------------
Перейти в начало страницы
 
+Цитировать сообщение
Artxayc
сообщение 6.5.2016, 16:11
Сообщение #53


Вставить ник


**

Группа: Пользователи
Сообщений: 131
Регистрация: 26.5.2014
Из: Курск
Пользователь №: 9 404
Авто:Toyota Supra mkIII 2jz-gte r154 aerotop LHD



Всего на дпдз 4 провода, два + и два - :

1.VCC"+" постоянный из ecu на датчик (питает так же MAP)
2.VTA1"+" сигнал поступает в ecu сообщая о положении заслонки. Меняет напряжение в активном режиме.
3.IDL1"-" появляется при полном закрытии заслонки и приходит в ECU. Сообщает ecu о готовности двс к следующему запуску. При получении сигнала ecu разрывает гланую цепь отключая m-rel. По этой причине в автомобиле несколько секунд работают приборы и насос.
4.E2"-" постоянный из ecu на датчик (земля так же для MAP)

Если смотреть на датчик то пины на нем располагаются соответствуя нумерации слева-направо. (лично не проверил)


--------------------
Перейти в начало страницы
 
+Цитировать сообщение
Artxayc
сообщение 6.5.2016, 16:55
Сообщение #54


Вставить ник


**

Группа: Пользователи
Сообщений: 131
Регистрация: 26.5.2014
Из: Курск
Пользователь №: 9 404
Авто:Toyota Supra mkIII 2jz-gte r154 aerotop LHD



Внешне оба дпдз ничем не отличаются кроме, как писал уже распиновки и партномера на корпусе.
89452-12080 стоит ближе к впуску на заслонке от газа
89452-33010 стоит ближе к радиатору, смотрит на двс. Напротив находится бочонок электронного управления заслонкой тракшнконтроля. Кто может посмотреть у себя - посмотрите где какой стоит.


--------------------
Перейти в начало страницы
 
+Цитировать сообщение
Sub
сообщение 6.5.2016, 17:18
Сообщение #55


Вставить ник

Single wingless
******

Группа: Главные администраторы
Сообщений: 7 201
Регистрация: 16.2.2006
Из: Москва
Пользователь №: 5
Авто:10/96 JZA80 T67DBB 6MT, 09/00 UZS161 EUR



89452-22080 (старый номер 89452-12080) - это ДПДЗ (основной)
89452-22090 (33010 в случае JZS147 10.1991-08.1994) - это ДП заслонки TRC


--------------------
Новые запчасти в наличии и на заказ. Оригинал, неоригинал, масла, спецжидкости.


10/1996 || TT: Acre, AEM, Aeromotive, A'PEXi, ARP, ATP Turbo, BFGoodrich, Blitz, Brian Crower, Boost Logic, Carbonetic, Cusco, Eibach, GReddy, HKS, Innovate, K & N, Koyorad,
KYB, Michelin, Mickey Thompson, Precision, Recaro, Soara, Sound Performance, SSR, Summit, Synapse, Thermo Tec, Titan, Titek, Toyota, TRD, Trust, Walbro, Yokohama
+ Custom


Спорить с админом - всё равно, что биться с драконом. Вроде и пинка ему уже отвесил, и мечом потыкал, и кажется, что горло пристроился пилить, но тут ему надоело и он выдохнул...
Перейти в начало страницы
 
+Цитировать сообщение
Artxayc
сообщение 7.5.2016, 4:44
Сообщение #56


Вставить ник


**

Группа: Пользователи
Сообщений: 131
Регистрация: 26.5.2014
Из: Курск
Пользователь №: 9 404
Авто:Toyota Supra mkIII 2jz-gte r154 aerotop LHD



Sub, спасибо, понял. Прозвонил все 4 провода - сигнал есть. Снял дпдз и проверил сопротивление в разных положениях на все 4 контакта - все есть. В недоумении установил обратно (отметки положения оставлял) и вуаля...на контроллере ожили показания положения заслонки. Видимо уже снимали до меня а зубцы крыльчатки установили неправильно. Единственное что сделал - капнул немного вд-шки на пружинку датчика - по ощущениям крыльчатка крутилась "похрустывая" пружиной. Пылинки или что- то в этом роде. Во время проверки показаний на бк, отводя заслонку вручную, заметил срабатывание маленького соленоида сверху турбин отвечвющего за маленький актуатор сверху близко к щитку. Подозреваю что отвечает за перепуск на вторую турбину. Щелкает на определенном отводе дросселя и при обатном движении переключается. В закрытом положении заслонки издает третий щелчек спустя пару секунд (видимо пока не получит сигнал от дпдз о полностью закрытой заслонке). Если срабатывает на 3000 - это то, что так же может решить проблему "отсечки". Проверить на заведенном двигателе пока не получилось - батарея ёк... На соленоиде 3 носика. 2 пластиковых для трубок и один металлический. На нем у тановлена пластиковая баклуша, которая крутится и вертится как лишний придаток. Носик верхний, ближе к ней имеет общий канал с носиком стальным, на который она надета. Продувается в обе стороны, независимо от баклуши. Нужна для защиты от пыли?
Прикрепленное изображение



--------------------
Перейти в начало страницы
 
+Цитировать сообщение
Sub
сообщение 7.5.2016, 13:49
Сообщение #57


Вставить ник

Single wingless
******

Группа: Главные администраторы
Сообщений: 7 201
Регистрация: 16.2.2006
Из: Москва
Пользователь №: 5
Авто:10/96 JZA80 T67DBB 6MT, 09/00 UZS161 EUR



Это фильтр. При подаче +12В, соленоид срабатывает и воздух идет из одного штуцера во второй. При выключении, соленоид закрывается и воздух из актюатора выходит через фильтр, позволяя ему закрыться.
В мануале это все есть.
SFI.pdf - стр. 55 (SF-60)

VSV IACV открывается примерно на 4000об. До этого момента работают только VSV EBV и VSV EGCV. Последний начинает открывается примерно при 3500 об., чтобы обеспечить предраскрутку второй турбины.


--------------------
Новые запчасти в наличии и на заказ. Оригинал, неоригинал, масла, спецжидкости.


10/1996 || TT: Acre, AEM, Aeromotive, A'PEXi, ARP, ATP Turbo, BFGoodrich, Blitz, Brian Crower, Boost Logic, Carbonetic, Cusco, Eibach, GReddy, HKS, Innovate, K & N, Koyorad,
KYB, Michelin, Mickey Thompson, Precision, Recaro, Soara, Sound Performance, SSR, Summit, Synapse, Thermo Tec, Titan, Titek, Toyota, TRD, Trust, Walbro, Yokohama
+ Custom


Спорить с админом - всё равно, что биться с драконом. Вроде и пинка ему уже отвесил, и мечом потыкал, и кажется, что горло пристроился пилить, но тут ему надоело и он выдохнул...
Перейти в начало страницы
 
+Цитировать сообщение
Artxayc
сообщение 7.5.2016, 14:09
Сообщение #58


Вставить ник


**

Группа: Пользователи
Сообщений: 131
Регистрация: 26.5.2014
Из: Курск
Пользователь №: 9 404
Авто:Toyota Supra mkIII 2jz-gte r154 aerotop LHD



Sub, спасибо, снова выручил) только пластиковый корпус пустой, свободно болтается (свободный пропуск воздуха в обе стороны) и видимо весь функционал на данный момент - просто прикрывать отверстие от крупного мусора, переключение каналов происходит в самом соленоиде.


--------------------
Перейти в начало страницы
 
+Цитировать сообщение
Artxayc
сообщение 8.5.2016, 15:03
Сообщение #59


Вставить ник


**

Группа: Пользователи
Сообщений: 131
Регистрация: 26.5.2014
Из: Курск
Пользователь №: 9 404
Авто:Toyota Supra mkIII 2jz-gte r154 aerotop LHD



Ребят нужна помощь по 2 вопросам!
У нас есть два пина (igsw и sta) на которые нужно дать питание от зажигания из положения "RUN" и "CRANK"

Прикрепленное изображение


Прикрепленное изображение

Собственно вопрос в том это:
1. Положение ключа "on" и "start" (склоняюсь к этому варианту и думаю для igsw использовать нужно пин 8, а для sta пин 1)
2. Положение ключа "start" и "start(push)"

Прикрепленное изображение

Второй вопрос такой...должа ли при отсутствии компьютера двигателя поворотом ключа открываться главная цепь и давать питание на топливный насос , дк и т.д. , а положении "start" крутить стартер? Или же что то напутано электриками и цепь открывать должен компьютер через пин "M-REL" (берет сигнал из эбу от пина igsw (положение ключа "on" или "run" в мануале) ) дающий сигнал на реле "main relay", которое в свою очередь откроет главную цепь и дает питание на насос, дпдз, дк и т.д и т.д. В моем случае это происходит без эбу. Питание возникает в положении "on" на пинах igsw, m-rel. На sta отсутствует. Я подозреваю что цепь подключена в обратную сторону и провод из положения "on" идет непосредственно на реле main relay находящееся под капотом в коробе реле и предохранителей и от него дает питание на пины igsw и m-rel , как вариант. К sta просто не подключено питание ни от ключа ни от реле.
Прикрепленное изображение

Подскажите кто что знает?

Сообщение отредактировал Artxayc - 8.5.2016, 15:44


--------------------
Перейти в начало страницы
 
+Цитировать сообщение
Artxayc
сообщение 8.5.2016, 16:05
Сообщение #60


Вставить ник


**

Группа: Пользователи
Сообщений: 131
Регистрация: 26.5.2014
Из: Курск
Пользователь №: 9 404
Авто:Toyota Supra mkIII 2jz-gte r154 aerotop LHD




Прикрепленное изображение

Или же фунуция пина m-rel только размыкание на майн реле сигнала on из замка зажигания. И тут вопрос - почему со стороны майн реле имеется напряжение идущее в пин м-рел? Он ведь должен посылать сигнал + в само реле на размыкание при повороте ключа на асс. В мануале так же сказано что несколько секунд пока сигнал от iscw поступит в еку питание от м-рел не отключается. Поэтому даже с вытащенным ключом приборы должны работать несколько секунд.

Сообщение отредактировал Artxayc - 8.5.2016, 16:05


--------------------
Перейти в начало страницы
 
+Цитировать сообщение
Artxayc
сообщение 8.5.2016, 22:17
Сообщение #61


Вставить ник


**

Группа: Пользователи
Сообщений: 131
Регистрация: 26.5.2014
Из: Курск
Пользователь №: 9 404
Авто:Toyota Supra mkIII 2jz-gte r154 aerotop LHD



Прикрепленное изображение

Нашел такую схемку.


--------------------
Перейти в начало страницы
 
+Цитировать сообщение
Artxayc
сообщение 9.5.2016, 4:56
Сообщение #62


Вставить ник


**

Группа: Пользователи
Сообщений: 131
Регистрация: 26.5.2014
Из: Курск
Пользователь №: 9 404
Авто:Toyota Supra mkIII 2jz-gte r154 aerotop LHD



Судя по схеме - isc, vsvs, circuit opening relay, насос, дпдз, дк не должны работать при отсутствии эбу (ecu) по причине отсутствия сигнала от пина mrel на main relay, которое при возникновении питания на 1,3 замыкают 2 и 4. В моем случае весь процесс работает при отсутствии эбу. Положительный сигнал присутствует на фишках в пинах mrel (который не должен подавать, а наоборот брать + от эбу) и +b1. Так как mrel берет питание из эбу с пина igsw (единственный пин, который берет + от положения ключа "on") я подозреваю что в моем случае питание подается прямиком в провод mrel из блока зажигания с пина на положении "on". Не совсем разобрался в местах схемы обозначенных "?" и красной линией дал + с бмтареи в блок зажигания. Так же в igsw должен идти сигнал от "crank" и этот же сигнал в пин sta отсутствующий на схеме. Собираюсь взять с пина 1 на sta и с 8 на igsw (схема блока зажигания) Прошу помощи в разборе.

Прикрепленное изображение


Прикрепленное изображение


Прикрепленное изображение


Прикрепленное изображение






Прикрепленное изображение


--------------------
Перейти в начало страницы
 
+Цитировать сообщение
Sub
сообщение 10.5.2016, 13:52
Сообщение #63


Вставить ник

Single wingless
******

Группа: Главные администраторы
Сообщений: 7 201
Регистрация: 16.2.2006
Из: Москва
Пользователь №: 5
Авто:10/96 JZA80 T67DBB 6MT, 09/00 UZS161 EUR



Без мозга конечно не должна. Из него выходит управляющий сигнал на главное реле.
В случае турбо, при включении главного реле (EFI No. 1) срабатывает и реле топливного насоса (EFI No. 2).

Стартер без мозга работать должен. Например, при необходимости продувки или при замере компрессии вытаскивается предохранитель EFI No. 1 и двиг крутится стартером.

P.S. Схемы с сайта wilbo конечно могут помочь, но я бы на твоем месте взял родной мануал и проверял все соединения по нему. Тыц, Electrical.pdf


Цитата(Artxayc @ 8.5.2016, 17:10) *

Прикрепленное изображение

Или же фунуция пина m-rel только размыкание на майн реле сигнала on из замка зажигания. И тут вопрос - почему со стороны майн реле имеется напряжение идущее в пин м-рел? Он ведь должен посылать сигнал + в само реле на размыкание при повороте ключа на асс. В мануале так же сказано что несколько секунд пока сигнал от iscw поступит в еку питание от м-рел не отключается. Поэтому даже с вытащенным ключом приборы должны работать несколько секунд.
M-REL подает +12В на главное реле. Он ничего не размыкает. Этот пин с замком зажигания напрямую не связан.
Мозг изначально видит, что включено зажигание через пин IGSW и уже после этого дает +12В на M-REL, что включает основное питание мозга и все датчики через +B.

В твоем случае возможно неправильно подключено главное реле. Ну не может из него выходить питание на мозг. С другой стороны управляющей цепи там должна быть земля. Проверь.


Цитата(Artxayc @ 9.5.2016, 6:01) *
Собираюсь взять с пина 1 на sta и с 8 на igsw (схема блока зажигания) Прошу помощи в разборе.
Для лучшего понимания стоит брать электрические принципиальные схемы обеих машин и скрещивать по ним. Это удобнее, чем брать схемы из инструкции по ремонту. Можно, конечно, и так посидеть, голову поломать, но зачем?
В тяжелом случае, как при установке 3UZ в Супру, я брал все схемы и в Фотошопе их скрещивал. Там схемы подключения к замку зажигания и блокам предохранителей довольно сильно различаются - каждый раз по новой искать ориентиры надоело.


Цитата(Artxayc @ 9.5.2016, 6:01) *
IG2 - это сигнал от замка зажигания при включенном зажигании. Не стоит его вешать на постоянный плюс


Цитата(Artxayc @ 9.5.2016, 6:01) *
Собираюсь взять с пина 1 на sta и с 8 на igsw (схема блока зажигания) Прошу помощи в разборе.
Не видя схем я бы не стал выбирать пины по той картинке.
Почему с пина 1, а не с 2 или 4?
Почему с пина 8, а не с 5 или 7?
На той картинке идет прозвонка замка зажигания, но не указано, какой пин является входом, а какой - выходом.


--------------------
Новые запчасти в наличии и на заказ. Оригинал, неоригинал, масла, спецжидкости.


10/1996 || TT: Acre, AEM, Aeromotive, A'PEXi, ARP, ATP Turbo, BFGoodrich, Blitz, Brian Crower, Boost Logic, Carbonetic, Cusco, Eibach, GReddy, HKS, Innovate, K & N, Koyorad,
KYB, Michelin, Mickey Thompson, Precision, Recaro, Soara, Sound Performance, SSR, Summit, Synapse, Thermo Tec, Titan, Titek, Toyota, TRD, Trust, Walbro, Yokohama
+ Custom


Спорить с админом - всё равно, что биться с драконом. Вроде и пинка ему уже отвесил, и мечом потыкал, и кажется, что горло пристроился пилить, но тут ему надоело и он выдохнул...
Перейти в начало страницы
 
+Цитировать сообщение
Artxayc
сообщение 10.5.2016, 15:18
Сообщение #64


Вставить ник


**

Группа: Пользователи
Сообщений: 131
Регистрация: 26.5.2014
Из: Курск
Пользователь №: 9 404
Авто:Toyota Supra mkIII 2jz-gte r154 aerotop LHD



Sub, при прозвоне проводов получилась такая картина:
1.На пине вместе с m-rel еще висит + от зажигания (on) и реле насоса
2.+ есть
3. - Есть
4. Отдельно isc, vsv, +b (по звуку срабатывающего соленоида буст контроллера и запуску показометров)
Вот такой ужас.
По хорошему нужно убрать зажигание из линии 1. И оставить в igsw два положения. Перенести провод реле насоса на 4.


--------------------
Перейти в начало страницы
 
+Цитировать сообщение
Artxayc
сообщение 10.5.2016, 17:32
Сообщение #65


Вставить ник


**

Группа: Пользователи
Сообщений: 131
Регистрация: 26.5.2014
Из: Курск
Пользователь №: 9 404
Авто:Toyota Supra mkIII 2jz-gte r154 aerotop LHD



Я так понял, что электрик перепутал реле и подключил не к майн реле а к фуел реле пин m-rel. И зажигание в положении on подключено так же к реле топливного насоса.
Придется вскрыть косу до блока предохранителей и переставить все как положено. Еще раз все перепроверю и отпишусь.


--------------------
Перейти в начало страницы
 
+Цитировать сообщение
Artxayc
сообщение 10.5.2016, 17:55
Сообщение #66


Вставить ник


**

Группа: Пользователи
Сообщений: 131
Регистрация: 26.5.2014
Из: Курск
Пользователь №: 9 404
Авто:Toyota Supra mkIII 2jz-gte r154 aerotop LHD



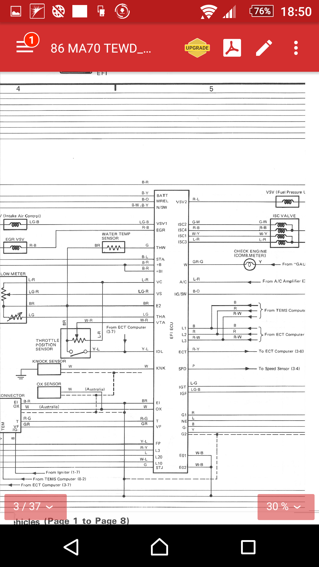
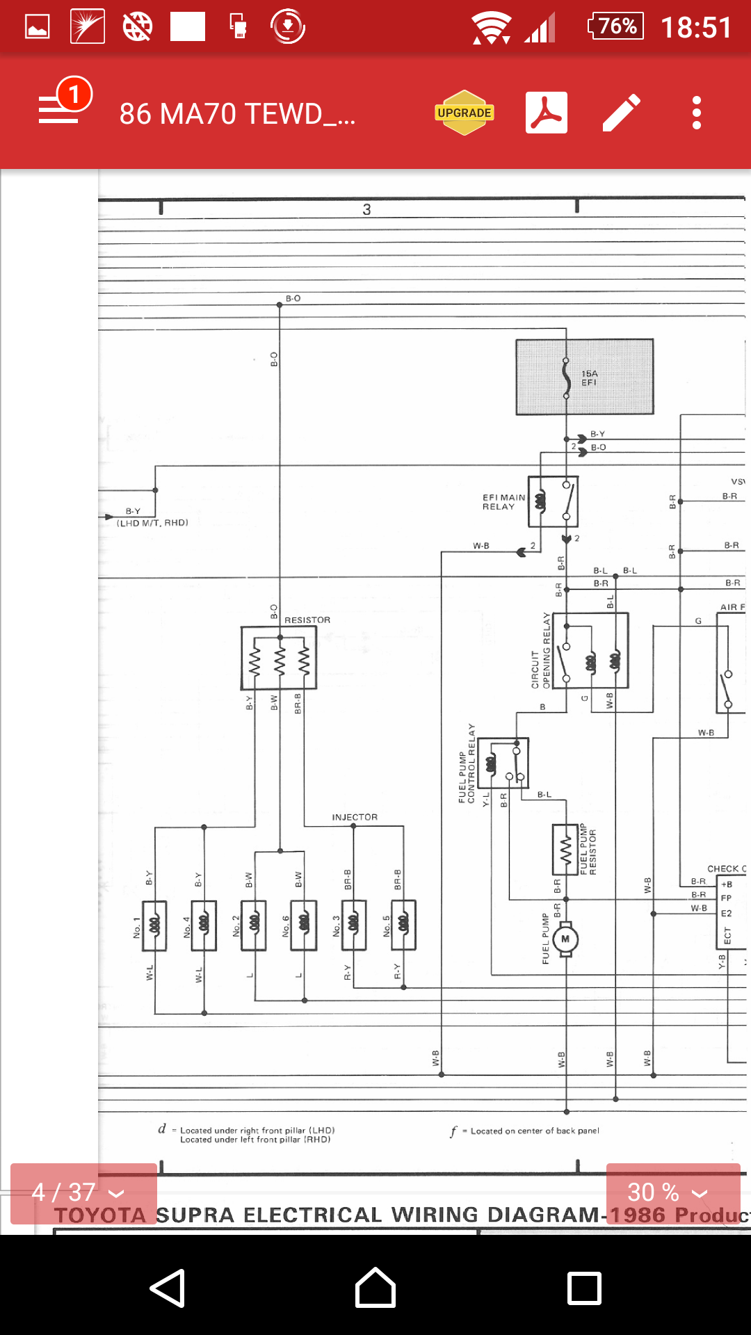
Схема 70ки
Прикрепленное изображение


Прикрепленное изображение



--------------------
Перейти в начало страницы
 
+Цитировать сообщение

4 страниц V   1 2 3 > » 
Ответить в данную темуНачать новую тему
1 чел. читают эту тему (гостей: 1, скрытых пользователей: 0)
Пользователей: 0

 



RSS Текстовая версия Сейчас: 26.11.2025, 10:38