Здравствуйте, гость ( Вход | Регистрация )

Не работает центральный замок!, в чем причина?
kreativ
сообщение 14.11.2009, 11:22
Сообщение #1


Вставить ник

Суправод
****

Группа: Пользователи
Сообщений: 548
Регистрация: 18.3.2009
Из: За МКАДыш
Пользователь №: 3 420
Авто:BMW M4 F82 / Altezza 4WD 1/4 9.85



Ситуация следующая, прихожу я утром на стоянку пытаюсь открыть машину центральным замком (кнопкой та что на родном ключе) а она не как не реагирует, вставляю ключ и открываю дверь, открылась, но только водительская дверь вторая ноль имоций. Пробую кнопку та что на двери(открытие/закрытие) срабатывает на закрытие а открытие не работает и так же на ключе. ЗАКРЫТИЕ РАБОТАЕТ А ОТКРЫТИЕ НЕТ, ПОДСКАЖИТЕ КТО ЗНАЕТ ЧТО МОЖЕТ БЫТЬ. Машинка 95г.в SZR, сигнализации нету. Есть ли на центральный замок предохранители и еслир есть то где находятся? За ранее спасибо
Перейти в начало страницы
 
+Цитировать сообщение
2 страниц V   1 2 >  
Начать новую тему
Ответов (1 - 26)
Mirex
сообщение 14.11.2009, 13:26
Сообщение #2


Вставить ник


*****

Группа: Пользователи
Сообщений: 1 585
Регистрация: 17.5.2006
Из: Москва
Пользователь №: 913
Авто:SZ-R => RZ



предохранители в салоне, рядом с твоей левой ногой, было такое, вытащил его, пошевелил, помогло, скорее всего контакт был плохой...
Перейти в начало страницы
 
+Цитировать сообщение
kreativ
сообщение 14.11.2009, 17:20
Сообщение #3


Вставить ник

Суправод
****

Группа: Пользователи
Сообщений: 548
Регистрация: 18.3.2009
Из: За МКАДыш
Пользователь №: 3 420
Авто:BMW M4 F82 / Altezza 4WD 1/4 9.85



У меня правый руль, значит предохранитель тоже с права под обшивкой, я так понимаю? только вот какой из них? их там много
Перейти в начало страницы
 
+Цитировать сообщение
drool
сообщение 14.11.2009, 23:34
Сообщение #4


Вставить ник

Суправод
******

Группа: Активные пользователи
Сообщений: 7 797
Регистрация: 20.7.2006
Из: Москва, САО
Пользователь №: 1 137
Авто:JZA80 `94/02 TT 6MT



Ну все подёргай smile.gif А вообще на крышке написанно


--------------------
Мой телефон: 8-926-246-91-96
The BEST Supra - JZA80 TT 6MT
Перейти в начало страницы
 
+Цитировать сообщение
K_O_T
сообщение 15.11.2009, 0:41
Сообщение #5


Вставить ник

Суправод
*

Группа: Активные пользователи
Сообщений: 79
Регистрация: 13.3.2009
Из: Владивосток - Калининград
Пользователь №: 3 404
Авто:Supra JZA80



Было такое! В машину залазил через богажник (сняты привода с замков дверных). Приехал устранять причину - работает! Выпил кофе. выхожу - не работает! Начал мучать, в итоге стала открываться а закрываться перестало sad.gif Начали грешить на реле. Нашли его быстро по щелчкам, добраться было сложнее (оно за бордачком под торпедой возле двери). Короче ломаться там нечему! Времени уже не оставалось, поехал по делам, машину на стоянку. Со следующего утра вот уже 4 недели всё работает отлично!

П.с. если само не починиться smile.gif Сообщи пожалуйста, что было! Вдруг снова столкнусь.
Перейти в начало страницы
 
+Цитировать сообщение
IQ200
сообщение 20.11.2009, 10:45
Сообщение #6


Вставить ник

Суправод
****

Группа: Пользователи
Сообщений: 827
Регистрация: 28.1.2009
Из: Алматы (KZ)
Пользователь №: 3 323
Авто:Dodge Durango Shelby SP360



А если такая ерунда, что с сигналки открываешь машину. а пипка со стороны водителя не отходит... открываю пассажирскую дверь и начинаю вручную рукой пипку водительской трогать:)) (просто не знаю как она называется) блокиратор что ли! ну вот подергаю по дергаю и потом все нормально. обычно это после морозной ночи, где рыть проблему? что то в электрике или типа замерзает сам механизм (ночью не ниже - 15 гр) ?
просто вроде все смазывал что можно увидеть, может электрика замарзвает и коротит?


--------------------
Errare humanum est,
Qui tacet – consentire videtur!
Перейти в начало страницы
 
+Цитировать сообщение
MOTOR
сообщение 20.11.2009, 12:23
Сообщение #7


Вставить ник

Суправод
*****

Группа: Пользователи
Сообщений: 1 070
Регистрация: 6.1.2008
Из: г. Москва, ЮЗАО
Пользователь №: 1 449
Авто:Supra JZA80



Вопрос по теме:А если сигналка стоит ,ценральный замок с ключа уже не откроиться? Хочу просто ценральный замок оставить и всё-сигналку выкинуть нахрен,что б ничего лишнего в проводке не было..........У меня просто сейчас эта проблема
Перейти в начало страницы
 
+Цитировать сообщение
K_O_T
сообщение 22.11.2009, 0:56
Сообщение #8


Вставить ник

Суправод
*

Группа: Активные пользователи
Сообщений: 79
Регистрация: 13.3.2009
Из: Владивосток - Калининград
Пользователь №: 3 404
Авто:Supra JZA80



Замок с ключа механически открывается и сигналка его никак не заблокирует.
А вообще смелое заявление про выкинуть сигналку biggrin.gif
Перейти в начало страницы
 
+Цитировать сообщение
K_O_T
сообщение 22.11.2009, 1:01
Сообщение #9


Вставить ник

Суправод
*

Группа: Активные пользователи
Сообщений: 79
Регистрация: 13.3.2009
Из: Владивосток - Калининград
Пользователь №: 3 404
Авто:Supra JZA80



Цитата(IQ200 @ 20.11.2009, 10:49) *
А если такая ерунда, что с сигналки открываешь машину. а пипка со стороны водителя не отходит... открываю пассажирскую дверь и начинаю вручную рукой пипку водительской трогатьsmile.gif) (просто не знаю как она называется) блокиратор что ли! ну вот подергаю по дергаю и потом все нормально. обычно это после морозной ночи, где рыть проблему? что то в электрике или типа замерзает сам механизм (ночью не ниже - 15 гр) ?
просто вроде все смазывал что можно увидеть, может электрика замарзвает и коротит?


Замарачивался в своё время убиранием ручек (делал от кнопок чтобы окрывалось), по этой причине в доль и поперёк обтрогал сам замок. Пришлось ставить по 2 активатора и заставлять их работать в паре, чтобы они смогли открыть замок. Думаю причина в большом количестве старой смазки и элементарной грязи в самом замке.
Перейти в начало страницы
 
+Цитировать сообщение
kreativ
сообщение 22.11.2009, 9:20
Сообщение #10


Вставить ник

Суправод
****

Группа: Пользователи
Сообщений: 548
Регистрация: 18.3.2009
Из: За МКАДыш
Пользователь №: 3 420
Авто:BMW M4 F82 / Altezza 4WD 1/4 9.85



весь мануал облазил а схему центральгол замка не нашел, кто ее видет выложите плиз
Перейти в начало страницы
 
+Цитировать сообщение
Supreme
сообщение 22.11.2009, 11:37
Сообщение #11


Вставить ник

Потенциальный суправод
***

Группа: Пользователи
Сообщений: 469
Регистрация: 30.11.2008
Пользователь №: 3 249
Авто:Метро



Прикрепленное изображение


Прикрепленное изображение


Прикрепленное изображение


--------------------
Перейти в начало страницы
 
+Цитировать сообщение
kreativ
сообщение 22.11.2009, 22:31
Сообщение #12


Вставить ник

Суправод
****

Группа: Пользователи
Сообщений: 548
Регистрация: 18.3.2009
Из: За МКАДыш
Пользователь №: 3 420
Авто:BMW M4 F82 / Altezza 4WD 1/4 9.85



Подходящей не нашел, а чисто схемы центрального замка нету?
Перейти в начало страницы
 
+Цитировать сообщение
Supreme
сообщение 22.11.2009, 22:43
Сообщение #13


Вставить ник

Потенциальный суправод
***

Группа: Пользователи
Сообщений: 469
Регистрация: 30.11.2008
Пользователь №: 3 249
Авто:Метро



у тебя есть три варианта:
1. посмотреть в живую цвета проводов и найти их на схеме.
2. перевести схему
3. отправить сообщение со словом "замок" на номер 3232:):)


--------------------
Перейти в начало страницы
 
+Цитировать сообщение
Supreme
сообщение 22.11.2009, 23:00
Сообщение #14


Вставить ник

Потенциальный суправод
***

Группа: Пользователи
Сообщений: 469
Регистрация: 30.11.2008
Пользователь №: 3 249
Авто:Метро



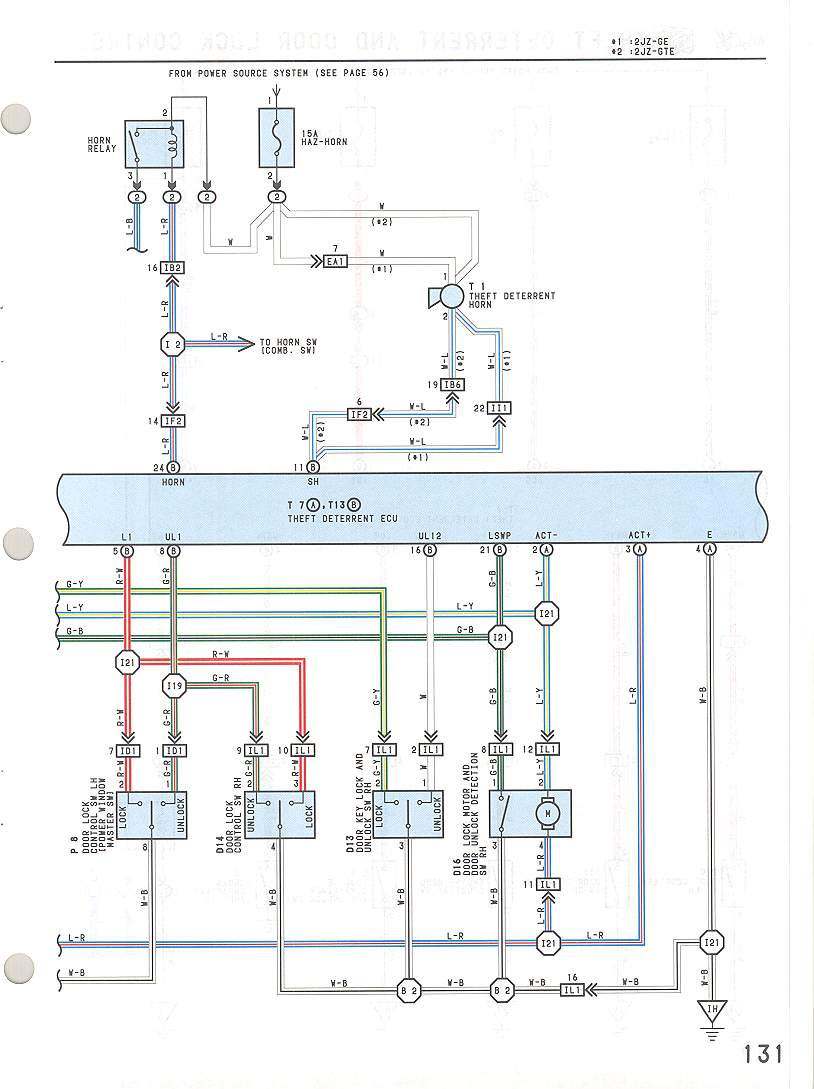
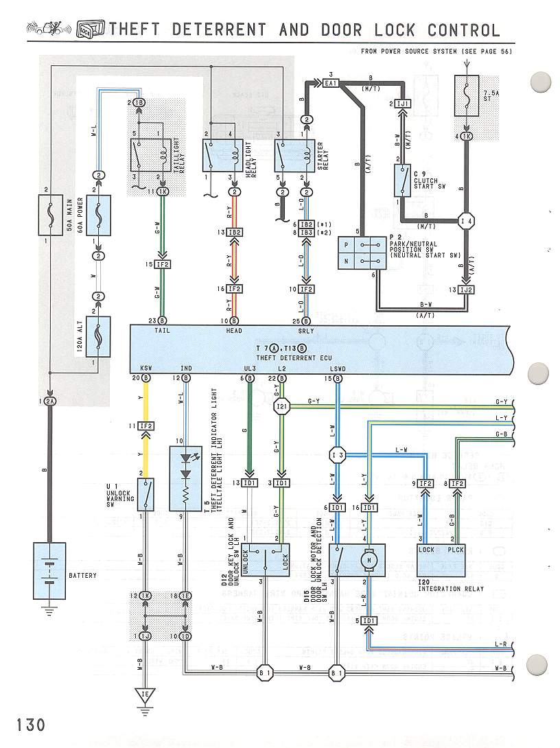
смотри по схеме...Door lock and unlock


Сообщение отредактировал Supreme - 22.11.2009, 23:07


--------------------
Перейти в начало страницы
 
+Цитировать сообщение
kreativ
сообщение 4.12.2009, 21:37
Сообщение #15


Вставить ник

Суправод
****

Группа: Пользователи
Сообщений: 548
Регистрация: 18.3.2009
Из: За МКАДыш
Пользователь №: 3 420
Авто:BMW M4 F82 / Altezza 4WD 1/4 9.85



все реле и предохранители пересмотрел, все в норме. Заметил такую штуку:Когда отсоединяешь и затем сразу подсоединяешь обратно фишку которая идет с воодительской двери и подключается к блоку с предохранителями в ногах , нажимаешь на кнопку на двери ОТКРЫТЬ то все срабатывает, но только один раз.При повторном нажатии уже не работает, повторяешь процедуру с отсоединением фишки и опять один раз работает. А закрытие работает в любом случает. Всю голову уже изломал что может такое быть. Все контакты хорошо соприкасаются и предохранители живы.
Перейти в начало страницы
 
+Цитировать сообщение
drool
сообщение 5.12.2009, 11:02
Сообщение #16


Вставить ник

Суправод
******

Группа: Активные пользователи
Сообщений: 7 797
Регистрация: 20.7.2006
Из: Москва, САО
Пользователь №: 1 137
Авто:JZA80 `94/02 TT 6MT



Кнопку почистить не пробовал? У меня у друга на бумере похожее было со стеклоподъемниками - то работали то нет, даже проводка задымилась! а оказалось что блок управления раз 100 колой, пивом и еще чем-то заливали. Разобрали, почистил - как часы smile.gif


--------------------
Мой телефон: 8-926-246-91-96
The BEST Supra - JZA80 TT 6MT
Перейти в начало страницы
 
+Цитировать сообщение
VoronVRS
сообщение 5.12.2009, 12:47
Сообщение #17


Вставить ник

Суправод
****

Группа: Пользователи
Сообщений: 529
Регистрация: 21.11.2007
Из: Москва ВАО
Пользователь №: 1 428
Авто:Nissan Teana 2.5



У меня похожая хрень - пользовался кнопкой с ключа - всё работало. В один день вышел - готово, на кнопку не реагирует. Поменял батарейку в ключе - ноль эмоций. Теперь грешу на предохранитель - правда пока эту тему не прочитал, не знад где блок находиться:)) Под капотом всё прозвонил. Сёня полезу в ноги....
Перейти в начало страницы
 
+Цитировать сообщение
drool
сообщение 5.12.2009, 12:56
Сообщение #18


Вставить ник

Суправод
******

Группа: Активные пользователи
Сообщений: 7 797
Регистрация: 20.7.2006
Из: Москва, САО
Пользователь №: 1 137
Авто:JZA80 `94/02 TT 6MT



посмотри сам блок - он под твои сиденьем находиться


--------------------
Мой телефон: 8-926-246-91-96
The BEST Supra - JZA80 TT 6MT
Перейти в начало страницы
 
+Цитировать сообщение
alex_turnaev
сообщение 5.12.2009, 14:44
Сообщение #19


Вставить ник

Суправод
*

Группа: Пользователи
Сообщений: 47
Регистрация: 10.11.2009
Из: Тюмень
Пользователь №: 4 029
Авто:JZA80 2JZ-GTE RZ-S



столкнулся с такой же фигней, открывается но не закрывается центральным замком. при отключении реле все работает буквально несколько нажатий, далее опять то же самое. Рскидал всю панель приборов, провода целы, блок предохранителей, релюшки тоже ок, проверил все! потом осинило - отключил фишку пассажирской двери (она за пластиком у ноги пассажира), работает без проблем! значит причина где то в контактах личинки пассажирской двери, либо около! причину пока не устранил, просто не хватает времени! если доберусь и сделаю - напишу, но путь уже ясен!
если релюшки работают, предохранители целы, питание на кнопки по проводам идет - значит нужно смотреть кнопочки или контакты у личинки замка двери! причем глядите пассажирскую тоже, ведь с нее тоже работает центральный замок!


--------------------
Перейти в начало страницы
 
+Цитировать сообщение
VoronVRS
сообщение 5.12.2009, 17:09
Сообщение #20


Вставить ник

Суправод
****

Группа: Пользователи
Сообщений: 529
Регистрация: 21.11.2007
Из: Москва ВАО
Пользователь №: 1 428
Авто:Nissan Teana 2.5



Тока что проверил все предохранители - всё ништяк. Проводки, клеммы, все фишки целы и без видимых повреждений. Какой блок находится по сиденьем? Чёто я там ничего не заметил.... dry.gif
Перейти в начало страницы
 
+Цитировать сообщение
alex_turnaev
сообщение 5.12.2009, 18:45
Сообщение #21


Вставить ник

Суправод
*

Группа: Пользователи
Сообщений: 47
Регистрация: 10.11.2009
Из: Тюмень
Пользователь №: 4 029
Авто:JZA80 2JZ-GTE RZ-S



под сиденьем вроде ничего нет.
а релюшки щелкают у тебя при нажатии на кнопку центрального замка? щелкать должно в районе верхнего бордачка.


--------------------
Перейти в начало страницы
 
+Цитировать сообщение
kreativ
сообщение 5.12.2009, 19:40
Сообщение #22


Вставить ник

Суправод
****

Группа: Пользователи
Сообщений: 548
Регистрация: 18.3.2009
Из: За МКАДыш
Пользователь №: 3 420
Авто:BMW M4 F82 / Altezza 4WD 1/4 9.85



Реле врятли в этом виновно, по мне кажется причина в самом электро замке, там что то замыкает и поэтому повторно не включается. Больше я даже не знаю что может, всю ее облазил вдоль и поперек
Перейти в начало страницы
 
+Цитировать сообщение
alex_turnaev
сообщение 5.12.2009, 20:45
Сообщение #23


Вставить ник

Суправод
*

Группа: Пользователи
Сообщений: 47
Регистрация: 10.11.2009
Из: Тюмень
Пользователь №: 4 029
Авто:JZA80 2JZ-GTE RZ-S



у меня один в один, пришел к выводу что причина в замке, причем на пассажирской двери! там на личинке зака клеммы есть, буду от туда глядеть... так как водительская дверь уже полностью проверена, все ок. причина 100% в другой двери выяснилось методом исключения. позже доберусь и до нее. тебе советую смотреть тоже замки на дверях! хотя не факт что одно и то же, хоть и симптомы абсолютно одни и те же.
п.с.: разбирал личинку замка водительской двери, написано 1984:):):) на самой личинке выгравировано! это год?:):):)


--------------------
Перейти в начало страницы
 
+Цитировать сообщение
kreativ
сообщение 5.12.2009, 21:01
Сообщение #24


Вставить ник

Суправод
****

Группа: Пользователи
Сообщений: 548
Регистрация: 18.3.2009
Из: За МКАДыш
Пользователь №: 3 420
Авто:BMW M4 F82 / Altezza 4WD 1/4 9.85



думаю врятли год, на тойотах год не нормируется не где
Перейти в начало страницы
 
+Цитировать сообщение
уху280
сообщение 5.12.2009, 22:27
Сообщение #25


Вставить ник

Суправод
**

Группа: Пользователи
Сообщений: 180
Регистрация: 25.7.2009
Из: Красноярск
Пользователь №: 3 694
Авто:Supra JZA80 ALMSF 2JZ GE



Почитал описания : мой вывод - Коротит обмотка на массу в тяговом замка.
Вот ещё тема ц. замка была затронута . http://www.Supra-club.ru/board/index.php?showtopic=3184


--------------------
Продам Очень красивые колеса!
Перейти в начало страницы
 
+Цитировать сообщение
уху280
сообщение 15.12.2009, 11:52
Сообщение #26


Вставить ник

Суправод
**

Группа: Пользователи
Сообщений: 180
Регистрация: 25.7.2009
Из: Красноярск
Пользователь №: 3 694
Авто:Supra JZA80 ALMSF 2JZ GE



Сделал ? Что было, отпишись ?

Сообщение отредактировал уху280 - 15.12.2009, 11:55


--------------------
Продам Очень красивые колеса!
Перейти в начало страницы
 
+Цитировать сообщение
VoronVRS
сообщение 2.1.2010, 13:23
Сообщение #27


Вставить ник

Суправод
****

Группа: Пользователи
Сообщений: 529
Регистрация: 21.11.2007
Из: Москва ВАО
Пользователь №: 1 428
Авто:Nissan Teana 2.5



Прозвонил все блоки, поменял батарейки, протёр все контакты - не работает. Злой.
Перейти в начало страницы
 
+Цитировать сообщение

2 страниц V   1 2 >
Ответить в данную темуНачать новую тему
1 чел. читают эту тему (гостей: 1, скрытых пользователей: 0)
Пользователей: 0

 



RSS Текстовая версия Сейчас: 26.11.2025, 14:53