Здравствуйте, гость ( Вход | Регистрация )

Lexus GRS195 AWD 2JZ-GTE 4AT, fast street
Фломастер
сообщение 31.8.2016, 11:22
Сообщение #1


Вставить ник

Суправод
******

Куратор темы
Сообщений: 2 014
Регистрация: 20.9.2008
Из: Волгоград
Пользователь №: 1 639
Авто: Lexus GRS195 AWD



Подумал хорошенько biggrin.gif и теперь всерьез рассматриваю другой вариант.
В общем хочу быстрый авто, левый руль, сток вид, комфортный, надёжный, обязательно на каждый день.
Что может быть надежнее 2JZ и комфортнее lexus?
В общем, наверное, установим 2JZ с 4wd AT в lexus GS, тем более что он с завода 4wd.
В планах 500-600 л.с. В общем столько, сколько можно на сток валах и сток топливной.
Lexus IS не хочу, так как он тесный и не комфортный.
Из минусов - не очень свежая модель... но зато недорого и не жалко пилить.
Какие есть мнения?

Сообщение отредактировал Фломастер - 31.8.2016, 11:26
Эскизы прикрепленных изображений
Прикрепленное изображение


Прикрепленное изображение

 
Перейти в начало страницы
 
+Цитировать сообщение
 
Начать новую тему
Ответов
Фломастер
сообщение 15.2.2017, 8:53
Сообщение #2


Вставить ник

Суправод
******

Куратор темы
Сообщений: 2 014
Регистрация: 20.9.2008
Из: Волгоград
Пользователь №: 1 639
Авто: Lexus GRS195 AWD



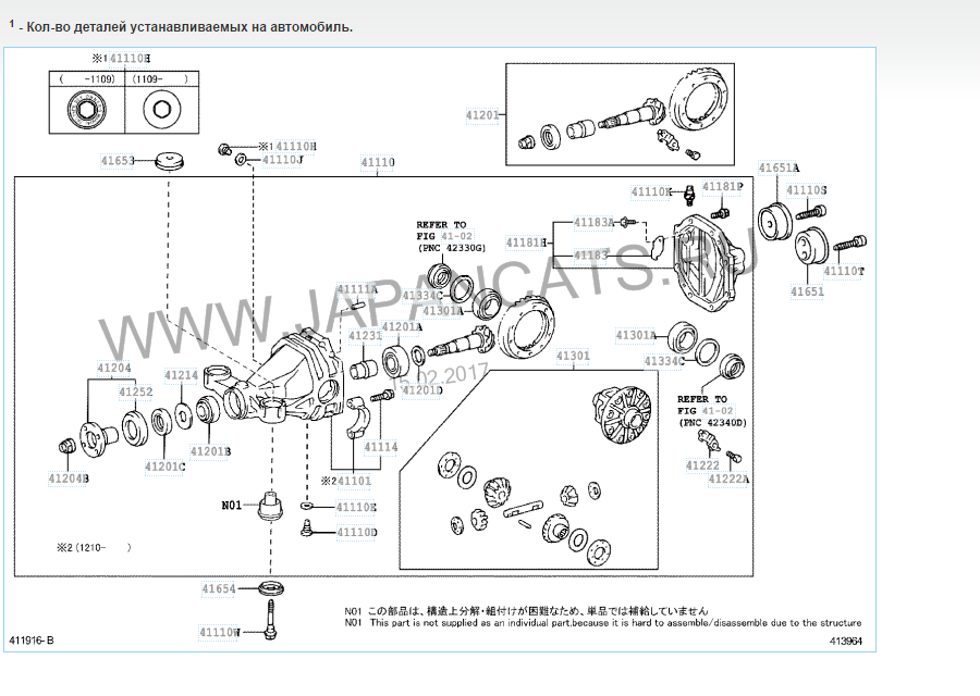
Как определить 7,5 дюймов или 8,0?
первый скрин GS300 AWD
второй скрин IS250 RWD

Сообщение отредактировал Фломастер - 15.2.2017, 8:55
Эскизы прикрепленных изображений
Прикрепленное изображение


Прикрепленное изображение

 
Перейти в начало страницы
 
+Цитировать сообщение

Сообщений в этой теме
- Фломастер   Lexus GRS195 AWD 2JZ-GTE 4AT   31.8.2016, 11:22
- - cooper   варик крутецкий!!! а были уже похожие ...   31.8.2016, 14:02
- - Фломастер   Я искал не очень пристально, не нашел. IS250/350 2...   31.8.2016, 14:22
- - John337   Отчаянный ты!!!! Но в этом и есть ...   31.8.2016, 17:23
- - corollas   хе хе у мя lexus gs300 2JZ-GTEVVT-i только привод ...   31.8.2016, 20:19
- - Фломастер   corollas, тебе проще немного) JZS161 отмел, так ка...   31.8.2016, 20:29
- - RVU   Идея отличная Мне GS нравится всем, кроме салон...   1.9.2016, 5:59
- - Ro_Ja   RVU, чего выдумывать, купи is-f Салон в GS бомбич...   1.9.2016, 10:19
- - RVU   Ro_Ja, IS-F конечно хорош, но смущает расход и нал...   1.9.2016, 10:42
- - Фломастер   Ro_Ja, так можно и про GS сказать - купи GS460 - ...   1.9.2016, 11:55
- - Ro_Ja   Фломастер, честно говоря, теперь не понимаю почему...   1.9.2016, 13:26
- - Фломастер   Ну, основное - это невозможность использования Суп...   1.9.2016, 21:39
- - daz-man777   Фломастер, зачем изобретать велосипед, есть в прод...   2.9.2016, 9:35
- - Фломастер   GS300 полноприводных достаточно. Этим и привлекает...   2.9.2016, 9:46
- - daz-man777   Но 600 л.с на каждый день это конечно бомбец Но ...   2.9.2016, 9:57
- - Фломастер   600 л.с. - это на 1,4 бара избытка. на пружинном б...   2.9.2016, 10:15
- - daz-man777   Ну у тебя так и получится, авто будет каждый день...   2.9.2016, 10:28
- - Фломастер   Вообще, нет цели именно 600 л.с. сделать Вполне во...   2.9.2016, 10:28
- - daz-man777   не ездил, но подозреваю, что даже установка низкоп...   2.9.2016, 10:35
- - daz-man777   Тогда я немного не понимаю в чем будет заключаться...   2.9.2016, 10:45
- - Фломастер   по поводу - на каждый день: в чем проблема ездить ...   2.9.2016, 10:52
- - daz-man777   я тебя не в коем случае не отговариваю, мне просто...   2.9.2016, 10:54
- - Фломастер   стандартный 249 сильный. может и остановлюсь на 35...   2.9.2016, 10:59
- - Sub   Нужны только разборки с НАМИ и гаевней, чтобы проп...   2.9.2016, 12:30
- - Фломастер   а для чего это? пока не представляю ситуацию чтобы...   2.9.2016, 12:37
- - Sub   Чтобы при очередной спецоперации не обнаружилось, ...   2.9.2016, 13:55
- - Фломастер   Честно, я оцениваю такой поворот событий как крайн...   2.9.2016, 14:36
- - thedemon   С этим не поспорить!   5.9.2016, 21:26
- - Фломастер   Ищу gs300 неспеша. Хороших машин нет, в основном у...   6.9.2016, 5:59
- - RVU   Да, тяжело будет найти хороший экземпляр. Когда се...   6.9.2016, 6:50
- - Фломастер   У нас в городе 2 шт и то заднеприводные. Присмотре...   6.9.2016, 7:14
- - thedemon   В МСК или Питере должны ж быть, не?   6.9.2016, 23:38
- - Фломастер   Тачки есть. Но если сделать отбор 4вд и белый, то...   7.9.2016, 7:16
- - -=Yura=-   ЦитатаЧестно, я оцениваю такой поворот событий как...   8.9.2016, 9:37
- - Фломастер   либо без ДВС либо иметь нужного знакомого либо так...   8.9.2016, 9:41
- - Фломастер   У меня Супра 8 лет была. Надеюсь и GS тоже надолго...   8.9.2016, 9:46
- - ed020   Можно пойти таким путем https://www.nengun.com/hks...   8.9.2016, 16:44
- - Фломастер   2GR это на GS350, соответственно неприятный налог....   8.9.2016, 17:29
- - Фломастер   Ну что, Lexus GS300 AWD теперь у меня. Состояние.....   14.9.2016, 23:50
- - Katas   Поздравляю с покупкой!!!   15.9.2016, 12:57
- - Mirex   Хорош.   15.9.2016, 13:53
- - Wolf_sw   круть   15.9.2016, 20:29
- - moviegear   Фломастер, гибрид не рассматривал? Едет весьма луч...   18.10.2016, 8:38
- - thedemon   Ну а при чем тут гибрид если 2 страницы назад идео...   18.10.2016, 15:26
- - moviegear   thedemon, я просто задал вопрос, рассматривал ли о...   18.10.2016, 22:56
- - Фломастер   moviegear, не рассматривал гибрид, по причине задн...   19.10.2016, 7:11
- - Фломастер   Пришло время подвести небольшие итоги, поделиться ...   27.10.2016, 22:31
- - Фломастер   Еще могу добавить: - на удивление Lexus GS III вну...   27.10.2016, 22:42
- - DENYKOR   БОльшая часть конечно расходники, но скрип салона ...   28.10.2016, 11:34
- - Фломастер   Машина 2005 года. Скажу больше - лексус скрипит, ...   28.10.2016, 12:59
- - Mirex   Цитата(Фломастер @ 28.10.2016, 13:04) Ост...   28.10.2016, 19:19
- - Фломастер   ЦитатаБОльшая часть конечно расходники, но скрип с...   28.10.2016, 23:46
- - DENYKOR   Я наверное не правильно выразился, имел в виду, чт...   29.10.2016, 0:33
- - -=Yura=-   Цитата600 л.с. - это на 1,4 бара избытка. на пружи...   29.10.2016, 18:36
- - Фломастер   Если очень хочется, то да. Сток мозг с пиггибэком,...   29.10.2016, 19:16
- - Фломастер   Потихоньку двигаюсь к цели. Взял 2JZ-GTE VVT-i и н...   18.12.2016, 19:02
- - Wolf_sw   крутяк.... тут у кого то из дрифтеров востока зае...   18.12.2016, 20:55
- - Фломастер   АКПП 4WD - готова, в пути. Собрана так же как и на...   26.1.2017, 21:06
- - Фломастер   Есть у кого нибудь инфа по трансмиссии с 7,5 редук...   3.2.2017, 16:25
- - Фломастер   Долго думал над тем какие колеса будут в итоге, ре...   3.2.2017, 16:32
- - Benjiro   Пообщался с сваперами маркообразных, многие не мен...   3.2.2017, 22:20
- - Wolf_sw   по российским дорогам с 2 тоннами на низком профил...   3.2.2017, 22:22
- - Фломастер   Wolf_sw, взял специально 19 дюймов, с учетом наших...   3.2.2017, 22:44
- - Фломастер   Несколько фото   4.2.2017, 8:30
- - Wolf_sw   красивый семейный... еще если и наваливать будет и...   4.2.2017, 17:57
- - Фломастер   Вообще, план - быть всему на этом авто, что с заво...   4.2.2017, 20:34
- - Wolf_sw   да красиво жить не запретишь   4.2.2017, 22:19
- - Фломастер   Это кто говорит? Человек, у которого едва хватало ...   4.2.2017, 22:36
- - Фломастер   В лучших традициях владельцев Супра, озаботился ре...   4.2.2017, 22:59
- - Wolf_sw   Супры как деньги - странный предмет , сегодня врод...   4.2.2017, 23:23
- - Фломастер   Переход на 8,0 редуктор потребует замены приводов,...   7.2.2017, 8:35
- - Фломастер   Поиск информации о пределах прочности трансмиссии ...   9.2.2017, 9:43
- - Фломастер   Чувствую популярный будет бортовик   10.2.2017, 12:39
- - Benjiro   Тут в целом всё на спад пошло) Подкину мысли про ...   10.2.2017, 17:14
- - Фломастер   Ну так если держит буст на 420 Нм на 1 оси, то поч...   10.2.2017, 23:09
- - Артемий   Очень интересно следить. Когда свап? Крепление д...   12.2.2017, 11:49
- - Фломастер   Свап 5 апреля. Крепление двс колхозить, конечно.   12.2.2017, 14:33
- - Фломастер   Хочу ЛСД взять. Нашел лот на дроме http://baza.dro...   14.2.2017, 10:15
- - RVU   Странно что стоит редуктор 7,5 У меня на IS250 ...   14.2.2017, 11:16
- - Фломастер   На ГС300 задний привод, тоже 8,0. Может и не стран...   14.2.2017, 11:22
- - Фломастер   Судя по картинке в elcats, на IS250 такой же 7,5 р...   14.2.2017, 11:30
- - andreysupra   Маханький такой кажется   14.2.2017, 11:49
- - RVU   Фломастер, на заднем приводе IS250 стоит 8 дюймовы...   15.2.2017, 4:49
- - Фломастер   Как определить 7,5 дюймов или 8,0? первый скрин GS...   15.2.2017, 8:53
- - andreysupra   Думаю можно по номерам деталей и поиск по фото,раз...   15.2.2017, 11:53
- - Ro_Ja   Нужно учитывать, что у RVU IS250 не последнего пок...   16.2.2017, 10:25
- - RVU   По схеме не знаю как их отличить, но чисто внешне:...   16.2.2017, 13:01
- - -=Yura=-   видел алтезу с лсд, такие точно существуют. Узнать...   16.2.2017, 13:41
- - Фломастер   RVU, на твоем редукторе кто-то трещетку забыл) спа...   16.2.2017, 14:46
- - Фломастер   АКП приехала, сложил в уголок)   22.2.2017, 9:42
- - Фломастер   Параллельно привожу в чувства интерьер. Руль, подл...   22.2.2017, 10:02
- - Фломастер   У нас весна, можно сказать... Я на "лете...   9.3.2017, 18:21
- - Wolf_sw   судя по фото передние колеса в 1.5 раза больше зад...   10.3.2017, 22:24
- - Фломастер   Всем привет! Ну что, лексус готов. Сейчас тест...   26.10.2017, 12:30
- - ed020   Гп его родная, 4.1? Не буксует с места? Или с этим...   26.10.2017, 12:44
- - Фломастер   ГП 4,1. на полном вообще не буксует. на заднем тож...   26.10.2017, 12:46


Ответить в данную темуНачать новую тему
3 чел. читают эту тему (гостей: 3, скрытых пользователей: 0)
Пользователей: 0

 



RSS Текстовая версия Сейчас: 18.10.2025, 6:49