Вальбро, вот такая хрень |
Здравствуйте, гость ( Вход | Регистрация )
Вальбро, вот такая хрень |
20.2.2010, 11:17
Сообщение
#1
|
|
![]() Вставить ник Суправод ![]() ![]() ![]() ![]() Группа: Активные пользователи Сообщений: 712 Регистрация: 8.3.2008 Из: Ангарск Пользователь №: 1 486 Авто: JZA80 2JZ-GTE(3.1)/Greddy T88/Getrag/AEM |
в упор один давит 3.1, второй 2.2. Насосы отработали 2 месяца.
|
|
|
|
![]() |
13.5.2010, 22:13
Сообщение
#2
|
|
![]() Вставить ник Суправод ![]() ![]() ![]() ![]() ![]() Группа: Активные пользователи Сообщений: 1 166 Регистрация: 10.6.2008 Из: Орехово-Зуево Пользователь №: 1 556 Авто:2JZ-GTE AT |
|
|
|
|
sobrat Вальбро 20.2.2010, 11:17
2rbo4ever Как подключил? 20.2.2010, 11:29
Mr. Y как проводились замеры давления? тупо насос + мано... 20.2.2010, 11:55
sobrat Тупо в стенку. Два насоса, две магистрали. На коне... 20.2.2010, 12:22
Mr. Y где покупал? 20.2.2010, 12:38
СУПУРА есть валбро usa , а есть валбро стайл китай 20.2.2010, 14:37
John_Travolta Надо признать что и в юса бывает брак, но они обыч... 20.2.2010, 22:45
Bakki Не совсем в тему вопрос, но надеюсь топикстарер пр... 21.2.2010, 1:47
2rbo4ever +1 за бош 21.2.2010, 1:59
Bakki А почему? Из-за веса? Или просто потому, что Bosch... 21.2.2010, 2:00
2rbo4ever :):):)тише!:):) 21.2.2010, 2:03
sobrat лет 15 назад у меня был мерс с системой впрыске ке... 21.2.2010, 3:00
Bakki QUOTE (sobrat @ 21.2.2010, 4:04) лет 15 н... 21.2.2010, 16:57
СУПУРА можешь фото сделать ? ...для общего развития :) мо... 21.2.2010, 3:08
sobrat конечно, страна должна знать своих героев :). Стра... 21.2.2010, 3:12
John_Travolta Денсо хорошо 21.2.2010, 6:50
Mr. Y Проблема с вальбрами в том, что их левых дофига да... 21.2.2010, 14:30
AeR0>JuN а 044 бош тока немецкий? или чешский тож есть? 21.2.2010, 15:09
Mr. Y Цитата(AeR0>JuN @ 21.2.2010, 16:13) а ... 21.2.2010, 18:21
MOTOR Тогда я немного у вас спрошу ,УВАЖАЕМЫЕ:
А что л... 21.2.2010, 16:16
red80 Цитата(MOTOR @ 21.2.2010, 17:20) Тогда я ... 21.2.2010, 17:10
MOTOR Цитата(red80 @ 21.2.2010, 18:14) Тойотовс... 21.2.2010, 22:19
strchikk Цитата(red80 @ 22.2.2010, 2:14) Тойотовск... 6.5.2010, 15:56
Audison Mr. Y, мой 044 Бош как раз был изготовлен в Чехии 21.2.2010, 22:44
red80 Цитата(MOTOR @ 21.2.2010, 23:23) Спасибо ... 22.2.2010, 1:17
Матрос Железняк Цитата(sobrat @ 20.2.2010, 16:21) в упор ... 23.2.2010, 7:11
sobrat Матрос Железняк, Акб вШтатном месте, 12 с копейкам... 23.2.2010, 14:38
Матрос Железняк Цитата(sobrat @ 23.2.2010, 19:42) Матрос ... 25.2.2010, 3:38
GTEpowered Mr.Y твой бош 044 Чех
ЦитатаМоя (покупалась, когда... 23.2.2010, 14:41
Mr. Y Цитата(GTEpowered @ 23.2.2010, 15:45) Mr.... 23.2.2010, 17:29
Bakki QUOTE (sobrat @ 23.2.2010, 15:42) Матрос ... 23.2.2010, 18:01
sobrat не, у меня на прямую сделано 25.2.2010, 4:03
sobrat заменил насосы на денсо. фото героически погибших ... 22.4.2010, 8:10
SRTi Цитата(sobrat @ 22.4.2010, 9:14) заменил ... 13.2.2011, 22:28
Mr. Y судя по сетке - они работали гораздо дольше. Или б... 22.4.2010, 8:19
sobrat сетка старая,та котрая шла в комплекте, была случа... 22.4.2010, 8:25
jdi родной цвет типа топленое молоко у фильтра? 22.4.2010, 12:09
GTEpowered белый на USDM насосике во всяком случае 22.4.2010, 12:35
sobrat помню,что белый, по оттенкам уже как то затёрлись ... 22.4.2010, 12:46
jdi я просто менял на Селике фильтр, так там был белый... 23.4.2010, 19:36
Ридик Пару дней назад поставил себе Валборо 255 проверил... 23.4.2010, 20:17
wwwanton Цитата(Ридик @ 23.4.2010, 22:21) Пару дне... 29.4.2010, 17:24
sobrat jdi, читаем внимательней,сетка не родная! 24.4.2010, 15:22
jdi То есть она не тойотовская и новая она такого цвет... 24.4.2010, 15:36
visual А как ты понял что они у тебя померли Вальбро насо... 29.4.2010, 11:57
sobrat сначала подумал,что регулятор давления гонит,ибо д... 29.4.2010, 12:50
Sub Цитата(sobrat @ 29.4.2010, 14:54) Насколь... 29.4.2010, 23:16
visual понял, спасибо.
но я имею в виду как повела себя м... 29.4.2010, 14:37
sobrat я же говорю,было не стабильное давление в рейке. К... 29.4.2010, 15:10
Sub Он контролирует работу насоса. При малой нагрузке ... 7.5.2010, 13:39
серега Цитата(Sub @ 7.5.2010, 15:43) Стоит за ле... 10.5.2010, 12:02
strchikk СПАСИБО! я так понимаю просто подаю питание ми... 7.5.2010, 14:23
visual вопрос: для чего стоят 2 насоса? 7.5.2010, 14:35
jdi чтобы давление топлива поддержать при тапке в пол 7.5.2010, 15:07
Sub Цитата(strchikk @ 7.5.2010, 16:27) СПАСИБ... 7.5.2010, 17:54
Archon серега,
2 это на задние фонари.
1 на насос 11.5.2010, 8:35
Sub Вообще-то ни то, ни другое, но стоит около номера ... 11.5.2010, 12:05
серега оно? 11.5.2010, 20:03
ximik да 11.5.2010, 20:57
серега ребята, обьясните что и где надо переделать, что б... 11.5.2010, 22:16
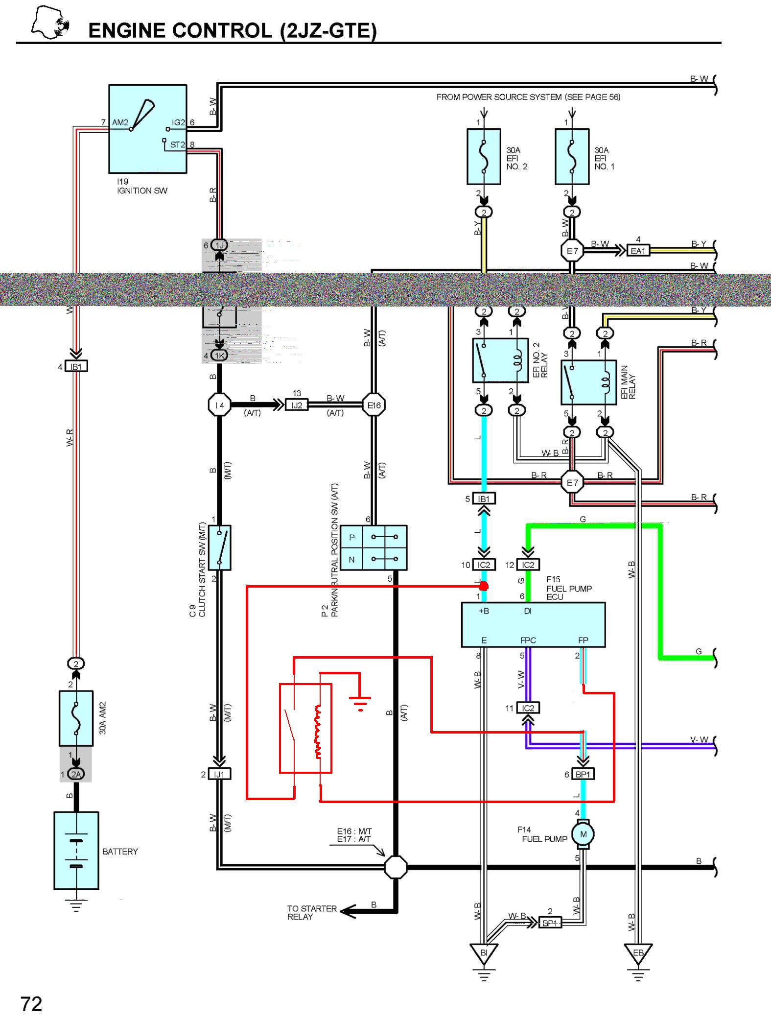
Sub Лог из аси:
На насос с контроллера идет сине-красн... 13.5.2010, 12:49
Sub Загрузил картинку на форум, чтобы не потерялась 13.5.2010, 22:40
jdi на атме есть блок и там же стоит? просто панели сн... 14.5.2010, 12:45
Sub На ПР на турбо и атмо топливные насосы (а значит и... 14.5.2010, 13:41
jdi Наверно я сляпой:):)) 15.5.2010, 11:48
Mr. Y Сегодня на одной вальбре сняли 607 сил. Но повторя... 10.6.2010, 0:38
Evgen Ранее подключал насос Бош 044, по такой же схеме к... 10.6.2010, 8:03
Mr. Y Цитата(Evgen @ 10.6.2010, 10:07) Второй в... 10.6.2010, 22:17
sedoi Цитата(Mr. Y @ 11.6.2010, 4:21) Реле бенз... 26.3.2012, 18:48
Sub Подключи вольтметр и посмотри, какое у тебя там на... 10.6.2010, 16:33
серега такая же фигня, не всегда конечно, но бывает когда... 10.6.2010, 22:09
koliywrx Так? Какое давление должно быть при таком подсоеди... 20.1.2011, 8:32
koliywrx Кто-нибудь скажт мне? 20.1.2011, 11:18
sobrat SRTi, насосы были новые. Пробег, максимум 3 тыщи. ... 14.2.2011, 4:37
SRTi Был еще один прикол, причем с оригиналом. На верхн... 16.2.2011, 21:50
SRTi sobrat, не пробовал? 21.2.2011, 8:47
sobrat надо будет глянуть. 22.2.2011, 8:49
Sub Вот хорошая статейка о правильном подключении топл... 5.2.2012, 19:29
Surgut88 в схемах нифигища не понимаю. можете на пальцах об... 8.2.2012, 14:55
Aversjke Какое именно реле нужно врезать!?! может п... 8.2.2012, 15:23
Саша Если делать по схеме без реле просто скрутить пров... 25.3.2012, 13:03
the_answer Блин может кто нибудь доходчиво расписать как подк... 1.4.2012, 9:41
sedoi "На насос с контроллера идет сине-красный про... 3.4.2012, 7:08
the_answer Спасибо, будем пробовать)) 5.4.2012, 11:31
strchikk Заморочился насосом а точнее подключением через ре... 18.4.2013, 11:02
Vanenok85 В комплекте с Вальбро идут вот такие штуковины:
... 14.5.2013, 0:32
master А ты замочи его в бензине на недельку и узнаешь ка... 14.5.2013, 8:17
AquaGen Всем привет! Апну тему. На днях заменил сток н... 10.9.2013, 5:59![]() ![]() |
|
Текстовая версия | Сейчас: 28.2.2026, 11:20 |