Здравствуйте, гость ( Вход | Регистрация )

Toyota Techstream, Диагностика
AquaGen
сообщение 22.3.2016, 17:56
Сообщение #1


Вставить ник


*****

Группа: Неактивированные
Сообщений: 1 124
Регистрация: 15.12.2012
Из: Сургут
Пользователь №: 7 668
Авто:Supra JZA80 MT 2JZ-GTE VVT-i, R154



Программа диагностики автомобилей "Toyota Techstream"

Прикрепленное изображение

Только для владельцев Супры на 2JZ-GTE VVT-i c obd2 разъемом.

Кто либо использовал такую программу и шнурок диагностический типа Mini-VCA (OBD2) ?

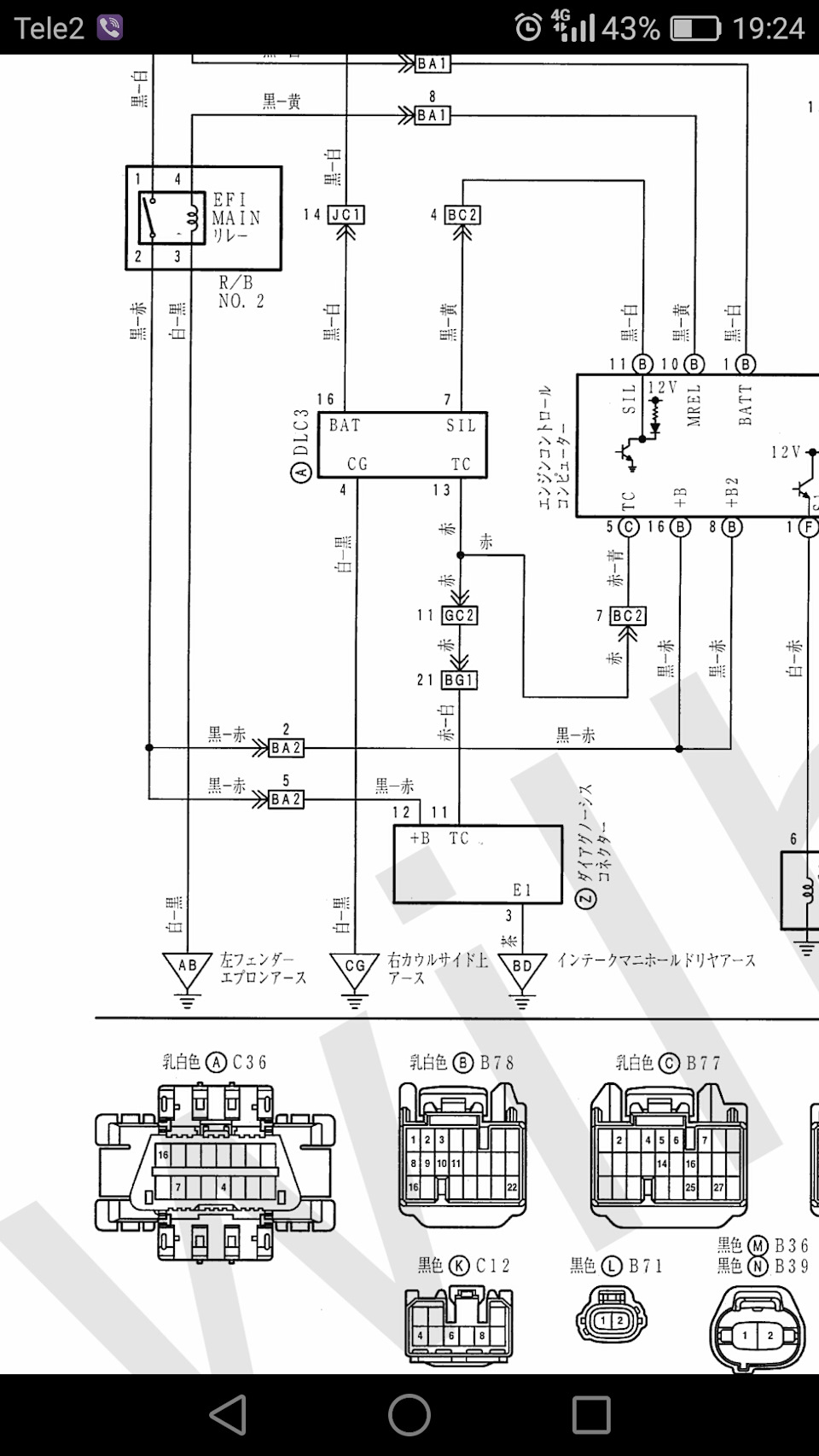
Давно еще нащёл на разборке разъем DLC3 от какой то тойоты, для того что бы при свапе его подключить к своему мозгу, пока руки не дошли. Есть ли смысл?

Прикрепленное изображение

Работает ли этот сканер с протоколом для Toyota Aristo, Supra VVT-i (mt, at ecu) ? Просто хочу уже летом разъем подключить к мозгу.

Сообщение отредактировал AquaGen - 22.3.2016, 17:57


--------------------
Перейти в начало страницы
 
+Цитировать сообщение
 
Начать новую тему
Ответов (1 - 10)
AquaGen
сообщение 18.9.2016, 19:32
Сообщение #2


Вставить ник


*****

Группа: Неактивированные
Сообщений: 1 124
Регистрация: 15.12.2012
Из: Сургут
Пользователь №: 7 668
Авто:Supra JZA80 MT 2JZ-GTE VVT-i, R154



Напомню что летом покупал разъем, потом его распиновал по схеме 2JZ-GTE VVT-i ECU Supra и вывел его в ноги пассажира. Заказал дешевый ELM327 v.1.5 на Алиэкспресс. На версии 2.1 ELM327 работать ничего не будет — можно не пытаться.

Всё таки удалось подключится к мозгу Супры!

1) Для этого нам нужно скачать Torque Pro на Android телефон с блютуз.
2) В программе — в настройках профиля зайти в "VERY ADVANCED ELM327 section"
3) Прописать эту строчку:
ATIB 96 \n ATIIA 13 \n ATSH8213F0 \n ATSP4 \n 0100

Можно смотреть основные параметры, а так же читать ошибки — которых у меня и нет =)
Зимой закажу еще один диагностический сканер от Toyota Techstream.


Эскизы прикрепленных изображений

Прикрепленное изображение


Прикрепленное изображение

 

Прикрепленные изображения
Прикрепленное изображение
 


--------------------
Перейти в начало страницы
 
+Цитировать сообщение
Rozarii
сообщение 19.9.2016, 9:26
Сообщение #3


Вставить ник


***

Группа: Пользователи
Сообщений: 222
Регистрация: 6.5.2013
Из: Ростов-на-Дону
Пользователь №: 8 009
Авто:Toyota Supra JZA80'93



Есть и кабель Мангус и TIS стоит (мать его за ногу, как его тяжело ставить на 64бит), но машина не на ходу щас(
Кстати TIS читает и GE моторы, обд2 не обязателен


--------------------
Перейти в начало страницы
 
+Цитировать сообщение
kennybrown
сообщение 12.3.2018, 16:14
Сообщение #4


Вставить ник


*

Группа: Пользователи
Сообщений: 40
Регистрация: 18.6.2016
Из: Санкт-Петербург
Пользователь №: 10 292
Авто:bmw



я пользуюсь текстримом с китай кабелем, у меня только мотор от Аристы, касательно диагностики мотора все работает, в теории даже акпп, правда ее нет.
Перейти в начало страницы
 
+Цитировать сообщение
AquaGen
сообщение 12.3.2018, 20:20
Сообщение #5


Вставить ник


*****

Группа: Неактивированные
Сообщений: 1 124
Регистрация: 15.12.2012
Из: Сургут
Пользователь №: 7 668
Авто:Supra JZA80 MT 2JZ-GTE VVT-i, R154



У меня и Супра VVT-i работает. Выбираешь только регион Япония. Она там тоже есть.


--------------------
Перейти в начало страницы
 
+Цитировать сообщение
GTRi
сообщение 7.11.2018, 12:14
Сообщение #6


Вставить ник

Суправод
***

Группа: Пользователи
Сообщений: 291
Регистрация: 13.8.2009
Из: Иркутская область, г.Братск
Пользователь №: 3 735
Авто:Mersedes-Benz AMG



А через DLC2 чем можно подключиться? Переходников по-ходу нет...
Перейти в начало страницы
 
+Цитировать сообщение
AquaGen
сообщение 7.11.2018, 15:11
Сообщение #7


Вставить ник


*****

Группа: Неактивированные
Сообщений: 1 124
Регистрация: 15.12.2012
Из: Сургут
Пользователь №: 7 668
Авто:Supra JZA80 MT 2JZ-GTE VVT-i, R154



GTRi, а всё равно не получится. Туда даже не идёт шинный пин SIL.


--------------------
Перейти в начало страницы
 
+Цитировать сообщение
GTRi
сообщение 9.11.2018, 3:21
Сообщение #8


Вставить ник

Суправод
***

Группа: Пользователи
Сообщений: 291
Регистрация: 13.8.2009
Из: Иркутская область, г.Братск
Пользователь №: 3 735
Авто:Mersedes-Benz AMG



AquaGen, короче актуальна твоя схема, описанная выше только!
Перейти в начало страницы
 
+Цитировать сообщение
Tarasewich
сообщение 2.6.2019, 13:35
Сообщение #9


Вставить ник




Группа: Новые пользователи
Сообщений: 1
Регистрация: 2.6.2019
Из: Южно-Сахалинск
Пользователь №: 10 891
Авто:Toyota Soarer



Приветствую,
у меня не получается подключиться с машине
Ситуация такая:
- Toyota Soarer 1994 JZZ31
- Двигатель от Аристо 2JZ GTE
- Комп от Аристо на Автомате
- Ручная Коробка

Сканер подключаю, а в программе нет Аристо, выбираю Супру он не подлючается, а подобных машин с такм же двигателем нет.
Как подключиться?
Пытался выбрать другой регион, но тогда фальшивая регистрация слетает
Перейти в начало страницы
 
+Цитировать сообщение
BUCH
сообщение 16.6.2019, 6:12
Сообщение #10


Вставить ник




Группа: Новые пользователи
Сообщений: 3
Регистрация: 13.11.2018
Из: Саратов
Пользователь №: 10 830
Авто:митсубиси FTO



Скачай на торенте Techstream,там же форум ,спроси про ключ, я себе поставил для работы,ключ на все страны то же купил за 300руб, марка на 1JZ спокойно брал. работаю на боше с протоколом J2534


--------------------
-"Войны меняются,а солдаты все те же..." (с) 2PAC
Перейти в начало страницы
 
+Цитировать сообщение
Sub
сообщение 17.6.2019, 0:13
Сообщение #11


Вставить ник

Single wingless
******

Группа: Главные администраторы
Сообщений: 7 201
Регистрация: 16.2.2006
Из: Москва
Пользователь №: 5
Авто:10/96 JZA80 T67DBB 6MT, 09/00 UZS161 EUR



Tarasewich, для подключения к OBD-I (2JZ-GTE без VVT-i) проходим по этой ссылке Диагностика OBDI


--------------------
Новые запчасти в наличии и на заказ. Оригинал, неоригинал, масла, спецжидкости.


10/1996 || TT: Acre, AEM, Aeromotive, A'PEXi, ARP, ATP Turbo, BFGoodrich, Blitz, Brian Crower, Boost Logic, Carbonetic, Cusco, Eibach, GReddy, HKS, Innovate, K & N, Koyorad,
KYB, Michelin, Mickey Thompson, Precision, Recaro, Soara, Sound Performance, SSR, Summit, Synapse, Thermo Tec, Titan, Titek, Toyota, TRD, Trust, Walbro, Yokohama
+ Custom


Спорить с админом - всё равно, что биться с драконом. Вроде и пинка ему уже отвесил, и мечом потыкал, и кажется, что горло пристроился пилить, но тут ему надоело и он выдохнул...
Перейти в начало страницы
 
+Цитировать сообщение

Ответить в данную темуНачать новую тему
1 чел. читают эту тему (гостей: 1, скрытых пользователей: 0)
Пользователей: 0

 



RSS Текстовая версия Сейчас: 27.11.2025, 23:38