Здравствуйте, гость ( Вход | Регистрация )

Коса на 2JZ-GTE
AeR0>JuN
сообщение 25.12.2009, 8:54
Сообщение #1


Вставить ник

Суправод
***

Группа: Пользователи
Сообщений: 222
Регистрация: 7.3.2009
Из: KRG-ATA/KZ
Пользователь №: 3 390
Авто:Toyota Supra 2JZ-GTE R154 SZ silver



Не могу найти парт номер косы на 2JZ-GTE без VVT-i на механику, кароче Супра JZA80, 2JZ-GTE без VVT-i, 6 МКПП, дорестайл...плиз киньте парт номера...
Перейти в начало страницы
 
+Цитировать сообщение
3 страниц V   1 2 3 >  
Начать новую тему
Ответов (1 - 51)
IQ200
сообщение 25.12.2009, 9:37
Сообщение #2


Вставить ник

Суправод
****

Группа: Пользователи
Сообщений: 827
Регистрация: 28.1.2009
Из: Алматы (KZ)
Пользователь №: 3 323
Авто:Dodge Durango Shelby SP360



я тебе примерно даже цену скажу) 750 дол
парты по позже скину


--------------------
Errare humanum est,
Qui tacet – consentire videtur!
Перейти в начало страницы
 
+Цитировать сообщение
IQ200
сообщение 25.12.2009, 9:51
Сообщение #3


Вставить ник

Суправод
****

Группа: Пользователи
Сообщений: 827
Регистрация: 28.1.2009
Из: Алматы (KZ)
Пользователь №: 3 323
Авто:Dodge Durango Shelby SP360



8212114802 - Supra turbo.6F 95-96 god
780 дол


--------------------
Errare humanum est,
Qui tacet – consentire videtur!
Перейти в начало страницы
 
+Цитировать сообщение
GTEpowered
сообщение 25.12.2009, 14:56
Сообщение #4


Вставить ник


*****

Группа: Пользователи
Сообщений: 1 693
Регистрация: 10.3.2009
Из: г. Москва
Пользователь №: 3 400
Авто:Corvette C5



на 70-ку ~ столько же) провода они и есть провода)


--------------------
Если ты сдох/продал Супру - значит ты слаб. Естественный отбор, huli. © Mr.Y
Перейти в начало страницы
 
+Цитировать сообщение
master
сообщение 8.11.2012, 14:44
Сообщение #5


Вставить ник


****

Группа: Активные пользователи
Сообщений: 920
Регистрация: 31.3.2010
Из: Иркутск
Пользователь №: 4 538
Авто:Toyota Supra 1997г., 2JZ-GTE VVT-I, Getrag, белая (40)



кто знает от чего две фишки которые обозначены как ХЗ ?
ну и на всякий случай фотки с подписями всех разъемов подкапотной косы 2JZ-GTE VVT-i 80 Супры, с названиями датчиков мог ошибаться, но смысл понятен, может кому пригодится когда нибудь (думаю что правильно все пометил)
Прикрепленное изображение


Прикрепленное изображение


Прикрепленное изображение


Прикрепленное изображение
Перейти в начало страницы
 
+Цитировать сообщение
drool
сообщение 8.11.2012, 15:01
Сообщение #6


Вставить ник

Суправод
******

Группа: Активные пользователи
Сообщений: 7 797
Регистрация: 20.7.2006
Из: Москва, САО
Пользователь №: 1 137
Авто:JZA80 `94/02 TT 6MT



Большая серая - на круиз контроль, черная - к датчику темп. окр. среду (он подключен кстати)


--------------------
Мой телефон: 8-926-246-91-96
The BEST Supra - JZA80 TT 6MT
Перейти в начало страницы
 
+Цитировать сообщение
master
сообщение 8.11.2012, 15:14
Сообщение #7


Вставить ник


****

Группа: Активные пользователи
Сообщений: 920
Регистрация: 31.3.2010
Из: Иркутск
Пользователь №: 4 538
Авто:Toyota Supra 1997г., 2JZ-GTE VVT-I, Getrag, белая (40)



а не термистор радиатора идет к датчику темп. окр. среды? вот он кстати
Прикрепленное изображение
Перейти в начало страницы
 
+Цитировать сообщение
Sub
сообщение 8.11.2012, 15:29
Сообщение #8


Вставить ник

Single wingless
******

Группа: Главные администраторы
Сообщений: 7 201
Регистрация: 16.2.2006
Из: Москва
Пользователь №: 5
Авто:10/96 JZA80 T67DBB 6MT, 09/00 UZS161 EUR



Левый ХЗ - передний активный спойлер.
Правый ХЗ - к вентилятору, что стоит на турбо-автоматах перед радиатором кондиционера.

P.S. Круиз на VVT-i не ставили


--------------------
Новые запчасти в наличии и на заказ. Оригинал, неоригинал, масла, спецжидкости.


10/1996 || TT: Acre, AEM, Aeromotive, A'PEXi, ARP, ATP Turbo, BFGoodrich, Blitz, Brian Crower, Boost Logic, Carbonetic, Cusco, Eibach, GReddy, HKS, Innovate, K & N, Koyorad,
KYB, Michelin, Mickey Thompson, Precision, Recaro, Soara, Sound Performance, SSR, Summit, Synapse, Thermo Tec, Titan, Titek, Toyota, TRD, Trust, Walbro, Yokohama
+ Custom


Спорить с админом - всё равно, что биться с драконом. Вроде и пинка ему уже отвесил, и мечом потыкал, и кажется, что горло пристроился пилить, но тут ему надоело и он выдохнул...
Перейти в начало страницы
 
+Цитировать сообщение
master
сообщение 8.11.2012, 15:32
Сообщение #9


Вставить ник


****

Группа: Активные пользователи
Сообщений: 920
Регистрация: 31.3.2010
Из: Иркутск
Пользователь №: 4 538
Авто:Toyota Supra 1997г., 2JZ-GTE VVT-I, Getrag, белая (40)



это типа из за универсальности проводки эти два разъема не задействованы?
Перейти в начало страницы
 
+Цитировать сообщение
Sub
сообщение 8.11.2012, 15:47
Сообщение #10


Вставить ник

Single wingless
******

Группа: Главные администраторы
Сообщений: 7 201
Регистрация: 16.2.2006
Из: Москва
Пользователь №: 5
Авто:10/96 JZA80 T67DBB 6MT, 09/00 UZS161 EUR



Да, унификация


--------------------
Новые запчасти в наличии и на заказ. Оригинал, неоригинал, масла, спецжидкости.


10/1996 || TT: Acre, AEM, Aeromotive, A'PEXi, ARP, ATP Turbo, BFGoodrich, Blitz, Brian Crower, Boost Logic, Carbonetic, Cusco, Eibach, GReddy, HKS, Innovate, K & N, Koyorad,
KYB, Michelin, Mickey Thompson, Precision, Recaro, Soara, Sound Performance, SSR, Summit, Synapse, Thermo Tec, Titan, Titek, Toyota, TRD, Trust, Walbro, Yokohama
+ Custom


Спорить с админом - всё равно, что биться с драконом. Вроде и пинка ему уже отвесил, и мечом потыкал, и кажется, что горло пристроился пилить, но тут ему надоело и он выдохнул...
Перейти в начало страницы
 
+Цитировать сообщение
drool
сообщение 8.11.2012, 15:56
Сообщение #11


Вставить ник

Суправод
******

Группа: Активные пользователи
Сообщений: 7 797
Регистрация: 20.7.2006
Из: Москва, САО
Пользователь №: 1 137
Авто:JZA80 `94/02 TT 6MT



Точно. Прошляпил месторасположения )


--------------------
Мой телефон: 8-926-246-91-96
The BEST Supra - JZA80 TT 6MT
Перейти в начало страницы
 
+Цитировать сообщение
master
сообщение 10.11.2012, 14:45
Сообщение #12


Вставить ник


****

Группа: Активные пользователи
Сообщений: 920
Регистрация: 31.3.2010
Из: Иркутск
Пользователь №: 4 538
Авто:Toyota Supra 1997г., 2JZ-GTE VVT-I, Getrag, белая (40)



Хочу убрать из косы фишку на датчик давления фриона, та что возле блока АБС.
Если из фишки тупо вытащить датчик давления, то мелкие вентиляторы радиатора включаются, покурил схему и пришел к выводу что надо замкнуть цепь, посему возник вопрос какие провода паять.
От фишки идут четыре провода.
Прикрепленное изображение

бело черный - на землю
сине зеленый - куда то в салон идет.

Прикрепленное изображение

синий - радиатор фан реле №1
красно синий - к датчику температуры ОЖ, тот что внизу радиатора.
Я думаю что синий и красно синий спаять, а остальные провода вырезать, все верно я думаю?

Прикрепленное изображение


Прикрепленное изображение


Сообщение отредактировал master - 10.11.2012, 14:50
Перейти в начало страницы
 
+Цитировать сообщение
Benjiro
сообщение 5.1.2013, 21:18
Сообщение #13


Вставить ник


****

Группа: Пользователи
Сообщений: 688
Регистрация: 24.4.2010
Из: Москва,Московская область,Ступинский район
Пользователь №: 4 608
Авто:Supra 98г. VVT-i Getrag MOTEC M800; Mark II Юбилейный турбодиван



Народ подскажите что за фишка? сама фишка управления электронной заслонкой?
Прикрепленные изображения
Прикрепленное изображение
 


--------------------
Перейти в начало страницы
 
+Цитировать сообщение
drool
сообщение 9.1.2013, 9:34
Сообщение #14


Вставить ник

Суправод
******

Группа: Активные пользователи
Сообщений: 7 797
Регистрация: 20.7.2006
Из: Москва, САО
Пользователь №: 1 137
Авто:JZA80 `94/02 TT 6MT



Да, она к дросселю идет.


--------------------
Мой телефон: 8-926-246-91-96
The BEST Supra - JZA80 TT 6MT
Перейти в начало страницы
 
+Цитировать сообщение
Ro_Ja
сообщение 15.10.2013, 15:07
Сообщение #15


Вставить ник


******

Группа: Активные пользователи
Сообщений: 2 596
Регистрация: 10.11.2011
Из: Санкт-Петербург
Пользователь №: 6 493
Авто:SZ aero top '94



Цитата(rom@888 @ 14.9.2010, 16:41) *
Если у тебя планируется мкпп, то мозга на механику не VVT-i шло два:
89661-14500,501 93-96г.
89661-14770 96-97г.
Соответственно первый на дорестайл, второй на рестайл, но ещё не VVT-i.
На машину с акпп мозги другие.
Моторные косы (проводка на моторе) разные для этих компов.

В чем будут отличия моторной косы для компа 89661-14500,501 от косы для компа 89661-14770?
Есть ли различия в косе вообще для этих компов, или же коса отличаться не будет?


--------------------
Роха / @Tuzhikov_Dima
Перейти в начало страницы
 
+Цитировать сообщение
Ram
сообщение 2.12.2013, 11:38
Сообщение #16


Вставить ник

Gnarnia DRFT
*****

Группа: Активные пользователи
Сообщений: 1 024
Регистрация: 28.4.2008
Из: МСК, ЗАО
Пользователь №: 1 515
Авто:TT JZA80



присоединяюсь к вопросу!
и чем кстати будут отличаться вышеперечисленные косы от тех, что с VVT-i?


--------------------


RED Supra JZA80 R154 + HKS GD Clutch Pro
HKS GREDDY BLITZ ENDLESS VEILSIDE CUSCO YOKOHAMA MICROSOFT HERTZ CARROZZERIA
Перейти в начало страницы
 
+Цитировать сообщение
Benjiro
сообщение 2.12.2013, 11:46
Сообщение #17


Вставить ник


****

Группа: Пользователи
Сообщений: 688
Регистрация: 24.4.2010
Из: Москва,Московская область,Ступинский район
Пользователь №: 4 608
Авто:Supra 98г. VVT-i Getrag MOTEC M800; Mark II Юбилейный турбодиван



89661-14500,501 93-96г. -в этот период был отдельный мозг для трекшена,соответственно и фишки были в косе на него.
89661-14770 96-97г. -в этот период трекшеном стал управлять основной мозг,соответственно фишки под него убрали и отличается "путь" фишки второй дроссельной заслонки.
Вроде так,если память не изменяет.

Сообщение отредактировал Benjiro - 2.12.2013, 11:47


--------------------
Перейти в начало страницы
 
+Цитировать сообщение
drool
сообщение 2.12.2013, 11:47
Сообщение #18


Вставить ник

Суправод
******

Группа: Активные пользователи
Сообщений: 7 797
Регистрация: 20.7.2006
Из: Москва, САО
Пользователь №: 1 137
Авто:JZA80 `94/02 TT 6MT



Мотор VVT-i сильно другой по электронике:
-катушек 3, а не 6
-ДПРВ 1шт, а не 2
-Есть клапан VVT-i
-Другой дроссель
-Нет КХХ
-другой игнитер
-и т.д.

И все вытекающие изменения в проводке их этого.


--------------------
Мой телефон: 8-926-246-91-96
The BEST Supra - JZA80 TT 6MT
Перейти в начало страницы
 
+Цитировать сообщение
Benjiro
сообщение 2.12.2013, 11:52
Сообщение #19


Вставить ник


****

Группа: Пользователи
Сообщений: 688
Регистрация: 24.4.2010
Из: Москва,Московская область,Ступинский район
Пользователь №: 4 608
Авто:Supra 98г. VVT-i Getrag MOTEC M800; Mark II Юбилейный турбодиван



drool, ну и на мозги совсем другие фишки.


--------------------
Перейти в начало страницы
 
+Цитировать сообщение
Ram
сообщение 2.12.2013, 12:06
Сообщение #20


Вставить ник

Gnarnia DRFT
*****

Группа: Активные пользователи
Сообщений: 1 024
Регистрация: 28.4.2008
Из: МСК, ЗАО
Пользователь №: 1 515
Авто:TT JZA80



Спасибо ребят! а кто может сказать что это за коса?

  Скрытая информация


--------------------


RED Supra JZA80 R154 + HKS GD Clutch Pro
HKS GREDDY BLITZ ENDLESS VEILSIDE CUSCO YOKOHAMA MICROSOFT HERTZ CARROZZERIA
Перейти в начало страницы
 
+Цитировать сообщение
Benjiro
сообщение 2.12.2013, 12:20
Сообщение #21


Вставить ник


****

Группа: Пользователи
Сообщений: 688
Регистрация: 24.4.2010
Из: Москва,Московская область,Ступинский район
Пользователь №: 4 608
Авто:Supra 98г. VVT-i Getrag MOTEC M800; Mark II Юбилейный турбодиван



а фотка побольше есть?-а то не видно. Турбо, не VVT-i и вроде автоматная.

Сообщение отредактировал Benjiro - 2.12.2013, 12:22


--------------------
Перейти в начало страницы
 
+Цитировать сообщение
drool
сообщение 2.12.2013, 12:21
Сообщение #22


Вставить ник

Суправод
******

Группа: Активные пользователи
Сообщений: 7 797
Регистрация: 20.7.2006
Из: Москва, САО
Пользователь №: 1 137
Авто:JZA80 `94/02 TT 6MT



Ram, Turbo, nonVVT-i, МТ


--------------------
Мой телефон: 8-926-246-91-96
The BEST Supra - JZA80 TT 6MT
Перейти в начало страницы
 
+Цитировать сообщение
Ram
сообщение 2.12.2013, 12:28
Сообщение #23


Вставить ник

Gnarnia DRFT
*****

Группа: Активные пользователи
Сообщений: 1 024
Регистрация: 28.4.2008
Из: МСК, ЗАО
Пользователь №: 1 515
Авто:TT JZA80



Андрюх, спасиб! Точно МТ, да?

Тем, не, больше нету( все, что прислал продавец


--------------------


RED Supra JZA80 R154 + HKS GD Clutch Pro
HKS GREDDY BLITZ ENDLESS VEILSIDE CUSCO YOKOHAMA MICROSOFT HERTZ CARROZZERIA
Перейти в начало страницы
 
+Цитировать сообщение
drool
сообщение 2.12.2013, 12:32
Сообщение #24


Вставить ник

Суправод
******

Группа: Активные пользователи
Сообщений: 7 797
Регистрация: 20.7.2006
Из: Москва, САО
Пользователь №: 1 137
Авто:JZA80 `94/02 TT 6MT



Прикрепленное изображение
Не за что!
Вот выход хвоста на коробку и две фишки - задний ход (серая) и датчик скорости (черная)
На АТ там жгут толще и фишки другие.


--------------------
Мой телефон: 8-926-246-91-96
The BEST Supra - JZA80 TT 6MT
Перейти в начало страницы
 
+Цитировать сообщение
Ram
сообщение 2.12.2013, 12:35
Сообщение #25


Вставить ник

Gnarnia DRFT
*****

Группа: Активные пользователи
Сообщений: 1 024
Регистрация: 28.4.2008
Из: МСК, ЗАО
Пользователь №: 1 515
Авто:TT JZA80



Премного благодарствую дружище!) можно брать!


--------------------


RED Supra JZA80 R154 + HKS GD Clutch Pro
HKS GREDDY BLITZ ENDLESS VEILSIDE CUSCO YOKOHAMA MICROSOFT HERTZ CARROZZERIA
Перейти в начало страницы
 
+Цитировать сообщение
Benjiro
сообщение 2.12.2013, 12:54
Сообщение #26


Вставить ник


****

Группа: Пользователи
Сообщений: 688
Регистрация: 24.4.2010
Из: Москва,Московская область,Ступинский район
Пользователь №: 4 608
Авто:Supra 98г. VVT-i Getrag MOTEC M800; Mark II Юбилейный турбодиван



biggrin.gif хах,не увидел


--------------------
Перейти в начало страницы
 
+Цитировать сообщение
Sub
сообщение 2.12.2013, 14:28
Сообщение #27


Вставить ник

Single wingless
******

Группа: Главные администраторы
Сообщений: 7 201
Регистрация: 16.2.2006
Из: Москва
Пользователь №: 5
Авто:10/96 JZA80 T67DBB 6MT, 09/00 UZS161 EUR



Цитата(Benjiro @ 2.12.2013, 13:50) *
89661-14500,501 93-96г. -в этот период был отдельный мозг для трекшена,соответственно и фишки были в косе на него.
89661-14770 96-97г. -в этот период трекшеном стал управлять основной мозг,соответственно фишки под него убрали и отличается "путь" фишки второй дроссельной заслонки.
Вроде так,если память не изменяет.

Ваще не так.
На рестайле тоже был блок управления второй дроссельной заслонкой, только фишки там были простого формата, не как на мозге.
Сам мозг стал сложнее, отсечки работают чуть по-другому. Обойти отсечку на 5500 об. на автоматном мозге просто так не вышло.

Это VVT-i'ный мозг рулит TRC и все расположено в едином блоке.

На фото ниже, кстати, похоже, что коса рестайловая.


--------------------
Новые запчасти в наличии и на заказ. Оригинал, неоригинал, масла, спецжидкости.


10/1996 || TT: Acre, AEM, Aeromotive, A'PEXi, ARP, ATP Turbo, BFGoodrich, Blitz, Brian Crower, Boost Logic, Carbonetic, Cusco, Eibach, GReddy, HKS, Innovate, K & N, Koyorad,
KYB, Michelin, Mickey Thompson, Precision, Recaro, Soara, Sound Performance, SSR, Summit, Synapse, Thermo Tec, Titan, Titek, Toyota, TRD, Trust, Walbro, Yokohama
+ Custom


Спорить с админом - всё равно, что биться с драконом. Вроде и пинка ему уже отвесил, и мечом потыкал, и кажется, что горло пристроился пилить, но тут ему надоело и он выдохнул...
Перейти в начало страницы
 
+Цитировать сообщение
beast_drc
сообщение 2.12.2013, 14:40
Сообщение #28


Вставить ник

Cуправод
******

Группа: Модераторы
Сообщений: 6 059
Регистрация: 26.5.2007
Из: Россия Москва ЮАО-ЮВАО
Пользователь №: 1 333
Авто:'99 ('92/'96) JZA80 RZ-S AT LHD



рестайловая и есть


--------------------
"Проще продать атмо старую Супру и купить турбо новую Супру" - Да, проще. Интереснее? - Однозначно НЕТ
SZ AT > RZ-S AT > RZ-S AT LHD
Перейти в начало страницы
 
+Цитировать сообщение
Ram
сообщение 3.12.2013, 19:41
Сообщение #29


Вставить ник

Gnarnia DRFT
*****

Группа: Активные пользователи
Сообщений: 1 024
Регистрация: 28.4.2008
Из: МСК, ЗАО
Пользователь №: 1 515
Авто:TT JZA80



Да ладно??? Рестайловая? Продавец утверждает что с Супры 94 года


--------------------


RED Supra JZA80 R154 + HKS GD Clutch Pro
HKS GREDDY BLITZ ENDLESS VEILSIDE CUSCO YOKOHAMA MICROSOFT HERTZ CARROZZERIA
Перейти в начало страницы
 
+Цитировать сообщение
beast_drc
сообщение 3.12.2013, 19:48
Сообщение #30


Вставить ник

Cуправод
******

Группа: Модераторы
Сообщений: 6 059
Регистрация: 26.5.2007
Из: Россия Москва ЮАО-ЮВАО
Пользователь №: 1 333
Авто:'99 ('92/'96) JZA80 RZ-S AT LHD



5,96-9,97 вроде


--------------------
"Проще продать атмо старую Супру и купить турбо новую Супру" - Да, проще. Интереснее? - Однозначно НЕТ
SZ AT > RZ-S AT > RZ-S AT LHD
Перейти в начало страницы
 
+Цитировать сообщение
Ram
сообщение 3.12.2013, 21:09
Сообщение #31


Вставить ник

Gnarnia DRFT
*****

Группа: Активные пользователи
Сообщений: 1 024
Регистрация: 28.4.2008
Из: МСК, ЗАО
Пользователь №: 1 515
Авто:TT JZA80



Лех, а как понял? По фишкам каким то или как?
И что теперь с ней делать? Она на мои мозги 14501 не встанет получается...?


--------------------


RED Supra JZA80 R154 + HKS GD Clutch Pro
HKS GREDDY BLITZ ENDLESS VEILSIDE CUSCO YOKOHAMA MICROSOFT HERTZ CARROZZERIA
Перейти в начало страницы
 
+Цитировать сообщение
beast_drc
сообщение 3.12.2013, 21:53
Сообщение #32


Вставить ник

Cуправод
******

Группа: Модераторы
Сообщений: 6 059
Регистрация: 26.5.2007
Из: Россия Москва ЮАО-ЮВАО
Пользователь №: 1 333
Авто:'99 ('92/'96) JZA80 RZ-S AT LHD



Встанет, это рестайл коса не ВВТи. там мозг фактически такой же, отличается мозг трекшена.


--------------------
"Проще продать атмо старую Супру и купить турбо новую Супру" - Да, проще. Интереснее? - Однозначно НЕТ
SZ AT > RZ-S AT > RZ-S AT LHD
Перейти в начало страницы
 
+Цитировать сообщение
Ram
сообщение 4.12.2013, 8:59
Сообщение #33


Вставить ник

Gnarnia DRFT
*****

Группа: Активные пользователи
Сообщений: 1 024
Регистрация: 28.4.2008
Из: МСК, ЗАО
Пользователь №: 1 515
Авто:TT JZA80



Друзья, гляньте пожалуйста опытным взглядом!)

  Скрытая информация


--------------------


RED Supra JZA80 R154 + HKS GD Clutch Pro
HKS GREDDY BLITZ ENDLESS VEILSIDE CUSCO YOKOHAMA MICROSOFT HERTZ CARROZZERIA
Перейти в начало страницы
 
+Цитировать сообщение
drool
сообщение 4.12.2013, 9:04
Сообщение #34


Вставить ник

Суправод
******

Группа: Активные пользователи
Сообщений: 7 797
Регистрация: 20.7.2006
Из: Москва, САО
Пользователь №: 1 137
Авто:JZA80 `94/02 TT 6MT



Это от Супру вообще? Похожа на Аристо VVT-i
Нормальные фото нужны. Но АТ точно


--------------------
Мой телефон: 8-926-246-91-96
The BEST Supra - JZA80 TT 6MT
Перейти в начало страницы
 
+Цитировать сообщение
Ram
сообщение 4.12.2013, 9:19
Сообщение #35


Вставить ник

Gnarnia DRFT
*****

Группа: Активные пользователи
Сообщений: 1 024
Регистрация: 28.4.2008
Из: МСК, ЗАО
Пользователь №: 1 515
Авто:TT JZA80



Пасиб Андрюх!) вопрос снят. Разместил вообщем я обьяву нас дроме, звонит мне человек, говорит есть коса на турбо меху, не VVT-i, дорестаил. Говорю кидай фото на мыло, и вот...)


--------------------


RED Supra JZA80 R154 + HKS GD Clutch Pro
HKS GREDDY BLITZ ENDLESS VEILSIDE CUSCO YOKOHAMA MICROSOFT HERTZ CARROZZERIA
Перейти в начало страницы
 
+Цитировать сообщение
Sub
сообщение 4.12.2013, 9:26
Сообщение #36


Вставить ник

Single wingless
******

Группа: Главные администраторы
Сообщений: 7 201
Регистрация: 16.2.2006
Из: Москва
Пользователь №: 5
Авто:10/96 JZA80 T67DBB 6MT, 09/00 UZS161 EUR



Запроси реквизиты, куда деньги класть и запости в Черный список, чтоб страна знала своих "героев"

VVT-i 100% и не на Супру точно

И еще совет... Не грей мозг, не пытайся найти косу на Супру за 5 тыщ. Вон, у Лехи на продажу есть автоматная коса. Переделать под механику - раз плюнуть.


--------------------
Новые запчасти в наличии и на заказ. Оригинал, неоригинал, масла, спецжидкости.


10/1996 || TT: Acre, AEM, Aeromotive, A'PEXi, ARP, ATP Turbo, BFGoodrich, Blitz, Brian Crower, Boost Logic, Carbonetic, Cusco, Eibach, GReddy, HKS, Innovate, K & N, Koyorad,
KYB, Michelin, Mickey Thompson, Precision, Recaro, Soara, Sound Performance, SSR, Summit, Synapse, Thermo Tec, Titan, Titek, Toyota, TRD, Trust, Walbro, Yokohama
+ Custom


Спорить с админом - всё равно, что биться с драконом. Вроде и пинка ему уже отвесил, и мечом потыкал, и кажется, что горло пристроился пилить, но тут ему надоело и он выдохнул...
Перейти в начало страницы
 
+Цитировать сообщение
Ram
сообщение 5.12.2013, 13:47
Сообщение #37


Вставить ник

Gnarnia DRFT
*****

Группа: Активные пользователи
Сообщений: 1 024
Регистрация: 28.4.2008
Из: МСК, ЗАО
Пользователь №: 1 515
Авто:TT JZA80



Бог любит троицу)

  Скрытая информация


--------------------


RED Supra JZA80 R154 + HKS GD Clutch Pro
HKS GREDDY BLITZ ENDLESS VEILSIDE CUSCO YOKOHAMA MICROSOFT HERTZ CARROZZERIA
Перейти в начало страницы
 
+Цитировать сообщение
drool
сообщение 5.12.2013, 14:53
Сообщение #38


Вставить ник

Суправод
******

Группа: Активные пользователи
Сообщений: 7 797
Регистрация: 20.7.2006
Из: Москва, САО
Пользователь №: 1 137
Авто:JZA80 `94/02 TT 6MT



Это же атмо


--------------------
Мой телефон: 8-926-246-91-96
The BEST Supra - JZA80 TT 6MT
Перейти в начало страницы
 
+Цитировать сообщение
Ram
сообщение 5.12.2013, 18:42
Сообщение #39


Вставить ник

Gnarnia DRFT
*****

Группа: Активные пользователи
Сообщений: 1 024
Регистрация: 28.4.2008
Из: МСК, ЗАО
Пользователь №: 1 515
Авто:TT JZA80



Вот что нам пытаются продавать на дроме... blink.gif


--------------------


RED Supra JZA80 R154 + HKS GD Clutch Pro
HKS GREDDY BLITZ ENDLESS VEILSIDE CUSCO YOKOHAMA MICROSOFT HERTZ CARROZZERIA
Перейти в начало страницы
 
+Цитировать сообщение
beast_drc
сообщение 6.12.2013, 7:00
Сообщение #40


Вставить ник

Cуправод
******

Группа: Модераторы
Сообщений: 6 059
Регистрация: 26.5.2007
Из: Россия Москва ЮАО-ЮВАО
Пользователь №: 1 333
Авто:'99 ('92/'96) JZA80 RZ-S AT LHD



Бери у меня вон косу ))


--------------------
"Проще продать атмо старую Супру и купить турбо новую Супру" - Да, проще. Интереснее? - Однозначно НЕТ
SZ AT > RZ-S AT > RZ-S AT LHD
Перейти в начало страницы
 
+Цитировать сообщение
GTRi
сообщение 2.5.2014, 7:51
Сообщение #41


Вставить ник

Суправод
***

Группа: Пользователи
Сообщений: 291
Регистрация: 13.8.2009
Из: Иркутская область, г.Братск
Пользователь №: 3 735
Авто:Mersedes-Benz AMG



При смене двигателя с атмо рестайл 01г. АТ, на турборестайл 99г. АТ какую проводку необходимо менять местами?
Перейти в начало страницы
 
+Цитировать сообщение
Artxayc
сообщение 14.3.2016, 10:32
Сообщение #42


Вставить ник


**

Группа: Пользователи
Сообщений: 131
Регистрация: 26.5.2014
Из: Курск
Пользователь №: 9 404
Авто:Toyota Supra mkIII 2jz-gte r154 aerotop LHD



Подскажите. Мотор и коса Аристо 147 гте автомат. Датчик кислорода не подключен. К датчику кислорода должна идти фишка от эбу. Вопрос такой...она находится непосредственно на косе в пучке автоматных фишек (от эбу подключены и моторные тоже) или же она идет из салонной косы? На ДК 3 провода: 2 черных, один синий. Я так думаю это сигнальный и 2 прогревочных и на фишке со стороны эбу должны быть такого же цвета. Одно "но" , на распиновке эбу нашел только 1 сигнальный провод и 1 нагреватель. Куда второй идет хз...


--------------------
Перейти в начало страницы
 
+Цитировать сообщение
Sub
сообщение 14.3.2016, 19:11
Сообщение #43


Вставить ник

Single wingless
******

Группа: Главные администраторы
Сообщений: 7 201
Регистрация: 16.2.2006
Из: Москва
Пользователь №: 5
Авто:10/96 JZA80 T67DBB 6MT, 09/00 UZS161 EUR



От лямбды сигнальный провод идет по косе до мозга.
Один подогрева - +B, второй - земля.


--------------------
Новые запчасти в наличии и на заказ. Оригинал, неоригинал, масла, спецжидкости.


10/1996 || TT: Acre, AEM, Aeromotive, A'PEXi, ARP, ATP Turbo, BFGoodrich, Blitz, Brian Crower, Boost Logic, Carbonetic, Cusco, Eibach, GReddy, HKS, Innovate, K & N, Koyorad,
KYB, Michelin, Mickey Thompson, Precision, Recaro, Soara, Sound Performance, SSR, Summit, Synapse, Thermo Tec, Titan, Titek, Toyota, TRD, Trust, Walbro, Yokohama
+ Custom


Спорить с админом - всё равно, что биться с драконом. Вроде и пинка ему уже отвесил, и мечом потыкал, и кажется, что горло пристроился пилить, но тут ему надоело и он выдохнул...
Перейти в начало страницы
 
+Цитировать сообщение
Artxayc
сообщение 15.3.2016, 17:19
Сообщение #44


Вставить ник


**

Группа: Пользователи
Сообщений: 131
Регистрация: 26.5.2014
Из: Курск
Пользователь №: 9 404
Авто:Toyota Supra mkIII 2jz-gte r154 aerotop LHD



Один из черных земля? Значение имеет какой из них на землю а какой на подогрев? Мотор нон вивитиай, лямбда с "ушами", синий и 2 черных.


--------------------
Перейти в начало страницы
 
+Цитировать сообщение
Sub
сообщение 15.3.2016, 18:19
Сообщение #45


Вставить ник

Single wingless
******

Группа: Главные администраторы
Сообщений: 7 201
Регистрация: 16.2.2006
Из: Москва
Пользователь №: 5
Авто:10/96 JZA80 T67DBB 6MT, 09/00 UZS161 EUR



Надо смотреть схемы. Схемы на JZS147 - тут

У меня под рукой только на JZS161 и JZA80, там лямбды 4-контактные:
+B - питание - черно-красный
HT - нагрев - коричнево-белый или зеленый или черно-красный
OX - сигнал - красно-синий или белый
E1 - земля - коричневый


--------------------
Новые запчасти в наличии и на заказ. Оригинал, неоригинал, масла, спецжидкости.


10/1996 || TT: Acre, AEM, Aeromotive, A'PEXi, ARP, ATP Turbo, BFGoodrich, Blitz, Brian Crower, Boost Logic, Carbonetic, Cusco, Eibach, GReddy, HKS, Innovate, K & N, Koyorad,
KYB, Michelin, Mickey Thompson, Precision, Recaro, Soara, Sound Performance, SSR, Summit, Synapse, Thermo Tec, Titan, Titek, Toyota, TRD, Trust, Walbro, Yokohama
+ Custom


Спорить с админом - всё равно, что биться с драконом. Вроде и пинка ему уже отвесил, и мечом потыкал, и кажется, что горло пристроился пилить, но тут ему надоело и он выдохнул...
Перейти в начало страницы
 
+Цитировать сообщение
Artxayc
сообщение 16.3.2016, 10:30
Сообщение #46


Вставить ник


**

Группа: Пользователи
Сообщений: 131
Регистрация: 26.5.2014
Из: Курск
Пользователь №: 9 404
Авто:Toyota Supra mkIII 2jz-gte r154 aerotop LHD



На мозге есть HT(нагрев), OX (сигнал), +b (питание). На дорестайл всего 3 провода и читал что земля у них на корпусе. Сигнал синий - с этим все ясно. Остаются 2 одинаковых черных. Кстати между собой звонятся. Вот и думаю есть ли разница какой из них на +b и какой на ht цеплять.


--------------------
Перейти в начало страницы
 
+Цитировать сообщение
Sub
сообщение 16.3.2016, 17:22
Сообщение #47


Вставить ник

Single wingless
******

Группа: Главные администраторы
Сообщений: 7 201
Регистрация: 16.2.2006
Из: Москва
Пользователь №: 5
Авто:10/96 JZA80 T67DBB 6MT, 09/00 UZS161 EUR



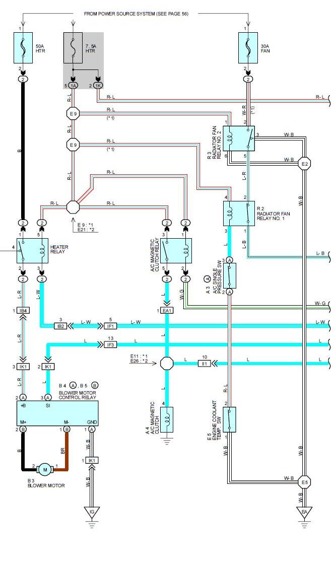
Ну так на схеме же видно, что +B идет в диагностический и дальше, а HT - в мозг. Вот отсоедини мозг и прозвони, если хочешь знать точно.
А вообще, для подогрева полярность не важна. Там же не диод в лямбде стоит, а простой нагревательный элемент.
Прикрепленное изображение


--------------------
Новые запчасти в наличии и на заказ. Оригинал, неоригинал, масла, спецжидкости.


10/1996 || TT: Acre, AEM, Aeromotive, A'PEXi, ARP, ATP Turbo, BFGoodrich, Blitz, Brian Crower, Boost Logic, Carbonetic, Cusco, Eibach, GReddy, HKS, Innovate, K & N, Koyorad,
KYB, Michelin, Mickey Thompson, Precision, Recaro, Soara, Sound Performance, SSR, Summit, Synapse, Thermo Tec, Titan, Titek, Toyota, TRD, Trust, Walbro, Yokohama
+ Custom


Спорить с админом - всё равно, что биться с драконом. Вроде и пинка ему уже отвесил, и мечом потыкал, и кажется, что горло пристроился пилить, но тут ему надоело и он выдохнул...
Перейти в начало страницы
 
+Цитировать сообщение
AlexTLN
сообщение 16.3.2016, 17:54
Сообщение #48


Вставить ник


*

Группа: Пользователи
Сообщений: 91
Регистрация: 11.4.2015
Из: Tallinn, Estonia
Пользователь №: 9 797
Авто:JZA80 2JZ-GTE+W58



Два одноцветных провода на кислородном датчике - подогрев, полярность без разницы.
Перейти в начало страницы
 
+Цитировать сообщение
Artxayc
сообщение 16.3.2016, 22:44
Сообщение #49


Вставить ник


**

Группа: Пользователи
Сообщений: 131
Регистрация: 26.5.2014
Из: Курск
Пользователь №: 9 404
Авто:Toyota Supra mkIII 2jz-gte r154 aerotop LHD



Я так понимаю по описанию ОХ поступающий на эбу сигнал. HT собственно нагреватель - выход на ДК. Третий +B цеплять ?( находится на меньшей третьей фишке).
Прикрепленное изображение


Прикрепленное изображение


Прикрепленное изображение


Прикрепленное изображение


--------------------
Перейти в начало страницы
 
+Цитировать сообщение
Sub
сообщение 17.3.2016, 2:48
Сообщение #50


Вставить ник

Single wingless
******

Группа: Главные администраторы
Сообщений: 7 201
Регистрация: 16.2.2006
Из: Москва
Пользователь №: 5
Авто:10/96 JZA80 T67DBB 6MT, 09/00 UZS161 EUR



Цитата(Artxayc @ 16.3.2016, 23:49) *
Третий +B цеплять ?

Ну это зависит от твоей жизненной позиции. Хочешь, чтобы работал - цепляй. Хочешь, чтобы не работал - не цепляй biggrin.gif


--------------------
Новые запчасти в наличии и на заказ. Оригинал, неоригинал, масла, спецжидкости.


10/1996 || TT: Acre, AEM, Aeromotive, A'PEXi, ARP, ATP Turbo, BFGoodrich, Blitz, Brian Crower, Boost Logic, Carbonetic, Cusco, Eibach, GReddy, HKS, Innovate, K & N, Koyorad,
KYB, Michelin, Mickey Thompson, Precision, Recaro, Soara, Sound Performance, SSR, Summit, Synapse, Thermo Tec, Titan, Titek, Toyota, TRD, Trust, Walbro, Yokohama
+ Custom


Спорить с админом - всё равно, что биться с драконом. Вроде и пинка ему уже отвесил, и мечом потыкал, и кажется, что горло пристроился пилить, но тут ему надоело и он выдохнул...
Перейти в начало страницы
 
+Цитировать сообщение
Artxayc
сообщение 17.3.2016, 8:32
Сообщение #51


Вставить ник


**

Группа: Пользователи
Сообщений: 131
Регистрация: 26.5.2014
Из: Курск
Пользователь №: 9 404
Авто:Toyota Supra mkIII 2jz-gte r154 aerotop LHD



Понял, спасибо biggrin.gif буду пробовать.


--------------------
Перейти в начало страницы
 
+Цитировать сообщение
Artxayc
сообщение 17.3.2016, 11:47
Сообщение #52


Вставить ник


**

Группа: Пользователи
Сообщений: 131
Регистрация: 26.5.2014
Из: Курск
Пользователь №: 9 404
Авто:Toyota Supra mkIII 2jz-gte r154 aerotop LHD



Кстати, может кто подскажет на Аристовской косе автоматной где провода выходят га датчик кислорода. Фишка отсутствует, есть заизолированные провода с коробки. Может в жгуте с ними?


--------------------
Перейти в начало страницы
 
+Цитировать сообщение

3 страниц V   1 2 3 >
Ответить в данную темуНачать новую тему
1 чел. читают эту тему (гостей: 1, скрытых пользователей: 0)
Пользователей: 0

 



RSS Текстовая версия Сейчас: 26.11.2025, 7:03