Установка электровентиляторов на 2JZ-GE, GSR - Toyota Supra JZA80 2JZ-GE MT |
Здравствуйте, гость ( Вход | Регистрация )
Установка электровентиляторов на 2JZ-GE, GSR - Toyota Supra JZA80 2JZ-GE MT |
18.3.2008, 9:20
Сообщение
#1
|
|||||||||
![]() Вставить ник Суправод ![]() Группа: Пользователи Сообщений: 75 Регистрация: 1.12.2006 Из: Казахстан, Алматы Пользователь №: 1 190 Авто:ZONDA |
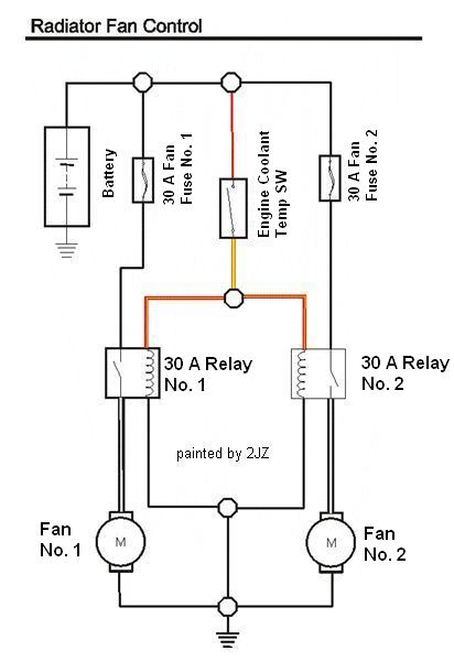
Началось все рано рано утром. Я "GSR" и Игорь "2JZ" приехали на СТО "SCT" с заранее закупленными ништяками для установки электровентиляторов в мою Супру. Хотели добиться лучшего охлаждения и снять лишнюю и ненужную нагрузку с двигателя.
Заранее закупили: электровентиляторы с Nissan Cefiro датчик температуры от GOLF VR6 3х контактный контакт с куском проводки для подключения датчика изготовили переходник для установки датчика в верхний патрубок из нержавейки 2 шт. универсальных электромагнитных реле 2 шнурка с предохранителями на 30А проводов обычных поролоновый уплотнитель для дверей пачка сигарет и MAXI чай Сначала разобрали все, что было. Игорь промыл мой снятый радиатор Прикинули вентиляторы от Цефирика на него. Изготовили крепление вентиляторов к радиатору. Установили все это дело. Промыли всю систему хорошенько и залили новую ОЖ. За одно заменили жидкость в ГУР с хорошей промывкой %) Потом выгнали машинку во двор и начали сами соединять проводку. Все установили, проверили, оттестили и поехали за карбоновым капотом. После установки всего машинка стала ехать бодрее, ощущения поменялись, охлаждается все отлично (тьфу тьфу тьфу) %) ОГРОМНОЕ СПАСИБО ИГОРЮ "2JZ" ЗА ПОМОЩЬ ))) За счему подключения электровентиляторов тоже спасибо TO "2JZ" ![]() -------------------- |
||||||||
|
|
|||||||||
![]() |
1.3.2009, 19:27
Сообщение
#2
|
|
![]() Вставить ник Суправод ![]() ![]() ![]() ![]() ![]() Группа: Активные пользователи Сообщений: 1 898 Регистрация: 13.1.2009 Из: 74.ru Южноуральск Пользователь №: 3 295 Авто: Две Supra Атмо/АТ белая_1997г.р., красная_1996г.р. |
кстати.... в разделе фак про установку вентиляторов есть грубейшая ошибка в монтаже. так как тема закрыта то я выскажусь туД. датчик вентелятора нужно врезать ТОЛЬКО в нижний патрубок радиатора. в противном случае вентиляторы будут работать практически постоянно.
|
|
|
|
GSR Установка электровентиляторов на 2JZ-GE 18.3.2008, 9:20
Sub Зачет! Спасибо за ваш вклад в наше общее дело... 18.3.2008, 12:12
ximik такой вопрос, как в работе, не сильно шумит? я обр... 18.3.2008, 17:18
GSR Цитата(ximik @ 18.3.2008, 21:22) такой во... 19.3.2008, 10:08
supra300 если 2 вентилятора не справляются, значит стоитьли... 22.3.2008, 22:30
supra300 Недавно искал замену датчикам и в том числе смотре... 20.8.2008, 15:05
ximik такой вопрос если поставить еще + к вискомуфте эле... 21.8.2008, 23:52
Sub Цитата(ximik @ 22.8.2008, 1:56) такой воп... 25.8.2008, 20:13
supra300 Цитата(Sub @ 25.8.2008, 18:17) А просто п... 25.8.2008, 21:40
drool у меня дург взял себе бмв 316 84г) в кузове е30. т... 22.8.2008, 11:00
ximik ну про немцев все понятно, а кто-то пробовал так, ... 22.8.2008, 15:49
supra300 нет смысла так делать. И на двигателе оставлять ба... 23.8.2008, 19:10
ximik ну у меня счас в спокойном режиме температура не р... 24.8.2008, 9:32
серега как мерил? 24.8.2008, 19:23
drool я думаю датчиком температуры=) 24.8.2008, 21:13
ximik датчиком Greddy 25.8.2008, 0:42
Sub Я имел в виду увеличенный объем радиатора. Сток то... 25.8.2008, 22:04
supra300 Цитата(Sub @ 25.8.2008, 20:08) Я имел в в... 26.8.2008, 14:18
ximik Радиатор уже заказал жду, должен прийти с электро... 26.8.2008, 0:41
Sub У меня стоковая муфта-крыльчатка.
На 80ках медные... 31.8.2008, 20:49
Sub Этот вопрос следует переадресовать Игорю (2JZ) или... 1.3.2009, 21:03
LeX@ страшного ничего нет) просто в место общей работы ... 1.3.2009, 21:30
Sub LeX@, понял и согласен. Хотя у меня стоит масляный... 2.3.2009, 0:25![]() ![]() |
|
Текстовая версия | Сейчас: 26.11.2025, 11:22 |