Установка катушек от LS, На 2JZ-GTE non-VVT |
Здравствуйте, гость ( Вход | Регистрация )
Установка катушек от LS, На 2JZ-GTE non-VVT |
13.9.2016, 9:40
Сообщение
#1
|
|
![]() Вставить ник ![]() ![]() ![]() Группа: Пользователи Сообщений: 307 Регистрация: 7.7.2011 Из: Краснодарский край, г.Новороссийск Пользователь №: 6 113 Авто:Toyota Supra RZ |
|
|
|
|
![]() |
13.9.2016, 21:12
Сообщение
#2
|
||
![]() Вставить ник ![]() ![]() ![]() Группа: Пользователи Сообщений: 307 Регистрация: 7.7.2011 Из: Краснодарский край, г.Новороссийск Пользователь №: 6 113 Авто:Toyota Supra RZ |
Что-то я запутался
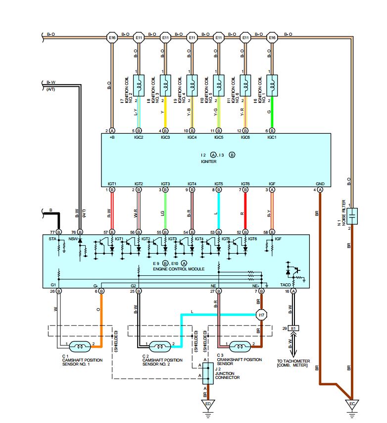
1) к сток катушке из коммутатора идет постоянный + 5 или 12 В? Второй управляющий минус. Правильно? 2) Катушки LS D - постоянный + 12в (кидаем напрямую от аккума, Желательно через реле думаю) С - постоянный + 5в от коммутатора. (Если у нас от коммутатора выходит 12в, то от куда взять 5в?) В - Управляющий минус от коммутатора. А - Масса. (Кидаем на корпус двигателя или прям на минус аккумулятора). Правильно? Гуру электрики подскажите Вот ещё ссылка на описание http://my.prostreetonline.com/2014/09/19/h...ignition-coils/ http://www.supra-club.ru/ftp/faq/manuals/M.../Electrical.pdf Сообщение отредактировал Katas - 13.9.2016, 21:18 |
|
|
|
||
Katas Установка катушек от LS 13.9.2016, 9:40
ed020 Ну так и есть, только А это силовая земля, В сигна... 13.9.2016, 15:33
Katas Как понял из видео (В английском не очень)
А - м... 13.9.2016, 21:45
gt-r_forever Не путайте, минусом форсы управляются, а катушки у... 28.9.2016, 18:25
Sub Не знаю, как на LS, а на Супрах родные имеют общий... 28.9.2016, 19:13
gt-r_forever Общий + от замка, общий минус, и управление на ком... 28.9.2016, 19:40
John_Travolta На какой мощности сток катушки перестали нормально... 29.9.2016, 9:35
gt-r_forever Приветствую! Куча тестов в интернете, они мощ... 29.9.2016, 17:19![]() ![]() |
|
Текстовая версия | Сейчас: 26.11.2025, 1:17 |