Здравствуйте, гость ( Вход | Регистрация )

41 страниц V  « < 17 18 19 20 21 > »   
Тема закрытаНачать новую тему
Фиолетовое Чудо, Toyota Supra JZA80
Berg
сообщение 11.2.2013, 15:56
Сообщение #361


Вставить ник


*

Группа: Пользователи
Сообщений: 37
Регистрация: 6.9.2012
Из: РС (Я) г. Нерюнгри
Пользователь №: 7 425
Авто:Toyota Supra TT



Цитата(drool @ 11.2.2013, 15:42) *
А что было до переделки по выхлопу? И что вошло в сам процесс переделки?


Извини попробуй конкретизировать свои вопросы.
А то у меня ответы примерно такие
А что было до переделки по выхлопу? - нечего не было.
И что вошло в сам процесс переделки? - аутлет.
Перейти в начало страницы
 
+Цитировать сообщение
drool
сообщение 11.2.2013, 16:22
Сообщение #362


Вставить ник

Суправод
******

Группа: Активные пользователи
Сообщений: 7 797
Регистрация: 20.7.2006
Из: Москва, САО
Пользователь №: 1 137
Авто:JZA80 `94/02 TT 6MT



У тебя был сток выхлоп и ты только расширил стоковый аутлет? Какая конфигурация выхлопа получилась в итоге?
Если ты расширяя аутлет попутно убрал катализатор, то тогда всё ясно.


--------------------
Мой телефон: 8-926-246-91-96
The BEST Supra - JZA80 TT 6MT
Перейти в начало страницы
 
+Цитировать сообщение
Berg
сообщение 11.2.2013, 17:23
Сообщение #363


Вставить ник


*

Группа: Пользователи
Сообщений: 37
Регистрация: 6.9.2012
Из: РС (Я) г. Нерюнгри
Пользователь №: 7 425
Авто:Toyota Supra TT



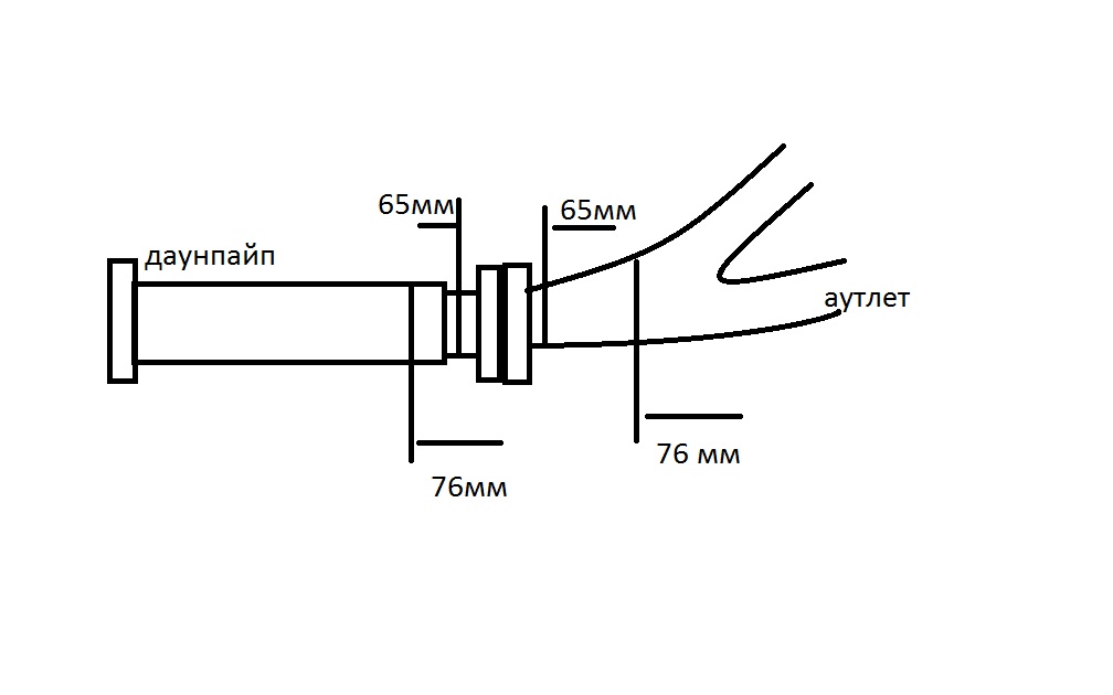
Выхлоп весь был на 76 с катализатором, сначала вырезали катализатор и это ситуацию не исправило,
затем купил даунпайп на 76, но поскольку они все имеют заужение до примерно 65 в месте соединения
с аутлетом, пришлось и это место в нем убирать и естественно после этого разрезать аутлет т.к. и выход
у аутлета тоже 65. И вообщем, если не переделывать аутлет, у которого выход 65 мм под стоковую трубу,
большого смысла нет что-то делать (ну может +0.1 прибавится) т.к. у тебя сам аутлет будет душить выхлоп.
См. рисунок это так от руки что-бы было всем понятно о чем речь.
Причина редактирования: Правила форума, п. 1.8.4.

Эскизы прикрепленных изображений
Прикрепленное изображение

 
Перейти в начало страницы
 
+Цитировать сообщение
Berg
сообщение 11.2.2013, 17:30
Сообщение #364


Вставить ник


*

Группа: Пользователи
Сообщений: 37
Регистрация: 6.9.2012
Из: РС (Я) г. Нерюнгри
Пользователь №: 7 425
Авто:Toyota Supra TT



Япы кстати по этой теме и над выпускными коллекторами извращаются,
но у меня пока руки до этого не дошли, хотя мысли посещают.

Сообщение отредактировал Berg - 11.2.2013, 17:30
Прикрепленные изображения
Прикрепленное изображение Прикрепленное изображение Прикрепленное изображение
 
Перейти в начало страницы
 
+Цитировать сообщение
Dima_s
сообщение 11.2.2013, 17:41
Сообщение #365


Вставить ник




Группа: Новые пользователи
Сообщений: 4
Регистрация: 10.2.2013
Из: Нерюнгри РС(Я)
Пользователь №: 7 794
Авто:MarkII TourerV



На 2жзет выход со стокого аутлета 55мм ,на 1жзет 60мм


--------------------
MarkII TourerV 95 at
Перейти в начало страницы
 
+Цитировать сообщение
Sub
сообщение 11.2.2013, 17:45
Сообщение #366


Вставить ник

Single wingless
******

Группа: Главные администраторы
Сообщений: 7 201
Регистрация: 16.2.2006
Из: Москва
Пользователь №: 5
Авто:10/96 JZA80 T67DBB 6MT, 09/00 UZS161 EUR



По Беллу, 65 мм вполне хватает на 500+ л.с.
Стока стоковым улиткам и не выдуть...


--------------------
Новые запчасти в наличии и на заказ. Оригинал, неоригинал, масла, спецжидкости.


10/1996 || TT: Acre, AEM, Aeromotive, A'PEXi, ARP, ATP Turbo, BFGoodrich, Blitz, Brian Crower, Boost Logic, Carbonetic, Cusco, Eibach, GReddy, HKS, Innovate, K & N, Koyorad,
KYB, Michelin, Mickey Thompson, Precision, Recaro, Soara, Sound Performance, SSR, Summit, Synapse, Thermo Tec, Titan, Titek, Toyota, TRD, Trust, Walbro, Yokohama
+ Custom


Спорить с админом - всё равно, что биться с драконом. Вроде и пинка ему уже отвесил, и мечом потыкал, и кажется, что горло пристроился пилить, но тут ему надоело и он выдохнул...
Перейти в начало страницы
 
+Цитировать сообщение
Berg
сообщение 12.2.2013, 2:52
Сообщение #367


Вставить ник


*

Группа: Пользователи
Сообщений: 37
Регистрация: 6.9.2012
Из: РС (Я) г. Нерюнгри
Пользователь №: 7 425
Авто:Toyota Supra TT



Ошибся немного 55 мм., а не 65 мм, а то что 65 мм. на 500 л.с. - от небольшого ума можно и 55 мм. только вопрос какое давление и какая температура будет.

Сообщение отредактировал vitaleg182 - 12.2.2013, 6:47
Перейти в начало страницы
 
+Цитировать сообщение
vitaleg182
сообщение 17.2.2013, 6:04
Сообщение #368


Вставить ник


*****

Куратор темы
Сообщений: 1 734
Регистрация: 26.3.2011
Из: Анапа
Пользователь №: 5 789
Авто:Mazda 3 MPS



Нашел в контакте бывшую хозяйку моей Супры.
Позаимствовал у нее парочку фоток какой Супра была когда то)





Эх,что же я сразу стоковый обвес не поставил на машину когда покупал ее)))

Сообщение отредактировал vitaleg182 - 17.2.2013, 6:34


--------------------
Мой бортовик "Фиолетовое чудо". продана :(
Toyota Supra JZA80 2JZ-GTE VVT-i AT by Harvest
Перейти в начало страницы
 
+Цитировать сообщение
Andrey_22
сообщение 17.2.2013, 6:10
Сообщение #369


Вставить ник


******

Группа: Пользователи
Сообщений: 2 507
Регистрация: 3.6.2011
Из: г.Барнаул
Пользователь №: 6 015
Авто:Supra JZA80 2JZ-GTE VVT-i AT 01г.



vitaleg182, а что она её потом красила в фиолетовый?

Все приходит со временем smile.gif

Сообщение отредактировал Andrey_22 - 17.2.2013, 6:11
Перейти в начало страницы
 
+Цитировать сообщение
vitaleg182
сообщение 17.2.2013, 6:20
Сообщение #370


Вставить ник


*****

Куратор темы
Сообщений: 1 734
Регистрация: 26.3.2011
Из: Анапа
Пользователь №: 5 789
Авто:Mazda 3 MPS



Andrey_22, да)

Сообщение отредактировал vitaleg182 - 18.2.2013, 16:04


--------------------
Мой бортовик "Фиолетовое чудо". продана :(
Toyota Supra JZA80 2JZ-GTE VVT-i AT by Harvest
Перейти в начало страницы
 
+Цитировать сообщение
Mirex
сообщение 17.2.2013, 20:30
Сообщение #371


Вставить ник


*****

Группа: Пользователи
Сообщений: 1 585
Регистрация: 17.5.2006
Из: Москва
Пользователь №: 913
Авто:SZ-R => RZ



Ох нифига себе, смотрел я на эту машину и думал о ее покупки. Не помню почему не сраслось или не понравилось, в общем эта девочка ее и забрала.
Перейти в начало страницы
 
+Цитировать сообщение
John_Travolta
сообщение 18.2.2013, 9:26
Сообщение #372


Вставить ник


******

Группа: Активные пользователи
Сообщений: 2 728
Регистрация: 24.12.2008
Пользователь №: 3 277
Авто:5S 2ZZ 2JZ 13B VQ35 MZR



Цитата(Berg @ 11.2.2013, 10:27) *
Выхлоп весь был на 76 с катализатором, сначала вырезали катализатор и это ситуацию не исправило,
затем купил даунпайп на 76, но поскольку они все имеют заужение до примерно 65 в месте соединения
с аутлетом, пришлось и это место в нем убирать и естественно после этого разрезать аутлет т.к. и выход
у аутлета тоже 65. И вообщем, если не переделывать аутлет, у которого выход 65 мм под стоковую трубу,
большого смысла нет что-то делать (ну может +0.1 прибавится) т.к. у тебя сам аутлет будет душить выхлоп.
См. рисунок это так от руки что-бы было всем понятно о чем речь.


Прикольно, а на американке фланец аутлета этого на 76мм.


--------------------
BEST PRICE: AEM HKS Greddy Apexi Garrett ARP Crower CP TiAL ACL Exedy KOYO BC

Перейти в начало страницы
 
+Цитировать сообщение
vitaleg182
сообщение 18.2.2013, 15:14
Сообщение #373


Вставить ник


*****

Куратор темы
Сообщений: 1 734
Регистрация: 26.3.2011
Из: Анапа
Пользователь №: 5 789
Авто:Mazda 3 MPS



Еще фотки)











--------------------
Мой бортовик "Фиолетовое чудо". продана :(
Toyota Supra JZA80 2JZ-GTE VVT-i AT by Harvest
Перейти в начало страницы
 
+Цитировать сообщение
rom@888
сообщение 18.2.2013, 15:21
Сообщение #374


Вставить ник

Суправод в душé :)
******

Группа: Модераторы
Сообщений: 4 279
Регистрация: 7.4.2010
Из: Барнаул
Пользователь №: 4 560
Авто:1998 JZA80 RZ-S AT sold, ACA30 2,0 AT, GSV50 3,5 AT sold, URJ200 5,7 AT, SC54 1,3 MT.



Я помню эту машину, тоже хотел её купить, когда она ещё была красной.)


--------------------


Ровная атмо лучше кривой турбы. А ровная турба ещё лучше, ы-ы-ы.
Перейти в начало страницы
 
+Цитировать сообщение
vitaleg182
сообщение 18.2.2013, 15:23
Сообщение #375


Вставить ник


*****

Куратор темы
Сообщений: 1 734
Регистрация: 26.3.2011
Из: Анапа
Пользователь №: 5 789
Авто:Mazda 3 MPS



С завода Супра была белой)
Потом ее в Хабаровске перекрасили в красный. Судя по краске на подкрылках защите и тд. ее красили корявые люди)))


--------------------
Мой бортовик "Фиолетовое чудо". продана :(
Toyota Supra JZA80 2JZ-GTE VVT-i AT by Harvest
Перейти в начало страницы
 
+Цитировать сообщение
Suprahead
сообщение 20.2.2013, 21:39
Сообщение #376


Вставить ник


****

Группа: Пользователи
Сообщений: 948
Регистрация: 26.7.2010
Из: Хабаровск
Пользователь №: 4 853
Авто:Supra JZA80 1JZ-GTE HKS 2835 GT MT, Aristo 161 2JZ-GTE AT



В ПТС фамилия Аксенов не фигурирует? Помоему я знаю, что это за тачка.
Перейти в начало страницы
 
+Цитировать сообщение
vitaleg182
сообщение 20.2.2013, 23:31
Сообщение #377


Вставить ник


*****

Куратор темы
Сообщений: 1 734
Регистрация: 26.3.2011
Из: Анапа
Пользователь №: 5 789
Авто:Mazda 3 MPS



Suprahead, надо глянуть.
Она раньше в Хабаровске обитала пока Саша ее не купила.


--------------------
Мой бортовик "Фиолетовое чудо". продана :(
Toyota Supra JZA80 2JZ-GTE VVT-i AT by Harvest
Перейти в начало страницы
 
+Цитировать сообщение
Suprahead
сообщение 21.2.2013, 3:58
Сообщение #378


Вставить ник


****

Группа: Пользователи
Сообщений: 948
Регистрация: 26.7.2010
Из: Хабаровск
Пользователь №: 4 853
Авто:Supra JZA80 1JZ-GTE HKS 2835 GT MT, Aristo 161 2JZ-GTE AT



У знакомого была белая Супра, пригнал он ее из Владивостока (или Уссурийска) не помню, атмо меха в таком же внешнем виде, белая, на таких же дисках, потом он ее перекрасил в каком то гараже в красный и продал в Хабаровске, а затем ее купила девушка из Владивостока и долго его материла за то во что он превратил тачку. Если это та машина, то это просто ппц какое совпадение, история у нее богатая. Могу даже фоток попробовать найти, но не факт что получится.
Кстати, на той машине внутряк у крышки багажника не белого цвета, т.е. не родной. Крышку меняли вместе со стеклом и козырьком т.к. старое разбили какие ублюдки. Лобовое меняно тоже.
Перейти в начало страницы
 
+Цитировать сообщение
vitaleg182
сообщение 21.2.2013, 5:11
Сообщение #379


Вставить ник


*****

Куратор темы
Сообщений: 1 734
Регистрация: 26.3.2011
Из: Анапа
Пользователь №: 5 789
Авто:Mazda 3 MPS



Suprahead, да,машина была с завода белой.
Саша,мне говорила,что взяла ее в уставшем состоянии. В хабаровске обменяла турбо форь на эту Супру.
Сказала,что красили ее чуть ли не кисточкой в гараже каком то.

Лобовое было не родное когда я забирал машину. потом я поставил новое так как это было уставшее.
Задняя дверь без козырька была но стекло не китайское.

Багажник без обшивок и ковра был.

Сообщение отредактировал vitaleg182 - 21.2.2013, 5:13


--------------------
Мой бортовик "Фиолетовое чудо". продана :(
Toyota Supra JZA80 2JZ-GTE VVT-i AT by Harvest
Перейти в начало страницы
 
+Цитировать сообщение
Suprahead
сообщение 21.2.2013, 7:37
Сообщение #380


Вставить ник


****

Группа: Пользователи
Сообщений: 948
Регистрация: 26.7.2010
Из: Хабаровск
Пользователь №: 4 853
Авто:Supra JZA80 1JZ-GTE HKS 2835 GT MT, Aristo 161 2JZ-GTE AT



Это именно та тачка, старик. Вспомнил, что ее на форик поменяли. Я даже на ней катался немного, хозяин бывший не знал даже что масло надо переодически менять, думал залил и поехал. Когда сливали масло старое, там аж стружка была. ph34r.gif Наездник одним словом. Оба стекла меняны т.к. оба были разбиты камнями или кирпичами я уже не помню. Но хорошо, что все хорошо кончается, машинка нашла нормального хозяина. Больше тебе может про нее сказать Finch т.к. это он ее гнал из Владивостока когда она еще белой была.

Перейти в начало страницы
 
+Цитировать сообщение

41 страниц V  « < 17 18 19 20 21 > » 
Тема закрытаНачать новую тему
1 чел. читают эту тему (гостей: 1, скрытых пользователей: 0)
Пользователей: 0

 



RSS Текстовая версия Сейчас: 26.11.2025, 12:05