Здравствуйте, гость ( Вход | Регистрация )

 
Ответить в данную темуНачать новую тему
Cruise Control, решил я себе поставить :)
beast_drc
сообщение 16.5.2014, 13:50
Сообщение #1


Вставить ник

Cуправод
******

Группа: Модераторы
Сообщений: 6 059
Регистрация: 26.5.2007
Из: Россия Москва ЮАО-ЮВАО
Пользователь №: 1 333
Авто:'99 ('92/'96) JZA80 RZ-S AT LHD



Решил я себе внедрить круиз, поковырявшись выяснил - самая новая система с отдельными блоками управлени - от Lexus RX300, собственно что и было куплено:

Переключатель от Lexus IS300 (у него кстати встроен круиз в мозг двигателя) (подходит только на рестайл руль)
Прикрепленное изображение


Прикрепленное изображение

Блок 88240-48020
Прикрепленное изображение

Блок 88240-48011
Прикрепленное изображение


Ну и фишки под него:

Актуатор 90980-11150.
Мозг:
90980-12094 для блока 88240-48020,
90980–11391 для блока 88240-48011

Как приедет, расскажу про установку =)

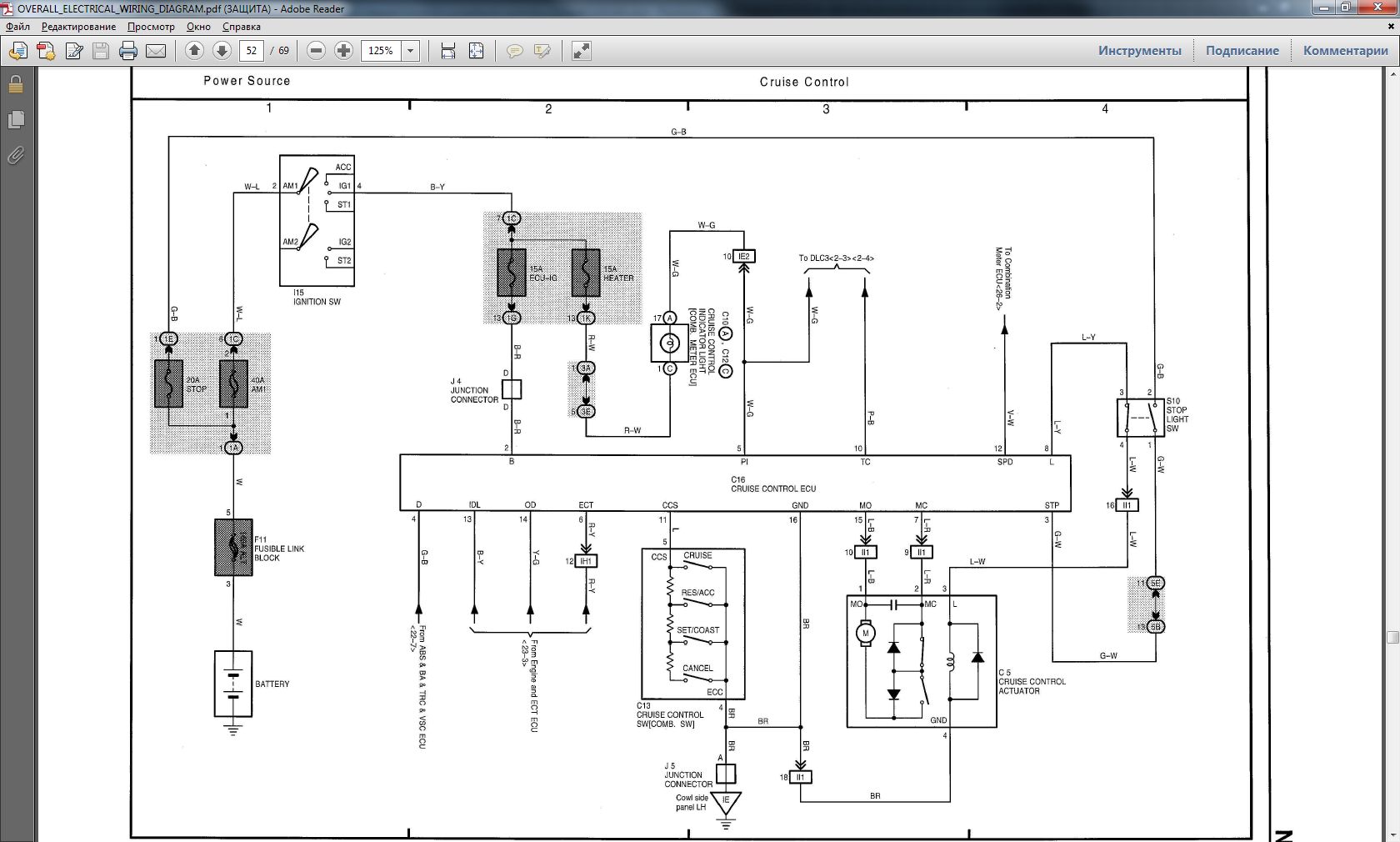
Схема для блока 88240-48011


Прикрепленное изображение


Схема для блока 88240-48020


Прикрепленное изображение



--------------------
"Проще продать атмо старую Супру и купить турбо новую Супру" - Да, проще. Интереснее? - Однозначно НЕТ
SZ AT > RZ-S AT > RZ-S AT LHD
Перейти в начало страницы
 
+Цитировать сообщение
Блек
сообщение 16.5.2014, 14:25
Сообщение #2


Вставить ник

Суправод
******

Группа: Активные пользователи
Сообщений: 2 492
Регистрация: 4.1.2007
Из: Москва
Пользователь №: 1 208
Авто:Lexus is 200, Supra 2002 2JZ-GTE vvt-i Getrag v160



Оч интересная тема!
Что за переключатель у тебя - качерышка и 2 кнопки от акпп понятны, а вот еще 2, это что?


--------------------
Рожденный ползать, уйди со взлетной полосы!
Первый дрифт,это как первый раз с женщиной. И хочешь,и не умеешь!
"А безопасный дрифт - как безопасный секс. Тупо и скучно." © Bakki™

Цитата(John_Travolta @ 19.12.2011, 18:49) *
но когда у тебя будет около стоковая турбо машина без каких либо изысков, просто в хорошем состоянии и с ценой более миллиона, ты точно подумаешь "надо было сразу купить..."

"AlexXXL82, запомни на будущее, сейчас нормальную бабу найти гораздо легче, чем нормальную Супру. Поэтому выбирать из них двоих надо всегда Супру." rom@888 ©
Перейти в начало страницы
 
+Цитировать сообщение
beast_drc
сообщение 16.5.2014, 14:29
Сообщение #3


Вставить ник

Cуправод
******

Группа: Модераторы
Сообщений: 6 059
Регистрация: 26.5.2007
Из: Россия Москва ЮАО-ЮВАО
Пользователь №: 1 333
Авто:'99 ('92/'96) JZA80 RZ-S AT LHD



Блек, 4 кнопки от акпп.. UP и DOWN они запараллелены


--------------------
"Проще продать атмо старую Супру и купить турбо новую Супру" - Да, проще. Интереснее? - Однозначно НЕТ
SZ AT > RZ-S AT > RZ-S AT LHD
Перейти в начало страницы
 
+Цитировать сообщение
Wolf_sw
сообщение 16.5.2014, 15:31
Сообщение #4


Вставить ник


*****

Группа: Пользователи
Сообщений: 1 421
Регистрация: 24.6.2011
Из: Sweden
Пользователь №: 6 080
Авто:много разных



хочу сингл, гетраг, псевдослик , и круиз... (с)
Перейти в начало страницы
 
+Цитировать сообщение
beast_drc
сообщение 16.5.2014, 15:48
Сообщение #5


Вставить ник

Cуправод
******

Группа: Модераторы
Сообщений: 6 059
Регистрация: 26.5.2007
Из: Россия Москва ЮАО-ЮВАО
Пользователь №: 1 333
Авто:'99 ('92/'96) JZA80 RZ-S AT LHD



Блек, Скачай кстати схемы для IS300, покури их. вдруг в супровских мозгах с завода он встроен.. это ж тоЕта ))


--------------------
"Проще продать атмо старую Супру и купить турбо новую Супру" - Да, проще. Интереснее? - Однозначно НЕТ
SZ AT > RZ-S AT > RZ-S AT LHD
Перейти в начало страницы
 
+Цитировать сообщение
Sub
сообщение 16.5.2014, 16:38
Сообщение #6


Вставить ник

Single wingless
******

Группа: Главные администраторы
Сообщений: 7 201
Регистрация: 16.2.2006
Из: Москва
Пользователь №: 5
Авто:10/96 JZA80 T67DBB 6MT, 09/00 UZS161 EUR



На Супре в мозг встроено только управление автоматом и TRC на VVT-i. Для круиза идет отдельный блок управления.
А на VVT-i круиза не было вообще, на рестайле тоже. Его ставили только до 05.1995 и то далеко не на все.


--------------------
Новые запчасти в наличии и на заказ. Оригинал, неоригинал, масла, спецжидкости.


10/1996 || TT: Acre, AEM, Aeromotive, A'PEXi, ARP, ATP Turbo, BFGoodrich, Blitz, Brian Crower, Boost Logic, Carbonetic, Cusco, Eibach, GReddy, HKS, Innovate, K & N, Koyorad,
KYB, Michelin, Mickey Thompson, Precision, Recaro, Soara, Sound Performance, SSR, Summit, Synapse, Thermo Tec, Titan, Titek, Toyota, TRD, Trust, Walbro, Yokohama
+ Custom


Спорить с админом - всё равно, что биться с драконом. Вроде и пинка ему уже отвесил, и мечом потыкал, и кажется, что горло пристроился пилить, но тут ему надоело и он выдохнул...
Перейти в начало страницы
 
+Цитировать сообщение
Блек
сообщение 16.5.2014, 16:44
Сообщение #7


Вставить ник

Суправод
******

Группа: Активные пользователи
Сообщений: 2 492
Регистрация: 4.1.2007
Из: Москва
Пользователь №: 1 208
Авто:Lexus is 200, Supra 2002 2JZ-GTE vvt-i Getrag v160



beast_drc, схемы есть и IS300 и IS200
хочу как раз в лекс смостырить круиз.


--------------------
Рожденный ползать, уйди со взлетной полосы!
Первый дрифт,это как первый раз с женщиной. И хочешь,и не умеешь!
"А безопасный дрифт - как безопасный секс. Тупо и скучно." © Bakki™

Цитата(John_Travolta @ 19.12.2011, 18:49) *
но когда у тебя будет около стоковая турбо машина без каких либо изысков, просто в хорошем состоянии и с ценой более миллиона, ты точно подумаешь "надо было сразу купить..."

"AlexXXL82, запомни на будущее, сейчас нормальную бабу найти гораздо легче, чем нормальную Супру. Поэтому выбирать из них двоих надо всегда Супру." rom@888 ©
Перейти в начало страницы
 
+Цитировать сообщение
beast_drc
сообщение 16.5.2014, 18:42
Сообщение #8


Вставить ник

Cуправод
******

Группа: Модераторы
Сообщений: 6 059
Регистрация: 26.5.2007
Из: Россия Москва ЮАО-ЮВАО
Пользователь №: 1 333
Авто:'99 ('92/'96) JZA80 RZ-S AT LHD



Sub, Вопрос был из серии "А вдруг"


--------------------
"Проще продать атмо старую Супру и купить турбо новую Супру" - Да, проще. Интереснее? - Однозначно НЕТ
SZ AT > RZ-S AT > RZ-S AT LHD
Перейти в начало страницы
 
+Цитировать сообщение
beast_drc
сообщение 19.5.2014, 9:34
Сообщение #9


Вставить ник

Cуправод
******

Группа: Модераторы
Сообщений: 6 059
Регистрация: 26.5.2007
Из: Россия Москва ЮАО-ЮВАО
Пользователь №: 1 333
Авто:'99 ('92/'96) JZA80 RZ-S AT LHD



Добавил второй тип мозга и фишку под него и схемы.. продавец на ебее так и не поменял мне 88240-48011 на 88240-48020, но думаю разница не велика )


--------------------
"Проще продать атмо старую Супру и купить турбо новую Супру" - Да, проще. Интереснее? - Однозначно НЕТ
SZ AT > RZ-S AT > RZ-S AT LHD
Перейти в начало страницы
 
+Цитировать сообщение

Ответить в данную темуНачать новую тему
1 чел. читают эту тему (гостей: 1, скрытых пользователей: 0)
Пользователей: 0

 



RSS Текстовая версия Сейчас: 16.10.2025, 11:14