Здравствуйте, гость ( Вход | Регистрация )

 
Ответить в данную темуНачать новую тему
2JZ-GE на холодную заводится отлично, но глохнет через час езды, 15 минут простоя и снова заводится, 2JZ-GE глохнет и заводится через 15 минут
superior
сообщение 14.1.2019, 10:55
Сообщение #1


Вставить ник

Суправод
*

Группа: Пользователи
Сообщений: 67
Регистрация: 19.5.2008
Из: Москва
Пользователь №: 1 533
Авто:Supra 2JZ-GE



Помогите, пожалуйста, советом - где и что искать?

История такая - летом, с утра заводится с пол пинка, едем до работы все нормально, вечером (через несколько часов) с первого раза не заводится, просто крутит и все.
Так происходило некоторое время. Потом заглохла в пробке, но сразу запустилась. Потом начала долго не заводится на остывшем двигателе (1 час летом). Потом заглохла в пробке и запутилась только через 10-15 минут простоя. Просто постояла - пробовал крутил - ничего - через 15 минут - раз и запустилась.
Зимой заводится все время нормально, но стоял в пробке перед НГ несколько часов - и заглохла. Через 15 минут простоя запустилась как нив чем не бывало.

Заменил: датчик ОЖ, топливный насос, форсунки.

Помогите советом - хоть куда дальше смотреть?
Перейти в начало страницы
 
+Цитировать сообщение
Linux0ID
сообщение 14.1.2019, 12:59
Сообщение #2


Вставить ник


*

Группа: Пользователи
Сообщений: 76
Регистрация: 1.3.2017
Из: Пенза
Пользователь №: 10 540
Авто:Toyota Supra JZA80 и Subaru Impreza GH7



Когда не заводится, надо смотреть, чего нет - бензина или искры. Будет понятнее, куда копать)) Может контроллер насоса выходить из строя, тогда просто не будет работать насос временами. Или проводка где-нибудь моросить. Как никак, самым молодым машинам нашим уже 17 лет!((
Ещё есть смысл разобрать эбу и глянуть, в каком состоянии конденсаторы. Это не займёт много времени, он в ногах у пассажира.
За 15 минут что-то где-то остывает и продолжает работать.


--------------------
Toyota Supra A80 MK4 1993 SZ 2JZ-GE AT >>> 1.5JZ-GTE nonVVT-i + Holset HX35 >>> антисвап 2JZ-GTE VVT-i + BorgWarner s257sx-e 7670 0.83 A/R + 6АКПП A761E + Stealth PCM
Перейти в начало страницы
 
+Цитировать сообщение
Sub
сообщение 14.1.2019, 15:25
Сообщение #3


Вставить ник

Single wingless
******

Группа: Главные администраторы
Сообщений: 7 201
Регистрация: 16.2.2006
Из: Москва
Пользователь №: 5
Авто:10/96 JZA80 T67DBB 6MT, 09/00 UZS161 EUR



Диагностика что говорит? Расход топлива нормальный?


--------------------
Новые запчасти в наличии и на заказ. Оригинал, неоригинал, масла, спецжидкости.


10/1996 || TT: Acre, AEM, Aeromotive, A'PEXi, ARP, ATP Turbo, BFGoodrich, Blitz, Brian Crower, Boost Logic, Carbonetic, Cusco, Eibach, GReddy, HKS, Innovate, K & N, Koyorad,
KYB, Michelin, Mickey Thompson, Precision, Recaro, Soara, Sound Performance, SSR, Summit, Synapse, Thermo Tec, Titan, Titek, Toyota, TRD, Trust, Walbro, Yokohama
+ Custom


Спорить с админом - всё равно, что биться с драконом. Вроде и пинка ему уже отвесил, и мечом потыкал, и кажется, что горло пристроился пилить, но тут ему надоело и он выдохнул...
Перейти в начало страницы
 
+Цитировать сообщение
superior
сообщение 14.1.2019, 16:08
Сообщение #4


Вставить ник

Суправод
*

Группа: Пользователи
Сообщений: 67
Регистрация: 19.5.2008
Из: Москва
Пользователь №: 1 533
Авто:Supra 2JZ-GE



Диагностика ничего не говорит. Расход стабильный - по городу около 18-19.

Сообщение отредактировал superior - 14.1.2019, 16:10
Перейти в начало страницы
 
+Цитировать сообщение
superior
сообщение 14.1.2019, 16:17
Сообщение #5


Вставить ник

Суправод
*

Группа: Пользователи
Сообщений: 67
Регистрация: 19.5.2008
Из: Москва
Пользователь №: 1 533
Авто:Supra 2JZ-GE



А датчик температуры на моторе 1?
Перейти в начало страницы
 
+Цитировать сообщение
Memfis Rains
сообщение 14.1.2019, 16:32
Сообщение #6


Вставить ник


*

Группа: Пользователи
Сообщений: 18
Регистрация: 20.8.2013
Из: Хабруйск
Пользователь №: 8 269
Авто:Supra SZ



Если на машине стоит сигнализация, то смотри соединения врезки в штатную проводку. А так же могут реле блокировки подгореть от несоответствия нагрузки и номинала реле.

Сообщение отредактировал Memfis Rains - 14.1.2019, 16:32


--------------------
Перейти в начало страницы
 
+Цитировать сообщение
superior
сообщение 15.1.2019, 10:34
Сообщение #7


Вставить ник

Суправод
*

Группа: Пользователи
Сообщений: 67
Регистрация: 19.5.2008
Из: Москва
Пользователь №: 1 533
Авто:Supra 2JZ-GE



Сигнализацию тоже поменял (у старой брелок сдох) не влияет.
Перейти в начало страницы
 
+Цитировать сообщение
Sub
сообщение 15.1.2019, 16:42
Сообщение #8


Вставить ник

Single wingless
******

Группа: Главные администраторы
Сообщений: 7 201
Регистрация: 16.2.2006
Из: Москва
Пользователь №: 5
Авто:10/96 JZA80 T67DBB 6MT, 09/00 UZS161 EUR



Цитата(superior @ 14.1.2019, 17:13) *
А датчик температуры на моторе 1?

Температуры антифриза - два. Один на приборку, второй - для мозга.
Температуры воздуха один (на атмо он не на моторе, а коробе возд. фильтра).

Стоит проверить контакты игнитера и катушки зажигания. Было на одной машине, что у пина на игнитере был свободный ход с полмиллиметра. Потянул провод - не заводится, толкнул внутрь разъема и все прекрасно работает. Такой пин может находиться и в другом месте...

Надо поймать момент, когда не заводится и проверить наличие искры, топлива, а также сигналов с датчиков (точнее, питания на них). Для запуска и работы (хоть какой-то) мотора обязательных датчиков не так уж и много - ДПКВ, ДПРВ, MAP. Необязательны: лямбда, темп. антифриза, темп. воздуха, ДПДЗ.


--------------------
Новые запчасти в наличии и на заказ. Оригинал, неоригинал, масла, спецжидкости.


10/1996 || TT: Acre, AEM, Aeromotive, A'PEXi, ARP, ATP Turbo, BFGoodrich, Blitz, Brian Crower, Boost Logic, Carbonetic, Cusco, Eibach, GReddy, HKS, Innovate, K & N, Koyorad,
KYB, Michelin, Mickey Thompson, Precision, Recaro, Soara, Sound Performance, SSR, Summit, Synapse, Thermo Tec, Titan, Titek, Toyota, TRD, Trust, Walbro, Yokohama
+ Custom


Спорить с админом - всё равно, что биться с драконом. Вроде и пинка ему уже отвесил, и мечом потыкал, и кажется, что горло пристроился пилить, но тут ему надоело и он выдохнул...
Перейти в начало страницы
 
+Цитировать сообщение
BUCH
сообщение 26.1.2019, 21:00
Сообщение #9


Вставить ник




Группа: Новые пользователи
Сообщений: 3
Регистрация: 13.11.2018
Из: Саратов
Пользователь №: 10 830
Авто:митсубиси FTO



Смотри датчик колена или распреда, хотя за тоетами такого не замечалось,но за митсубами есть проблемка по нагреву датчиков и потере работоспособности , на небольшой интервал времени.


--------------------
-"Войны меняются,а солдаты все те же..." (с) 2PAC
Перейти в начало страницы
 
+Цитировать сообщение
Sub
сообщение 26.1.2019, 23:34
Сообщение #10


Вставить ник

Single wingless
******

Группа: Главные администраторы
Сообщений: 7 201
Регистрация: 16.2.2006
Из: Москва
Пользователь №: 5
Авто:10/96 JZA80 T67DBB 6MT, 09/00 UZS161 EUR



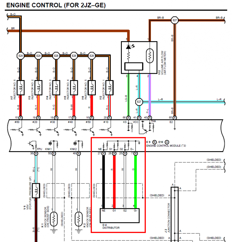
BUCH, на 2JZ-GE нет этих датчиков, там они, так сказать, встроены в трамблер.
Прикрепленное изображение


--------------------
Новые запчасти в наличии и на заказ. Оригинал, неоригинал, масла, спецжидкости.


10/1996 || TT: Acre, AEM, Aeromotive, A'PEXi, ARP, ATP Turbo, BFGoodrich, Blitz, Brian Crower, Boost Logic, Carbonetic, Cusco, Eibach, GReddy, HKS, Innovate, K & N, Koyorad,
KYB, Michelin, Mickey Thompson, Precision, Recaro, Soara, Sound Performance, SSR, Summit, Synapse, Thermo Tec, Titan, Titek, Toyota, TRD, Trust, Walbro, Yokohama
+ Custom


Спорить с админом - всё равно, что биться с драконом. Вроде и пинка ему уже отвесил, и мечом потыкал, и кажется, что горло пристроился пилить, но тут ему надоело и он выдохнул...
Перейти в начало страницы
 
+Цитировать сообщение
саша.
сообщение 27.1.2019, 8:05
Сообщение #11


Вставить ник


*

Группа: Пользователи
Сообщений: 82
Регистрация: 27.1.2013
Из: minsk
Пользователь №: 7 764
Авто:Supra MA70 2JZ-GTE VVTI&mtR154, nissan300zx z32 vg30dett&at



У меня такое было с датчиком коленвала... нагревался и переставал работать ...


--------------------
Если кажется, что все в порядке, - значит, вы что-то просмотрели
Перейти в начало страницы
 
+Цитировать сообщение
BUCH
сообщение 27.1.2019, 18:52
Сообщение #12


Вставить ник




Группа: Новые пользователи
Сообщений: 3
Регистрация: 13.11.2018
Из: Саратов
Пользователь №: 10 830
Авто:митсубиси FTO



ааа,понял,не учел модификацию движки))) пока что изучаю супрочки)))


--------------------
-"Войны меняются,а солдаты все те же..." (с) 2PAC
Перейти в начало страницы
 
+Цитировать сообщение
superior
сообщение 11.3.2019, 23:53
Сообщение #13


Вставить ник

Суправод
*

Группа: Пользователи
Сообщений: 67
Регистрация: 19.5.2008
Из: Москва
Пользователь №: 1 533
Авто:Supra 2JZ-GE



Подскажите еще, пожалуйста, можно ли взять блок управления двигателем от Soarer? В общем какие-нибудь другие мозги подойдут для 2JZ-GE Non-VVT-i A/T?
Перейти в начало страницы
 
+Цитировать сообщение
Sub
сообщение 12.3.2019, 1:02
Сообщение #14


Вставить ник

Single wingless
******

Группа: Главные администраторы
Сообщений: 7 201
Регистрация: 16.2.2006
Из: Москва
Пользователь №: 5
Авто:10/96 JZA80 T67DBB 6MT, 09/00 UZS161 EUR



Просто проверить работу двигателя любые наверно пойдут. Сравнить распиновки, на всякий случай, не помешает. На постоянку - не каждые. Например, на турбо VVT-i мозги с Супры и Аристо - двиг работает норм, а вот кондей - уже нет.


--------------------
Новые запчасти в наличии и на заказ. Оригинал, неоригинал, масла, спецжидкости.


10/1996 || TT: Acre, AEM, Aeromotive, A'PEXi, ARP, ATP Turbo, BFGoodrich, Blitz, Brian Crower, Boost Logic, Carbonetic, Cusco, Eibach, GReddy, HKS, Innovate, K & N, Koyorad,
KYB, Michelin, Mickey Thompson, Precision, Recaro, Soara, Sound Performance, SSR, Summit, Synapse, Thermo Tec, Titan, Titek, Toyota, TRD, Trust, Walbro, Yokohama
+ Custom


Спорить с админом - всё равно, что биться с драконом. Вроде и пинка ему уже отвесил, и мечом потыкал, и кажется, что горло пристроился пилить, но тут ему надоело и он выдохнул...
Перейти в начало страницы
 
+Цитировать сообщение
Memfis Rains
сообщение 12.3.2019, 5:54
Сообщение #15


Вставить ник


*

Группа: Пользователи
Сообщений: 18
Регистрация: 20.8.2013
Из: Хабруйск
Пользователь №: 8 269
Авто:Supra SZ



Не знаю какие фишки на Супре атмо АТ. Соареровские атмо фишки АТ сильно отличаются от супровских МТ. Они совешенно другие.
Есть коса от Соарера АТ, могу фото сделать.


--------------------
Перейти в начало страницы
 
+Цитировать сообщение

Ответить в данную темуНачать новую тему
1 чел. читают эту тему (гостей: 1, скрытых пользователей: 0)
Пользователей: 0

 



RSS Текстовая версия Сейчас: 12.10.2025, 16:38