Освещение салона |
Здравствуйте, гость ( Вход | Регистрация )
Освещение салона |
17.2.2015, 11:29
Сообщение
#1
|
|
|
Вставить ник ![]() Группа: Пользователи Сообщений: 60 Регистрация: 15.10.2011 Из: Россия г. Калуга Пользователь №: 6 419 Авто:Supra 80 GE MT |
Привет ребят... пропало освещение в салоне... читал где то тут .. про предохранитель под капотом, что вроде как он отвечает за освещение... но она целый .. куда копать? и дайте пожалуйста на всякий раскладку по предохранителям, а то не нашёл =(
|
|
|
|
![]() |
18.2.2015, 0:59
Сообщение
#2
|
||
![]() Вставить ник Суправод ![]() ![]() ![]() ![]() ![]() ![]() Группа: Активные пользователи Сообщений: 7 797 Регистрация: 20.7.2006 Из: Москва, САО Пользователь №: 1 137 Авто:JZA80 `94/02 TT 6MT |
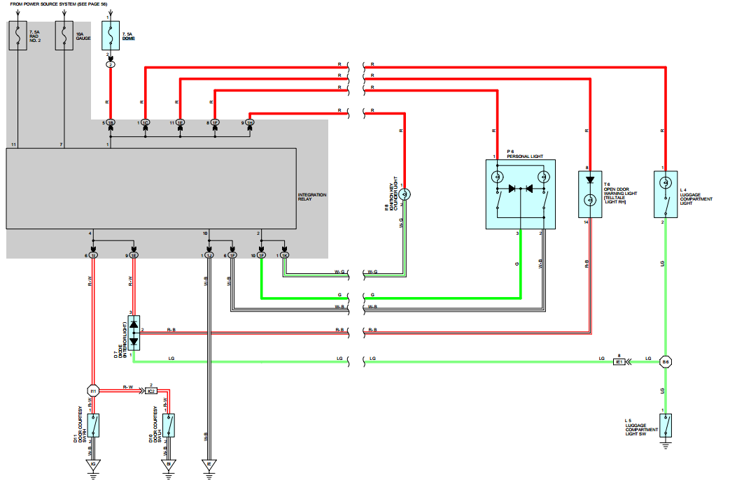
Часы и прикуриватель работают?
Проверь разъем у водителя в ногах, который отвечает за салонный свет (сняв обшивку стойки ты увидишь провод - проследи куда идет). Да и сам плафон проверить не помешало бы, хотя бы фишку прозвонить. Вот схема. -------------------- Мой телефон: 8-926-246-91-96
The BEST Supra - JZA80 TT 6MT |
|
|
|
||
Stas_Klg Освещение салона 17.2.2015, 11:29
Rozarii Где то в конце книжки подкапотный блок и салонный
... 17.2.2015, 11:42
Stas_Klg как раз таки лампочку одну докупил вторая работала... 17.2.2015, 11:58
desperado Проверь концевики на стойках дверей: залипают и не... 17.2.2015, 12:26
Stas_Klg Тогда бы на приборке загоралась лампочка незакрыто... 17.2.2015, 20:36
Sub Нет смысла каждый раз выкладывать схемы. Мануалы л... 18.2.2015, 14:33
Stas_Klg Sub.
Злые модеры)
по схемам согласен... но совето... 18.2.2015, 19:06
Stas_Klg разъём по левую или правую ногу?(у меня пруль) есл... 18.2.2015, 18:59
Sub Ну вот по схеме выше... хотя, опять же, лучше ману... 18.2.2015, 19:29
Stas_Klg лохонулся я короч ребят) свет починил .. дело было... 25.2.2015, 20:27
Sub Концевики в петлях на кузове 26.2.2015, 0:02
Stas_Klg уловил, благодарю 26.2.2015, 23:45
thedemon Цитата(Sub @ 26.2.2015, 1:07) Концевики в... 7.9.2016, 0:42
Sub Я ж тебе рассказывал. DOME, в подкапотном блоке 7.9.2016, 1:57
thedemon Ты знал, ты знал!!!
)))
Спасибо! 7.9.2016, 23:54![]() ![]() |
|
Текстовая версия | Сейчас: 27.11.2025, 23:17 |